Rénovation Sound City L100 MK3

guyltlh
  • #1
  • Publié par
    guyltlh
    le
Bonjour à tous,

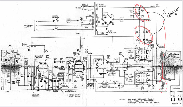
J’ai une tête d’ampli Soud City de la fin des années 60 qui a toujours ces condensateurs d’alimentation d’origines. Il est donc temps de les changer.

Il y a 2 condos de 200uf 500v et 3 condos de 32uf 500v à changer.
Je pense les remplacer par des condos 100+100uf 500V et des 16+16uf 500V.

Je dois donc mettre les bornes positives des condos en parallèle pour que les 100+100uf fassent 200uf et idem pour 16+16uf mais concrètement, comment je fais ?

Je vous joint le schéma et 1 photo





Merci à tous

Musicalement
guyltlh
  • #3
  • Publié par
    guyltlh
    le
Merci Oldamp,

Donc aucun soucis de remplacer des 200uf par des 250uf?

Pour les 2 condos 32uf à « 3 pattes » qui sont notés sur le schéma 32uf et non 32+32uf pas de problème à mettre du 32+32uf ?

Ces questions n’ont pas vocation à te contredire mais plutôt à comprendre mieux les condensateurs d’alimentation

Encore merci
oldamp
  • Vintage Méga utilisateur
  • #4
  • Publié par
    oldamp
    le
Je me posais justement la question : tes "32" à trois pattes il est écrit quoi dessus ?
guyltlh
  • #5
  • Publié par
    guyltlh
    le
Je te met une photo

[img] [/img]
oldamp
  • Vintage Méga utilisateur
  • #6
  • Publié par
    oldamp
    le
Ok, il te faut donc bien des 2x32 500V !
guyltlh
  • #7
  • Publié par
    guyltlh
    le
Je vais abuser un peu

A quoi vois-tu qu’il faut bien des 2x32uf?

Merci
oldamp
  • Vintage Méga utilisateur
  • #8
  • Publié par
    oldamp
    le
C'est marqué sur la photo : red 32/450 et yellow 32/450 ! C'est pas tout à fait ce qu'indique le schéma mais c'est souvent le cas !
Sur le bout de circuit qu'on voit sur ta photo on dirait qu'il a été pas mal bricolé...
guyltlh
  • #9
  • Publié par
    guyltlh
    le
De ce que je sais cet ampli a eu comme interventions :

- alimentation fixée à 230v
- changement des lampes + réglage bias
- remplacement du Condo qui est entre le 2x32uf et le "variateur" pour le réglage du bias
oldamp
  • Vintage Méga utilisateur
  • #10
  • Publié par
    oldamp
    le
Au temps pour moi, le schéma indique bien plein de "preset"... J'avais pensé que c'était des rajouts ultérieurs !

Il y a quand même des soudures pas très catholiques (bon, normal pour un anglais !). Les condos bleu et blanc sont souvent foireux et à changer. les deux condos jaunes tête bêche, bof... Autant trouver la bonne valeur !

guyltlh
Je vais checker ça
guyltlh
Hello, petit retour
J'ai reçu aujourd'hui les différents condos et j'ai donc pu procéder au remplacement.
Pas évident de sortir les gros condos en place depuis près de 50 ans mais ça s'est fait.
Et bonne nouvelle, l'ampli n'a pas explosé et fonctionne très bien
Encore merci pour le coup de pouce Oldamp
oldamp
  • Vintage Méga utilisateur
  • #13
  • Publié par
    oldamp
    le
De rien ! Bonne zique !

En ce moment sur ampli et préampli guitare...