Fabrication d'un amplis avec des pédales?

Giallo
  • Special Top utilisateur
  • #1
  • Publié par
    Giallo
    le


J'ai découvert les vidéos de Jim Lill récemment et j'aurais aimé avoir des infos sur sa "tacklebox".

J'ai plusieurs interrogations.

J'aurais aimé savoir comment reproduire ce type de montage ?

Si je voulais faire un montage proche mais plutôt axé Mesa Boogie, qu'est ce qui changerait ?

Merci
" Anything, Anytime, Anyplace, For no reason at all "

Franck Zappa
ChopSauce
Tiens, par curiosité j'ai Googlé un peu le sujet et à la louche :

1. il prétend que 99% des vidéos de Youtube ont quelque chose à vendre

2. apparemment il ne répond pas aux gens qui lui demandent de partager (gratuitement) ses plans ...



A mon avis, c'est pas gagné ...
Giallo
  • Special Top utilisateur
  • #3
  • Publié par
    Giallo
    le
J'ai posté sur "le coin du bricoleur" afin de discuter des détails techniques concernant ce type de montage.

Des gens ont déjà fait ce genre de trucs ?

Pour un montage "type mesa boogie" qu'est ce que ça impliquerait ?
" Anything, Anytime, Anyplace, For no reason at all "

Franck Zappa
Antinios37
Impressionnant, c'est pas une blague ce truc?
Giallo
  • Special Top utilisateur
  • #5
  • Publié par
    Giallo
    le
je ne pense pas que ce soit une blague, mais le sujet là c'est plutôt :

Des gens ont déjà fait ce genre de trucs ?

Pour un montage "type mesa boogie" qu'est ce que ça impliquerait ?
" Anything, Anytime, Anyplace, For no reason at all "

Franck Zappa
Giallo
  • Special Top utilisateur
  • #7
  • Publié par
    Giallo
    le
J'étais persuadé que ce sujet intéresserais du monde au vu du nombre de spécialiste sur le forum (technicien amplis, électricien etc).

Mon but étant d'en apprendre un peu plus sur le son et les amplis en général, j'avais choisi une partie qui me semblait approprié sur le forum, justement pour éviter les hors sujets.

Peut être que mes questions sont trop vagues ?
" Anything, Anytime, Anyplace, For no reason at all "

Franck Zappa
Giallo
  • Special Top utilisateur
  • #9
  • Publié par
    Giallo
    le
ces produits mooer ont l'air très bien, mais j'ai déjà un pédale board de ce type (AMTR2>ISP decimator>EHX 44 magnum).

Là pour des raisons pédagogiques j'aurais souhaité savoir d'un point de vue technique ce qui était impliqué dans ce type de montage, d'où ma question de "quelqu'un a déjà fait ce genre de montage ?").

Et toujours pour des raisons d'apprentissage, à quoi ressemblerait un montage typé "mesa"?

de plus j'ai l'impression que ces histoires de potards qui rentre ou sortent des pédales et la "flat eq" semble être le coeur du truc!
" Anything, Anytime, Anyplace, For no reason at all "

Franck Zappa
ChopSauce
Trop de paramètres. Vouloir reproduire le son produit par un équipement complexe par d'autres moyens, tu peux facilement imaginer qu'il n'y a pas qu'une solution pour arriver à tes fins : analogique (pédales+reste de la chaîne du signal) ou numérique (modélisation). Si le gars ne communique pas plus d'infos, on peut spéculer ...

Probablement, comme tu l'écris, le spectre est une composante fondamentale, mais pas que !

Bien sûr ce que j'écris là ne sont que de vagues généralités mais sans plus d'infos ... et j'ai autre chose à faire que de regarder ce genre de vidéos (-;
(pour les raisons sus-nommées)

EDIT : si tu t'intéresses au sujet, il y a des montagnes de documents à lire. Non seulement je ne prétends pas en savoir assez mais en plus je doute que ça puisse se résumer en quelques lignes.
Giallo
  • Special Top utilisateur
  • #11
  • Publié par
    Giallo
    le
Si vous avez des sources je suis preneur!
" Anything, Anytime, Anyplace, For no reason at all "

Franck Zappa
ChopSauce
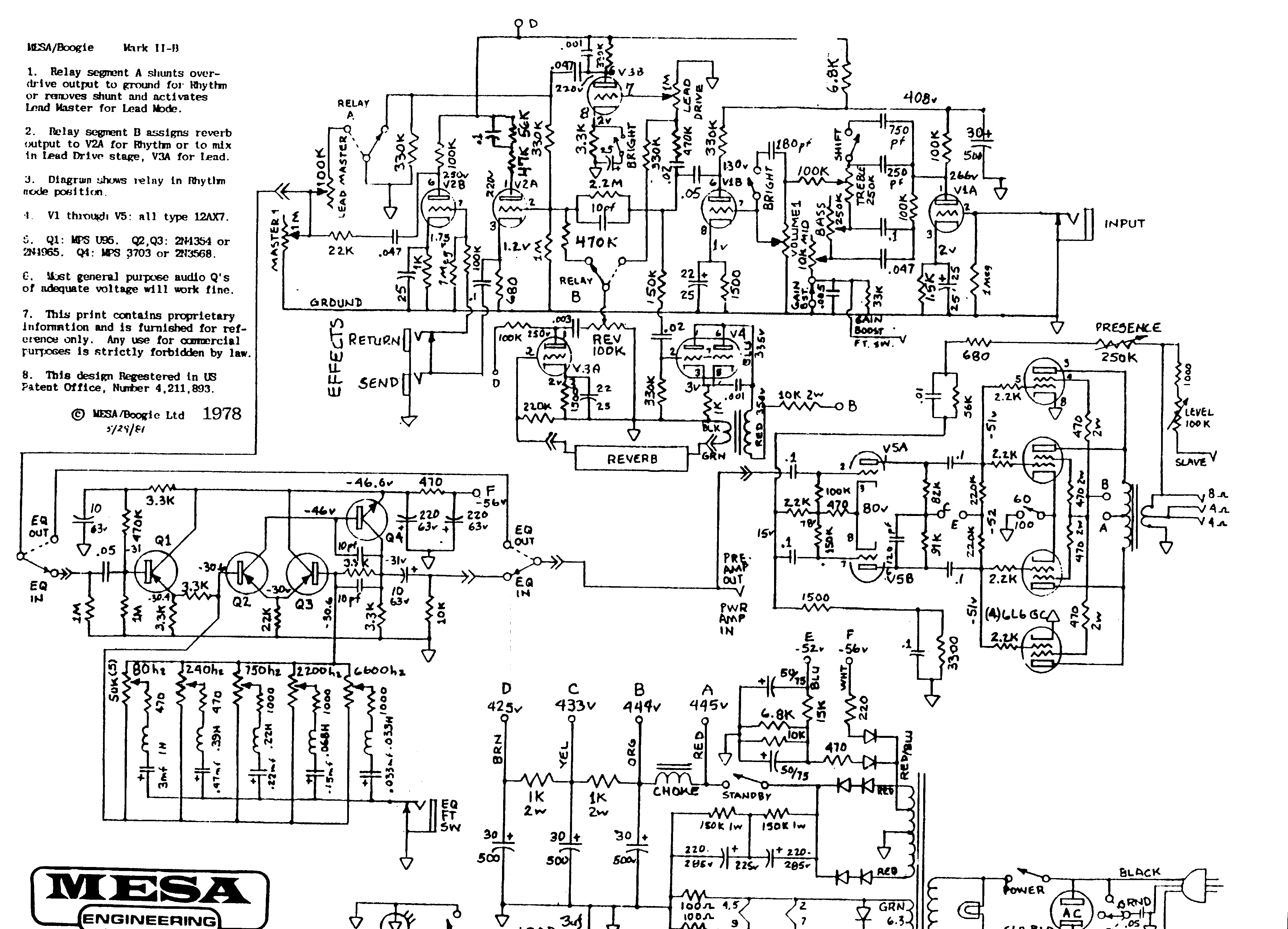
Quand j'écris trop de paramètres, je te renvoie aux schémas, par exemple :



C'est un peu abrupt comme réponse - et encore il manque des paramètres telles que les caractéristiques précises des transfos, etc - mais ça te donne une idée de la complexité de ta question, peut-être ?

Sinon demandes à Google ou sur un forum anglo-saxon. Il y aura potentiellement plus de gens pour te répondre.

NB : le souci du détail dans la repro ne se limite pas à des caractéristiques moyennes. C'est dans les phases transitoires et les instabilités que la différence se fait - à mon avis -
Giallo
  • Special Top utilisateur
  • #13
  • Publié par
    Giallo
    le
Ok merci beaucoup! Je lisais sur un forum Anglophone (qui discutait de cette vidéo) que n'importe quel ampli avec une flat EQ peut sonner pareil, qu'est ce que ça signifie en terme technique ?
" Anything, Anytime, Anyplace, For no reason at all "

Franck Zappa
milenko
  • Vintage Total utilisateur
Merci pour la découverte de cette chaîne. Ca relativise un peu nos croyances.
Je pense que tu aurais eu plus de succès dans la section ampli que dans la section bricoleur... mais bon, le forum est à l'agonie de toute façon.
Kronenbourg à La Poste, Chronopost à la bourre !
ChopSauce
Si tu veux savoir ce qu'une personne veut dire lorsqu'elle emploie une formule aussi réductrice que "sonne pareil", le mieux serait de lui demander directement - comme je te suggérais de poser la question ailleurs - parce que ma supposition personnelle est que cette personne n'a pas peur de dire des conneries (-;

Le forum à l'agonie ?

En ce moment sur ampli...