Problème 2203

acdcshow
Salut à tous !

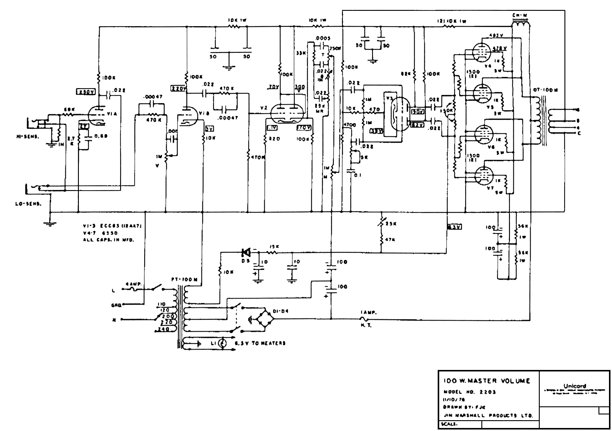
J'ai une petite question, car j'ai fait l'entretien d'un 2203 des années 70 d'un pote qui présentait une tonne de bruits parasites et une sorte d'écho en jouant, mais là je sèche.

J'ai changé les 6 condos de filtrage, tous les potards, replacé le NFB sur le 8ohms au lieu du 4, dégagé un Silver Mica 100pf ajouté en V1, j'ai dégagé le câblage qui passe par le PCB et mis la 68k directement sur le support de lampe en V1B et la cosse intermédiaire du potard preamp en V1A, changement des 10uf pour le Bias et ajout de 4 résistances 1ohms sur chaque supports de lampes de puissances pour le BIAS.

Toutes les tensions ont l'air correct, le bias réglé etc. Ça sonne. MAIS le potard Preamp-Volume est inactif. Uniquement le Master fonctionne et agis à la manière d'un 1959. J'ai changé 3x le potard de preamp, checké tout en comparant les schémas (la modification a été faite avec le même PCB quelques années plus tard), photos et même à mon Replica et testé d'autres lampes. Rien à faire.

Quelqu'un a déjà été confronté à ça? J'oublierai quelque chose?

V1 Cablâge


V2 V3 Cablâge


V4 Cablâge


Condos filtrage


Condo filtrage
Mes fabrications :

- Marshall JMP 2203 -
https://www.guitariste.com/for(...).html

- Marshall SLP 1968 -
https://www.guitariste.com/for(...).html
Doug_Watson
acdcshow a écrit :
Salut à tous !

j'ai dégagé le câblage qui passe par le PCB et mis la 68k directement sur le support de lampe en V1B et la cosse intermédiaire du potard preamp en V1A, MAIS le potard Preamp-Volume est inactif.


Le mieux est l'ennemi du bien... Fouille de ce coté là...

Après, le câblage jack IN - potar (1ere photo) me semble un peu dégueu...
«Je ne suis pas sûr qu'on défende une civilisation en semant soi-même la barbarie.» E. Macron
Non, je n'ai pas rencontré Frankenstein et Epstein au Lichtenstein !
acdcshow
Doug_Watson a écrit :
acdcshow a écrit :
Salut à tous !

j'ai dégagé le câblage qui passe par le PCB et mis la 68k directement sur le support de lampe en V1B et la cosse intermédiaire du potard preamp en V1A, MAIS le potard Preamp-Volume est inactif.


Le mieux est l'ennemi du bien... Fouille de ce coté là...

Après, le câblage jack IN - potar (1ere photo) me semble un peu dégueu...
J'ai pas touché à la prise jack

A moins que le circuit ait une sort de jump à un endroit que j'ai coupé en enlevant le câblage de la V1, je vois pas trop
Mes fabrications :

- Marshall JMP 2203 -
https://www.guitariste.com/for(...).html

- Marshall SLP 1968 -
https://www.guitariste.com/for(...).html
Fenson66
Cette soudure m'a l'air sèche et pas du tout en prise sur le dos du potard...

Soudure
Il ne faut pas compter sur ceux qui ont créé les problèmes pour les résoudre.

"La religion est une insulte à la dignité humaine. Que ce soit avec ou sans elle, il y aura toujours des gens bien qui font de bonnes choses, et des mauvais qui font de mauvaises choses. Mais pour que des gens bien agissent mal, il faut la religion." S.WEINBERG

https://www.droitaucorps.com/
Transistorix
Bonjour,

DrTube


Sur les photos, je ne vois pas de connexion sur la masse du Jack entrée.
Alors qu'elle existe sur le schéma.

Normal ?

Tx
Viva Arverna liura !
acdcshow
Transistorix a écrit :
Bonjour,

DrTube


Sur les photos, je ne vois pas de connexion sur la masse du Jack entrée.
Alors qu'elle existe sur le schéma.

Normal ?

Tx


Masse


Comme d'origine et reliée sur le fil de masse brut soudé au dos des potards.

Sur la photo on dirait que les câbles des cosses se touchent, mais c'est pas le cas
Mes fabrications :

- Marshall JMP 2203 -
https://www.guitariste.com/for(...).html

- Marshall SLP 1968 -
https://www.guitariste.com/for(...).html
corto30
C'est pareil sur les 2 entrées ? Y'a moyen de décabler pour les tester une par une ?
Nutrisco et Extinguo

En ce moment sur ampli...