[TUTO] Se faire 1 atténuateur Bridged-T pour 30€

Rappel du dernier message de la page précédente :
Denis13
  • Denis13
  • Vintage Méga utilisateur
C'est surtout à R3 que je pense, avec celle que tu prends tu n'as quasi aucune marge.
Prends-en plutôt 2 comme ça en // http://www.selectronic.fr/c/co(...).html
Après je te donne simplement mon retour d'expérience, mais de toutes manières il faut tester, et effectivement je ne connais pas ton ampli
10:15 a écrit :
Le HP est pas mal criard sur les aigus... donc ça ne me dérange pas du tout d'en perdre avec une forte attenuation


Bah vas-y pour -23db... moi j'avais un hp plein d'aigus avec mon Epi VJ, et je foutais -30db: c'était génial... gras à souhait, et du coup, si tu revoulais des aigus, tu foutais un TreebleBooster
Denis13
  • Vintage Méga utilisateur
Le treblebooster c'est le compagnon idéal de ces attenuateurs
slivoid
Denis13 a écrit :
Le treblebooster c'est le compagnon idéal de ces attenuateurs


Est-ce qu'il faut en déduire qu'un trebble booster est recommandé lors de l'utilisation de tout atténuateur ?
Denis13
  • Vintage Méga utilisateur
À partit d'un certain niveau d'atténuation à mon sens oui (ou une od réglée gain à 0)
slivoid
Je vais essayer
Comme j'ai quelques problèmes d'aigus, et que j'utilise souvent un atténuateur, le problème viens peut-être de là
Denis13 a écrit :
Le treblebooster c'est le compagnon idéal de ces attenuateurs


Bonjour à tous,

je suis en train de me construire l'atténuateur pour mon 2061x donc 20 watts en 8ohms (je suis parti sur une puissance de 50w).
Je comptais partir là dessus :



Pouvez vous me donner vos avis sur le choix des résistances ?
Et aussi si je me suis planté dans le schéma

Merci d'avance de votre aide.
Oulàlà j'ai pas un franc succés avec mes questions

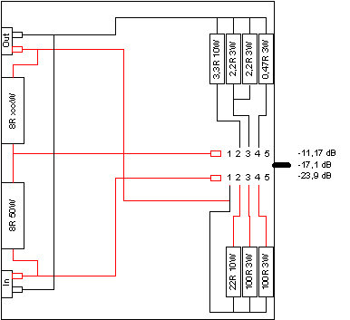
Je vais essayer de faciliter le lecture. Donc voilà ci-dessous, à gauche les valeurs des résistances données par le fichier excel et à droite les valuers dispo chez banzai :


-11.17 dB
3,06R / 10W........3,3R / 10W
20,95R / 10W......22R / 10W
8R / 26,2W.........8,2R / 50W

-17.1 dB
1,3R / 6W............2,2R / 3W (2 en //)
49,29R / 6W........100R / 3W
8R / 37W............8,2R / 50W

-23.9 dB
0,55R / 3W...........0,47R / 3W
117,34R / 3W.......100R / 3W
8R / 43,8W...........8,2R / 50W

Est ce que les écarts vous semblent acceptables ?

Help help help help
Denis13
  • Vintage Méga utilisateur
Pour R2 à -23.9 je trouve l'écart un peu élevé et de manière générale prends plus de marge de puissance pour R1 et R2
Ok, donc ça veut dire qu'il vaut mieux affiner les resistances, quitte à ce que la puissance soit trop élevée, c'est bien ça ?
Du coup si c'est bien ça, est ce qu'en partant là dessus ça serait mieux ?

-10dB
R1---330R / 10,338W…………3,3R / 10W
R2---19,39R / 10,338W…………18R / 10W
R3---8R / 50W……..........……8,2R / 10W
R4---8R / 0W…….............……8R/1W

-13 dB
R1---2,2R / 8,461W……...……2,2R / 10W
R2---29,09R / 8,461W…………15R / 10W (2 en //)

-19 dB
R1---1R / 4,931W………......…1R / 10W
R2---64,13R / 4,931W…………33R / 10W (2 en //)

-23 dB
R1---0,56R / 3,052W………....…0,56R / 10W
R2---114,49R / 3,052W…………100R / 10W

-29 dB
R1---0,33R / 1,911W……....……0,33R / 2W
R2---192,95R / 1,911W…………180R / 2W

Merci de ton aide.
Denis13
  • Vintage Méga utilisateur
Ben déjà pour -10 et -13db R1 et R2 t'as pas de marge de puissance, le fichier te met 10w et tu les prends en 10w
Ensuite pour R1 à -10db il te faut 330R et tu prends 3,3R re

Et pour terminer tu te goures sur les résistances en //, où tu additionnes les valeurs alors qu'il faut les diviser par 2
Par exemple R2 à -13db il te faut 29.09R, si tu mets 2 résistances en // il faut les prendre de 58R chacune (60R fera l'affaire)
Idem pour R2 à -19db
Pour R2 à -23db, essaie plutôt d'en mettre 2 de 220 ou 240R en //
Pareil tjs pour R2 à -29db, essaie de t'approcher un peu plus de la valeur.

Ah, et si tu mets 10w pour R3 tu vas faire un joli barbecue avec ton atténuateur
100w me paraitrait plus raisonnable
Super, merci de ton aide.

J'ai corrigé les erreurs , ça donnerait ça (il me reste le R2 à -13dB que je n'arrive par à trouver, je n'ai pas trouvé de 58 ou 60 ohms, il faut que je continue de cherche).

-10dB
R1---3,3R / 10,338W………...…3,3R / 10W
R2---19,39R / 10,338W…………18R / 10W
R3---8R / 50W…………............8,2R / 50W
R4---8R / 0W…..................…8R/1W

-13dB
R1---2,2R / 8,461W………....…2,2R / 10W
R2---29,09R / 8,461W.…………27R / 10W
-19dB
R1---1R / 4,931W………........…1R / 10W
R2---64,13R / 4,931W………..…150R / 10W (2 en //)

-23dB
R1---0,56R / 3,052W………...…0,56R / 10W
R2---114,49R / 3,052W…………220R / 10W (2 en //)

-29dB
R1---0,33R / 1,911W………...…0,33R / 2W
R2---192,95R / 1,911W…………390R / 2W (2 en //)


Par contre en fait pour les 10W à -10dB, en fait mon ampli fait 20W et j'ai fait tous les calculs en partant sur un 50W, donc je pensais que prendre 10W pour 10,338 ça irait, c'est une erreur ?

Et pour le roto je voulais prendre ça, ca irait ?
Merci encore pour ton aide
Denis13
  • Vintage Méga utilisateur
Ah ok donc du coup pour les puissances c'est bon
Et R2 à 27R ça devrait aller aussi
Je n'ai pas de lien pour ton roto, mais il te faut un 2P6T (et la 6ème position, au lieu de la laisser libre câble la en bypass c'est pratique)
Denis13
  • Vintage Méga utilisateur
Ok pour le roto
Le câble tu peux descendre à 1mm2 ça suffit largement
Si tu colles bien tes résistances sur le boitier pour les laisser dissiper ça devrait le faire

Vérifie bien toutes les positions au multi avec de brancher ton ampli

En ce moment sur ampli...