Mécaniques mini sans trou de fixation

Varg-Djo
Bonjour à tous.

J'aimerais changer des mécaniques sur ma Laguna le924 Greg Howe.

Il me semble que ce sont des mécaniques plus petites que des meca standard.

Que le conseillez vous de mettre?
Si la possibilité d'avoir de l'auto bloquant se confirme pour ce modèle, je dis oui !

Merci.
Musicalement, Jordan.
Zeman
  • Special Supra utilisateur
  • #2
  • Publié par
    Zeman
    le
Sans trou de fixation, il y a les Sperzel trim lok, avec option e-z mount. A la place du téton, il y a deux petites pointes.
Elles sont petites, légères, bloquantes, réversibles et existent dans pas mal de finitions. Un seul défaut : pas données.
Varg-Djo
Zeman a écrit :
Sans trou de fixation, il y a les Sperzel trim lok, avec option e-z mount. A la place du téton, il y a deux petites pointes.
Elles sont petites, légères, bloquantes, réversibles et existent dans pas mal de finitions. Un seul défaut : pas données.


OK merci pour ta réponse je vais aller voir ça.

Ça existe bien en mini ??
Zeman
  • Special Supra utilisateur
  • #4
  • Publié par
    Zeman
    le
il n'y a qu'une taille, mais elle est compacte. Il doit y avoir les cotes sur leur site, si tu trouves pas, regarde sur Stewmac
Fenson66
Salut !

C'est pas vraiment mini des Sperzel mais c'est pas pour autant que ça passerait pas. A voir avec les dimensions.

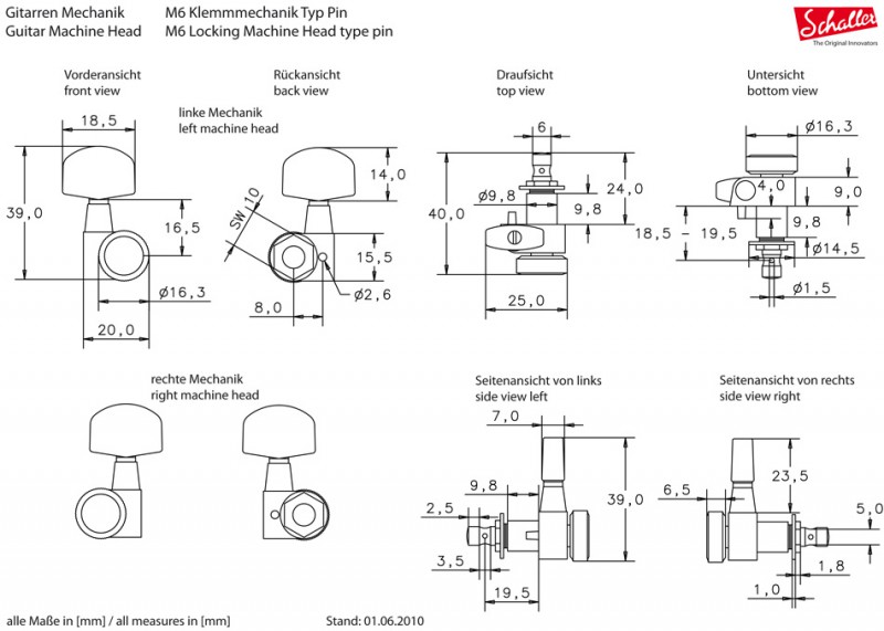
Perso je partirais sur des Schaller M6 :
https://www.emma-music.com/mec(...)3.cfm




Sinon, pourquoi tu veux changer de mécaniques ?
T'es sur une guitare avec sillet bloquant, la qualité des mécaniques n'a donc pas vraiment d'importance. Sauf à vouloir du bloquant pour leur aspect pratique (encore qu'on ne change pas de cordes tout les jours), ce serait plutôt du gaspillage d'argent.
Il ne faut pas compter sur ceux qui ont créé les problèmes pour les résoudre.

"La religion est une insulte à la dignité humaine. Que ce soit avec ou sans elle, il y aura toujours des gens bien qui font de bonnes choses, et des mauvais qui font de mauvaises choses. Mais pour que des gens bien agissent mal, il faut la religion." S.WEINBERG

https://www.droitaucorps.com/
Varg-Djo
Zeman a écrit :
il n'y a qu'une taille, mais elle est compacte. Il doit y avoir les cotes sur leur site, si tu trouves pas, regarde sur Stewmac


Merci pour l'info !
Varg-Djo
Fenson66 a écrit :
Salut !

C'est pas vraiment mini des Sperzel mais c'est pas pour autant que ça passerait pas. A voir avec les dimensions.

Perso je partirais sur des Schaller M6 :
https://www.emma-music.com/mec(...)3.cfm




Sinon, pourquoi tu veux changer de mécaniques ?
T'es sur une guitare avec sillet bloquant, la qualité des mécaniques n'a donc pas vraiment d'importance. Sauf à vouloir du bloquant pour leur aspect pratique (encore qu'on ne change pas de cordes tout les jours), ce serait plutôt du gaspillage d'argent.


Oui j'ai vu que Schaller faisait un modèle mini.

Je veux changer car les mécaniques manquent de précisions lors de l'accordage.
J'ai déjà changé le Floyd pour du Schaller et c'est top !
Biloute
  • Vintage Ultra utilisateur
  • #8
  • Publié par
    Biloute
    le
Les M6 mini sont tres bien !
Et au passage, les mécaniques à blocage avec la molette sous la mécanique s'appellent.................. des mécaniques à blocage ^^
Les mécaniques "auto bloquantes" c'est autre chose (pas de molette, pas de vis, le blocage se fait avec un cylindre interne qui coince la mécanique quand on tourne la clé)
la guitare c'est de la merde !
Zeman
  • Special Supra utilisateur
  • #9
  • Publié par
    Zeman
    le
Varg-Djo a écrit :
Je veux changer car les mécaniques manquent de précisions lors de l'accordage.

Tu n'as pas de sillet bloquant ?
Varg-Djo
Zeman a écrit :
Varg-Djo a écrit :
Je veux changer car les mécaniques manquent de précisions lors de l'accordage.

Tu n'as pas de sillet bloquant ?


Si mais il est marqué par le passage de la corde....ça en dit long sur l’accastillage de la gratte...lol
Je pense que je vais devoir mettre le sillet bloc corde floyd rose finalement.
Varg-Djo
10:15 a écrit :
Les M6 mini sont tres bien !
Et au passage, les mécaniques à blocage avec la molette sous la mécanique s'appellent.................. des mécaniques à blocage ^^
Les mécaniques "auto bloquantes" c'est autre chose (pas de molette, pas de vis, le blocage se fait avec un cylindre interne qui coince la mécanique quand on tourne la clé)


Oui je regarde les M6 mini aussi depuis un moment.
merci pour ton aide !
Zeman
  • Special Supra utilisateur
  • #12
  • Publié par
    Zeman
    le
Varg-Djo a écrit :
Si mais il est marqué par le passage de la corde....ça en dit long sur l’accastillage de la gratte...lol
Je pense que je vais devoir mettre le sillet bloc corde floyd rose finalement.

Tu veux dire que le sillet ne bloque plus et que tu t'accordes à la tête ?
Biloute
  • Vintage Ultra utilisateur
Euh... si t'as acheté un Lockmeister y a le sillet avec ^^ Je dis ça je dis rien, mais change le sillet (30 secondes) et t'as plus besoin de changer de meca (économies )
la guitare c'est de la merde !
Varg-Djo
10:15 a écrit :
Euh... si t'as acheté un Lockmeister y a le sillet avec ^^ Je dis ça je dis rien, mais change le sillet (30 secondes) et t'as plus besoin de changer de meca (économies )


Oui j'ai le sillet mais par soucis d’esthétique j'avais laissé l'ancien...

Et bien je pense que ça peut y faire de changer des méca qui ne sont pas hyper précises non??
Varg-Djo
Zeman a écrit :
Varg-Djo a écrit :
Si mais il est marqué par le passage de la corde....ça en dit long sur l’accastillage de la gratte...lol
Je pense que je vais devoir mettre le sillet bloc corde floyd rose finalement.

Tu veux dire que le sillet ne bloque plus et que tu t'accordes à la tête ?


Si il bloque mais moins qu'avant je trouve...lors de bon bend la corde perd un peu de justesse.....

En ce moment sur accessoires et Lutherie...