Amp geloso tubes restaurable et transformable en amp guitar?

Charles XL
Bonjour

Pensez vous que ce soit restaurable et transformable en ampli guitare par un bon tech?

Trouvé au garage: un ampli geloso g203 hf genre ampli hi fi des années '60. Il devrait développer 7 à 10 w et est doté de 2 12ax7 adzam en préampli et deux ecl82 -6bm8 (el84 je pense) en puissance.

Je ferai part de la suite du projet au fil du temps pour ceux que cela intéresse.



bonne soirée
cordialement

Charles


edit: j'ai trouvé sur le net les spécifications :

www.arimi.it/wp-content/Geloso(...)9.pdf

voir page 22 dans adobe reader



























oldamp
  • Vintage Méga utilisateur
  • #2
  • Publié par
    oldamp
    le
oui, tout à fait. tu compte beaucoup modifier le schema/cablage ou juste quelques adaptations pour la guitare en gardant les mêmes tubes ?
Charles XL
Salut Oldamp

Merci pour ta réaction.

Mon souhait est d'en faire un ampli le plus clean possible avec éventuellement une saturation des tubes de puissance si poussé à fond. donc garder la même configuration de tubes.


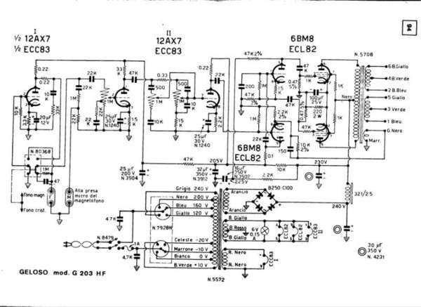
Je vais rajouter le schéma et les spécificités techniques du geloso tel quel. voir post au dessus.
Charles XL
Je vais demander à Manulonch qui habite pas trop loin de chez moi ce qu'il en pense.
manulonch
J'en pense que ça restera du chipotage sur base de vieux machin qui ne demandera qu'a tomber en panne, tout est vieux et sec à l'intérieur, idem pour les transfos...
Pour moi, un projet marrant si on le fait soi même, pas intéressant en passant par un pro.
Charles XL
hello Manulonch

Merci pour ta réaction. Au moins je suis fixé. C'est vrai que c'était pas gagné d'avance vu la vieillesse de l'ampli.

Bonne semaine

C
oldamp
  • Vintage Méga utilisateur
  • #7
  • Publié par
    oldamp
    le
bah ! c'est pas plus vieux que "Blackface" ! et l'age d'un transfo n'a pas d'influence. seuls les chimiques sont à changer, les résistances ont certainement dérivé un peu mais ça tourne quand mêê et les condos de liaison faut juste vérifier qu'ils ne fuient pas. si tu as le schéma, mets le !
Tom Taylor
oldamp a écrit :
bah ! c'est pas plus vieux que "Blackface" ! et l'age d'un transfo n'a pas d'influence. seuls les chimiques sont à changer, les résistances ont certainement dérivé un peu mais ça tourne quand mêê et les condos de liaison faut juste vérifier qu'ils ne fuient pas. si tu as le schéma, mets le !


Waah comment vous arrivez a voir tout ca juste avec les photos? Perso, du haut de ma totale ignorance en electronique, je ne vois qu'un truc propre. Curieux de connaitre les points qui vous permettent de tiquer!
oldamp
  • Vintage Méga utilisateur
  • #10
  • Publié par
    oldamp
    le
oui, c'est vrai qu'en valeur "marchande" ça ne va pas dépasser les 50€ ! et encore... c'est juste pour celui qui voudrait bricoler soi-même sinon effectivement en passant apr la case "pro" ça risque de ne pas être très rentable... en fait, il faut juste modifier l'entrée phono cristal (virer tout ce qui est filtre...) et la 1ere triode phono magnetique ne servira à rien... sinon faire éventuellement un vibrato simple ! ala AC4 !
jeff10
  • Vintage Top utilisateur
  • #11
  • Publié par
    jeff10
    le
Salut les gars!!!
Bon ....oui Manulonch ,ok ...mais là tu es tombé sur un novice ,donc essai d’être comme un condensateur pas sec

En fait ,moi j'ai fais la connerie de me séparer de mon geloso 70..de 90W
Dans tes fond s de tiroir ,look si tu n'a pas des composants dont tu n'en a plus l'utilité
De toutes facons ,on es tous passé par là = gamin
donc ....
j'aime ce symptôme et il faut qu'il y reste sur notre pauvre planete

Et Oldamp ,garde ce treeps
Charles XL
hello

ce n'est pas pour la valeur marchande et donc le revendre que je voulais le restaurer mais pour mon usage personnel.

cordialement
c
jeff10
  • Vintage Top utilisateur
  • #13
  • Publié par
    jeff10
    le
Mettre une terre et changer les condensateurs ,d'alim = les bleus en même valeur
Charles XL
salut jeff10

N'y connaissant rien en électronique, je ne peux me lancer dans cette aventure. Je m'en tiens à l'avis de Manulonch qui est le seul tech que je connaisse.

cordialement

c
jeff10
  • Vintage Top utilisateur
  • #15
  • Publié par
    jeff10
    le
Ok ,il peut te le faire

En ce moment sur ampli et préampli guitare...