-
PiPiRoSe
-
Vintage Cool utilisateur
Modifié le 20/02/2026 à 08:59
« Si tu prends 500 € à un travailleur pour donner 100 € à 5 paresseux, tu perds un vote mais tu en gagnes 5. Ça s'appelle le socialisme. » Elon Musk
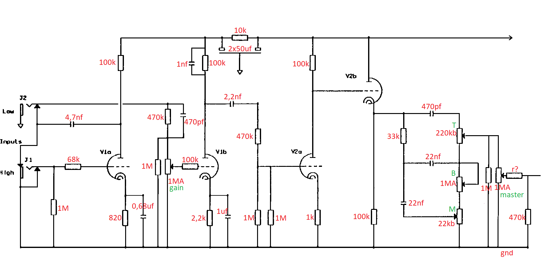
mon meilleur montage grâce au pcb d un ami :
https://www.casimages.com/u/pi(...)2817/
mon meilleur montage grâce au pcb d un ami :
https://www.casimages.com/u/pi(...)2817/




