Compréhension / modification Marshmall Valvestate 8040

  • #1
  • Publié par
    Toni44
    le
Salut à tous!

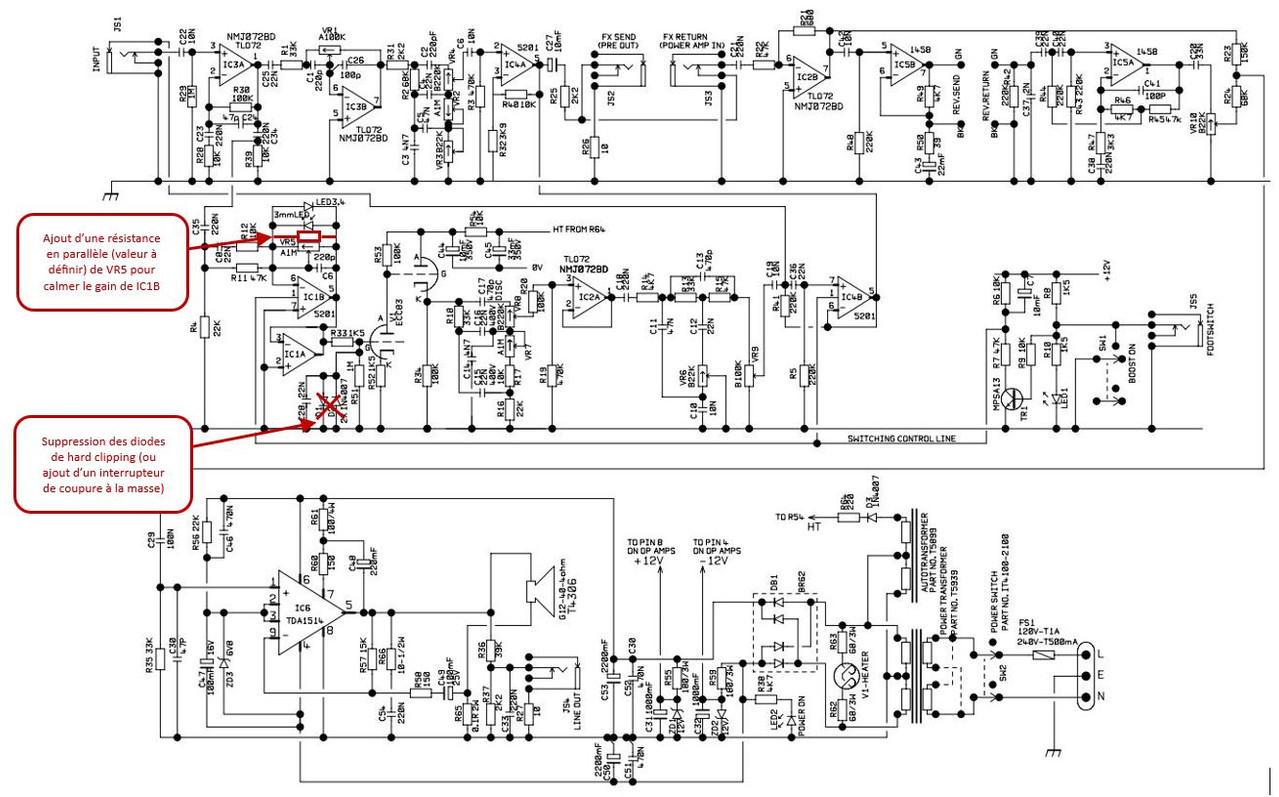
J'ai récemment récupéré un Marshmall Valvestate 8040 sur lequel j'ai remplacé tous les potards fatigués. Depuis l'ampli fonctionne plutôt bien mais j'aimerais un peu calmer le canal lead pour pouvoir obtenir un overdrive plutôt que cette disto assez vite (très) énervée... :aille:

Je me dis que c'est aussi l'occasion de comprendre ce schéma bien plus complexe que ceux sur lesquels j'ai l'habitude de bricoler (amplis à lampes simples / vintages...).

J'ai pris le temps d'étudier un peu la question et voici ou j'en suis dans ma réflexion :

Souhaitant calmer le gain du canal boost, j'ai décidé d'agir sur deux paramètres : le hard clipping et le gain de l'AOP IC1B en amont de la lampe :


L'idée serait donc de supprimer les diodes de hard clipping (ou d'ajouter un switch permettant une coupure à la masse de celles-ci) et de réduire le gain de l'AOP IC1B en ajoutant une résistance en parallèle sur le potentiomètre de gain.

Pour calculer le gain d'IC1B j'ai procédé de la sorte :


Etant novice dans le domaines des AOP, pourriez-vous me confirmer que c'est ok svp?

Que pensez vous de ces mods?

Je pensais également réduire la valeur de la résistance d'anode de la lampe pour augmenter un peu sa tension et ajouter un peu de headroom mais au vu des tensions utilisées (apparemment plutôt basses, il faudrait que je fasse un relevé) pas sur que ça change grand chose...

Autre question : Les condos chimiques de filtrage C50 C53 (alim transistor) et C44 45 (HT lampe) seraient à remplacer d'office selon vous?

Merci d'avance pour le coup de pouce ::
Transistorix
Bonsoir,

Un peu bizarre cet ampli Op Mitsubishi M5201
Ceci dit vous ne risquez pas grand chose à modifier les composants que vous avez indiqués.
Au pire ce sera une instabilité, mais cela m'étonnerai.

Pour rendre l'écrêtage un peu moins hard, je pense qu'on pourrait utiliser des diodes Germanium et modifier les gains en conséquence.

Quant aux condensateurs de filtrage s'ils n'ont pas dégazé, laissez les tranquilles pour l'instant.

Tx

Modifié le 19/04/2026 à 16:26
Viva Arverna liura !
  • #3
  • Publié par
    Toni44
    le
Transistorix a écrit :
Bonsoir,

Un peu bizarre cet ampli Op Mitsubishi M5201
Ceci dit vous ne risquez pas grand chose à modifier les composants que vous avez indiqués.
Au pire ce sera une instabilité, mais cela m'étonnerai.

Pour rendre l'écrêtage un peu moins hard, je pense qu'on pourrait utiliser des diodes Germanium et modifier les gains en conséquence.

Quant aux condensateurs de filtrage s'ils n'ont pas dégazé, laissez les tranquille pour l'instant.

Tx



Merci pour votre réponse

En quoi cet AOP est bizarre? Désolé, je commence à peine à m'intéresser aux AOPs, je suis un peu novice en la matière...

Ce sont les diodes D1 D2 (silicium?) que vous proposeriez de remplacer par des diodes germanium, c'est bien ca? Comme il y a déjà un soft clipping avec des LEDs sur la boucle de feedback de l'AOP et que l'écrêtage me semble vraiment hard (disto bien trop agressive), je pensais carrément shunter avec un switch les diodes D1et D2 en plus de calmer le gain de l'AOP... Ceci dit pourquoi ne pas tester avec des diodes germanium en laissant la possibilité de les shunter...

Ok pour les condos, j'ai souvent entendu qu'il était bénéfique de remplacer des condos de filtrage datant un peu...

Avez-vous également un avis sur la l'augmentation de la tension d'anode pour gagner un peu de headroom?

Merci
Modifié le 19/04/2026 à 16:33
Transistorix
Cet ampli Op est en fait constitué de 2 amplis en court circuit, l'un ou l'autre étant commuté par le Footswitch.

Pour info : Caractéristiques comparées des diodes et des Leds suivant la couleur :
Caractéristiques Diodes


Tx
Modifié le 19/04/2026 à 18:22
Viva Arverna liura !
  • #5
  • Publié par
    Toni44
    le
Transistorix a écrit :
Cet ampli Op est en fait constitué de 2 amplis en court circuit, l'un ou l'autre étant commuté par le Footswitch.

Ah ok, merci

Transistorix a écrit :
Pour info : Caractéristiques comparées des diodes et des Leds suivant la couleur :
Caractéristiques Diodes


Tx

Ah c'est top ça...
Si je traduis ces courbes en termes d'impact sur le signal audio ca veut dire que les diodes germanium vont écrêter plus rapidement en augmentant le gain mais d'une manière plus progressive que les diodes silicium alors que les leds vont écrêter tout aussi brutalement que les diodes silicium mais plus tardivement (donc avec ces dernières on gagne un peu en "headroom"), c'est bien ça?

Autre question, si je supprime tout simplement les diodes actuelles, je ne risque pas d'avoir une augmentation de volume importante? Du coup le fait de diminuer le gain de l'AOP serait indispensable non?

Je pense que me faire un montage avec des switch pour faire plusieurs configurations (comme une plateforme de tests...).

Merci

En ce moment sur guitare...