AMPLI MARSHALL : grésillement volume à zéro

Forum Marshall
Forums
peenduitre
salut à tous

j'ai dégoté un MARSHALL Lead 20 d'occaz
un tuerie d'ampli, des années 1980, mosfet inside, le son JCM800 en appart

il sonne très bien et tout,
mais il se passe un truc bizarre quand je mets le potard volume à zéro = un grésillement / ronflement apparaît...

si je monte le volume, ça disparaît immédiatement (?)
ça ne le fait que lorsque le potard est au minimu...

j'ai mis de la bombe contact, sans résultat.

je vous poste une video si je peux

avez vous une idée du problème ?

Merci d'avance
peenduitre
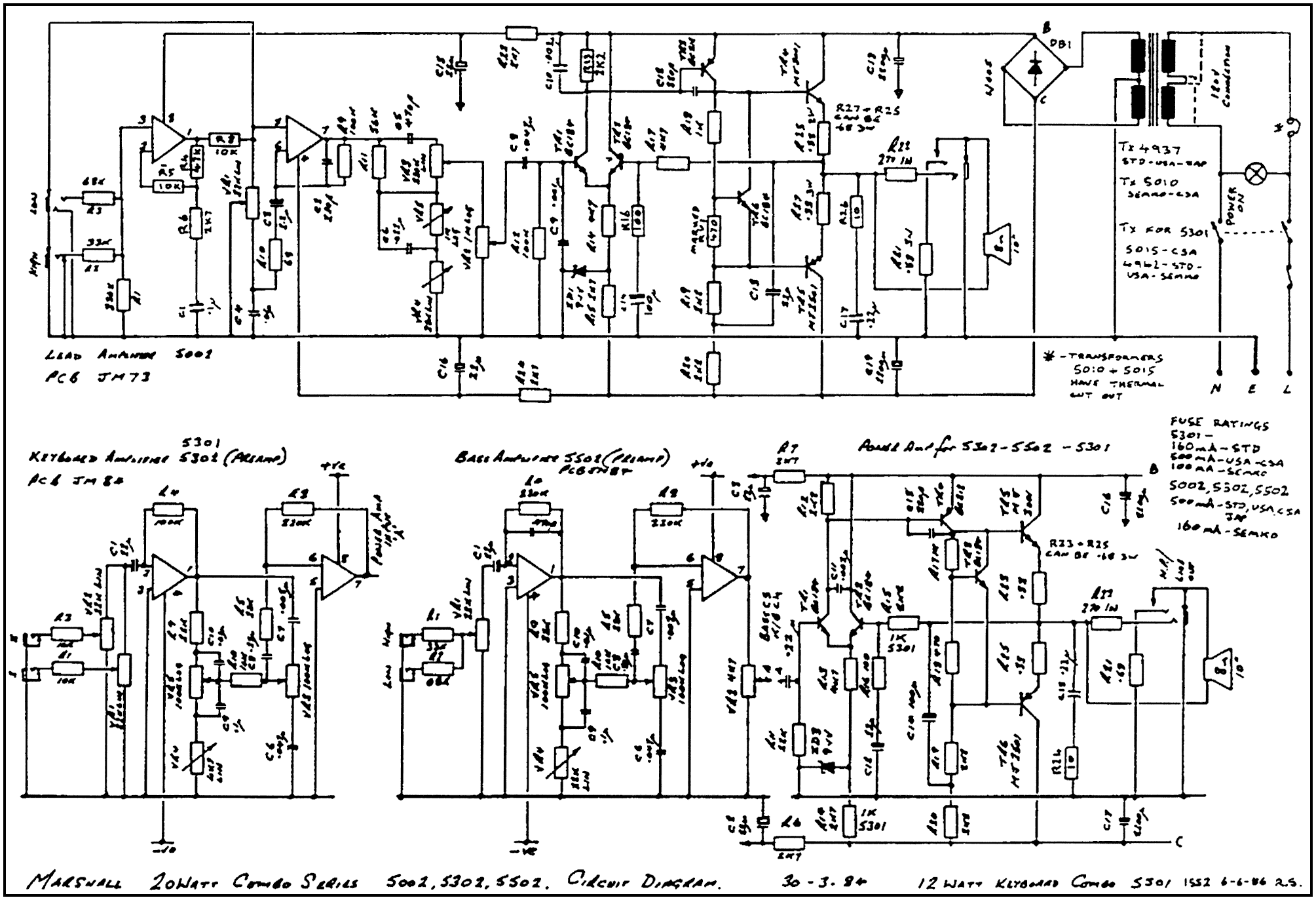
schema du Lead 20
"L'esprit c'est comme un parachute : s'il reste fermé, on s'écrase."
Frank ZAPPA
oldamp
  • Vintage Méga utilisateur
  • #3
  • Publié par
    oldamp
    le
Ce n'est pas la réponse que tu attends mais....... un ampli c'est fait pour monter le volume ! Et si dès que tu montes un peu c'est bon alors envoie le bois
peenduitre

pas faux...

Mais si un composant est sur le déclin ou si souci de masse , je préfère guérir que voir cramer ce petit bijou...
oldamp
  • Vintage Méga utilisateur
  • #5
  • Publié par
    oldamp
    le
Si tu mets le tone stack tput à zéro, t'as plus de son même en montant le volume. est ce que ça influe ?
peenduitre
Ça change rien...
Même grésillement,

Des je monte à 1 : ça disparaît...
Strange ?!
Mochi
  • Vintage Top utilisateur
  • #7
  • Publié par
    Mochi
    le
Ptet le potard de volume fatigué ? Laisse passer un peu de signal quand à zero ? Peu importe l'input j'imagine?
peenduitre
Oui c’est ça... un bruit de tension électrique.

C’est curieux que ça disparaisse complètement en tournent le volume à 1 (et plus) ...

Ça se peut que cela vienne d’un potard fatigué ?
"L'esprit c'est comme un parachute : s'il reste fermé, on s'écrase."
Frank ZAPPA

En ce moment sur ampli et préampli guitare et Marshall...