Chez qui acheter ses tubes en fait ?

Rappel du dernier message de la page précédente :
jeff10
  • jeff10
  • Vintage Top utilisateur
5.6V en filament =215V,pourquoi pas ...
voMIgrave
Bonjour à tous,

Je constate la même chose que TheSoulsRemain, j'ai aussi une variation de quelques volts en testant avec un multimètre basique et par moment de la journée ça se stabilise.

De ce constat avec un Metrix avec étalonnage secteur, je dois vérifier régulièrement et régler en conséquence car même pour quelques volts secteur d'écart, ça fausse légèrement les mesures sans être trop méchant non plus.

Normalement le mieux c'est d'avoir un traceur de courbe.

Lorsque l'on achète des tubes triés chez TT ou TAD, on est en droit d'avoir des mesures au moins équivalentes aux datasheets. Si ça ne va pas on leur renvoi jusqu'à obtenir un produit conforme, après tout on paie pour ça non ?

Tout le monde ne possède pas un lampemètre et pour l'utilisateur qui veux jouer sans se prendre la tête, le mieux c'est quand même de passer par un tech qui lui pourra checker si les tubes débitent bien et régler en conséquence pour la partie puissance.
NUFAN
  • Vintage Ultra utilisateur
sans déconner, vous vous trimballez avec votre multimetre partout où vous jouez?
et vous les calibrer comment vos testeurs de lampes?
...mais sur une pancarte juste à côté d'une table, c'est marqué "interdit les punks et les arabes"...
TheSoulsRemain
NUFAN a écrit :
sans déconner, vous vous trimballez avec votre multimetre partout où vous jouez?
et vous les calibrer comment vos testeurs de lampes?



De part mon métier, oui, c'est le premier truc à faire, tu poses tes vêtements et tu vérifies la tension secteur avec un électro, chef électro ou bloker.
Même en Zenith.

Le testeur de lampe genre U61 se règle avec un multimètre 4000 points par exemple.
Donc tu règles les tensions grossièrement avec avec les afficheurs puis tu affines avec un outils de mesure externe plus précis.
Les points de mesures sont tous à borniers externes
oldamp
  • Vintage Méga utilisateur
Faudrait rechercher dans les pages précédentes, sans doute assez loin, mais j'avais trouvé (doc des années 50/60) les courbes de distribution des valeurs des tubes avec les tolérances admissibles pour considérer le tube comme "bon pour le service". C'est une courbe de Gauss. Me semble me souvenir que c'est de l'ordre de +-20% pour le courant, soit, pour une 12AX7 à 1.2 mA théorique, de 0.76 à 1.44 mA mais que la moyenne des tubes d'un lot se situe plutôt entre +-10%. C'est un peu plus serré pour le Gm...
NUFAN
  • Vintage Ultra utilisateur
moi je prends tous les tubes "hors specs", n'hésitez pas hein!
...mais sur une pancarte juste à côté d'une table, c'est marqué "interdit les punks et les arabes"...
TheSoulsRemain
oldamp a écrit :
Faudrait rechercher dans les pages précédentes, sans doute assez loin, mais j'avais trouvé (doc des années 50/60) les courbes de distribution des valeurs des tubes avec les tolérances admissibles pour considérer le tube comme "bon pour le service". C'est une courbe de Gauss. Me semble me souvenir que c'est de l'ordre de +-20% pour le courant, soit, pour une 12AX7 à 1.2 mA théorique, de 0.76 à 1.44 mA mais que la moyenne des tubes d'un lot se situe plutôt entre +-10%. C'est un peu plus serré pour le Gm...


Oui il faut regarder la pente aussi
califev
NUFAN a écrit :
sans déconner, vous vous trimballez avec votre multimetre partout où vous jouez?
et vous les calibrer comment vos testeurs de lampes?


Oui , dans ma petite valise de secours j'ai des fusibles , des tubes , des cordes , un jack instrument et un jack ampli , et un multimetre.
C'est mieux pour savoir si je mets mon switch de tension sur 220 ou 240v.

Je te vois déjà rigoler derriere ton ecran mais , sérieux , quand on voit ce qu'on trimballe pour un"gros" concert , sans compter des fois une sono complete , un multimetre de plus ou moins ca change pas grand chose.
TheSoulsRemain
NUFAN a écrit :
moi je prends tous les tubes "hors specs", n'hésitez pas hein!


Tu as des fusibles d'avances ?
califev
Le fusible c'est le tube transparent , que , quand il saute , il faut remplacer par un morceau de papier alu , c'est ca?
NUFAN
  • Vintage Ultra utilisateur
TheSoulsRemain a écrit :
NUFAN a écrit :
moi je prends tous les tubes "hors specs", n'hésitez pas hein!


Tu as des fusibles d'avances ?

on parlait de 12AX7 non?
...mais sur une pancarte juste à côté d'une table, c'est marqué "interdit les punks et les arabes"...
NUFAN
  • Vintage Ultra utilisateur
califev a écrit :
Le fusible c'est le tube transparent , que , quand il saute , il faut remplacer par un morceau de papier alu , c'est ca?

t'es pas fou...du 6mm2 ça suffit.
...mais sur une pancarte juste à côté d'une table, c'est marqué "interdit les punks et les arabes"...
TheSoulsRemain
NUFAN a écrit :
TheSoulsRemain a écrit :
NUFAN a écrit :
moi je prends tous les tubes "hors specs", n'hésitez pas hein!


Tu as des fusibles d'avances ?

on parlait de 12AX7 non?


Entre autre
buz74
  • Special Total utilisateur
Bonjour,
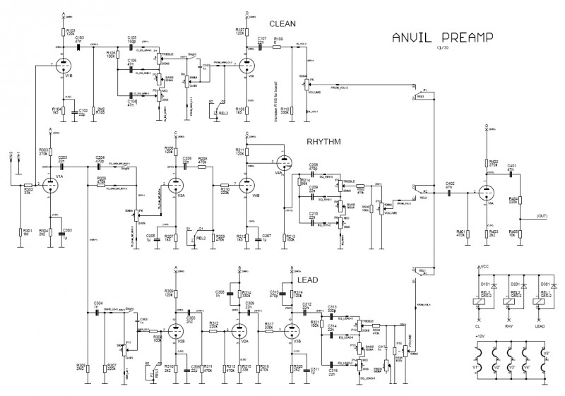
J'aimerais changer les tubes 12ax7 de mon préamp "Anvil de Andy Zeugs". C'est un préamp en kit inspiré par un slo mais un peu différent.

Voilà le truc :

schéma elec


En gros je l'utilise avec un torpedo cab, et j'aimerais pour un clean qui le reste jusque tard avec des simples, un crunch bien burné et un lead bien percussif, pas trop brouillon avec des basses bien nettes et des aigus qui ne vrillent pas les tympans.


Pour résumer le circuit (pardonnez l'absence de termes tech je suis une bille en élec, enfin à peine mieux vu que j'ai réussi à monter le bouzin et lui faire 2-3 mods )

On a V1 en entrée pour tous les canaux

Puis pour le clean :
EQ -> Gain -> V5 B -> Vol

crunch :
Gain -> V3 A -> V4 B -> V4 A -> EQ -> Vol

lead :
Gain -> V2 B -> V2 A -> V3 B -> EQ -> Vol

Et enfin V5 A en sortie


Merci
pur produit de HAUTE savoie
oldamp
  • Vintage Méga utilisateur
Mais tu mets le même post partout !
MisterRoboto
***MISTER ROBOTO V2.1***
9358 BYTES FREE
READY
----------------------------------
Bonjour chers Guitaristespointcommeux.

Je m'intéresse de plus en plus à la problématique des tubes. Et je constate, dans ma région, qu'aucune solution de test n'existe. Pour simplement prendre notre local de répétition, nous sommes pas moins de 16 guitaristes, qui pourrions bénéficier grandement de ces connaissances, si quelqu'un venait à les acquérir. En comptant leurs relations, on dépasse rapidement la trentaine.

Est-ce que vous savez qui peut prodiguer des cours pour effectuer du test de tubes ?
Existe-t'il des ouvrages permettant d'en apprendre d'avantages ? Peut-on se former sois-même à cet art ?

De même, je constate que des machines neuves pour le test de tubes existent. Mais n'ai aucune idée de leurs qualités/défauts. Il me semble comprendre que les vieilles machines sont très biens, mais nécessitent un entretiens et un calibrage qui fait maintenant défaut.

Du coup, que valent les machines neuves comme le Beck RM1
http://www.beck-elektroakustik.de/ ?
--------------------------------------
END PROGRAMM
MisterRoboto n'as pas de sentiments. Mister Robot ne comprend pas la haine, la mesquinerie, la moquerie, il n'a pas été programmé pour de tels sentiments. MisterRoboto se base sur des faits objectifs. MisterRoboto est en ligne et connecté à d'autres sites. MisterRoboto a parfois des bugs et ne comprend pas une question ou une donnée. MisterRobo a un interface communiquant en Basic, version Dos en cours d'élaboration.

En ce moment sur ampli et préampli guitare...