Mon potard de présence fait un bruit de fond, c’est normal ?

Forum Marshall
Forums
Marco-
  • Special Cool utilisateur
  • #1
  • Publié par
    Marco-
    le
Bonjour, j’ai une question à poser à ceux qui s’y connaissent ou à ceux qui possèdent le même ampli que moi si quelqu’un peut m’éclairer je possède un Marshall, 1959 hw je l’ai reçu y’a pas très longtemps, il marche nickel. Le problème c’est quand je tourne le potard de présence il fait un bruit de fond, je voudrais savoir si c’est grave ou pas en gros si je le laisse comme ça ou si je dois le faire réparer je vous ai mis une vidéo. Dites-moi ce que vous en pensez si je dois faire réparer ou si c’est normal[quote]
Mechanix
Oui c'est normal. J'avais lu que c'était dû à la façon dont le potard est implémenté.
J'ai le même bruit sur mon clone de Marshall.
Transistorix
JMP 50w

Bonjour,

Peut être bien que Oui, Peut être bien que Non.

Si cela se produit alors que tous les volumes sont à zéro, il y a un problème.
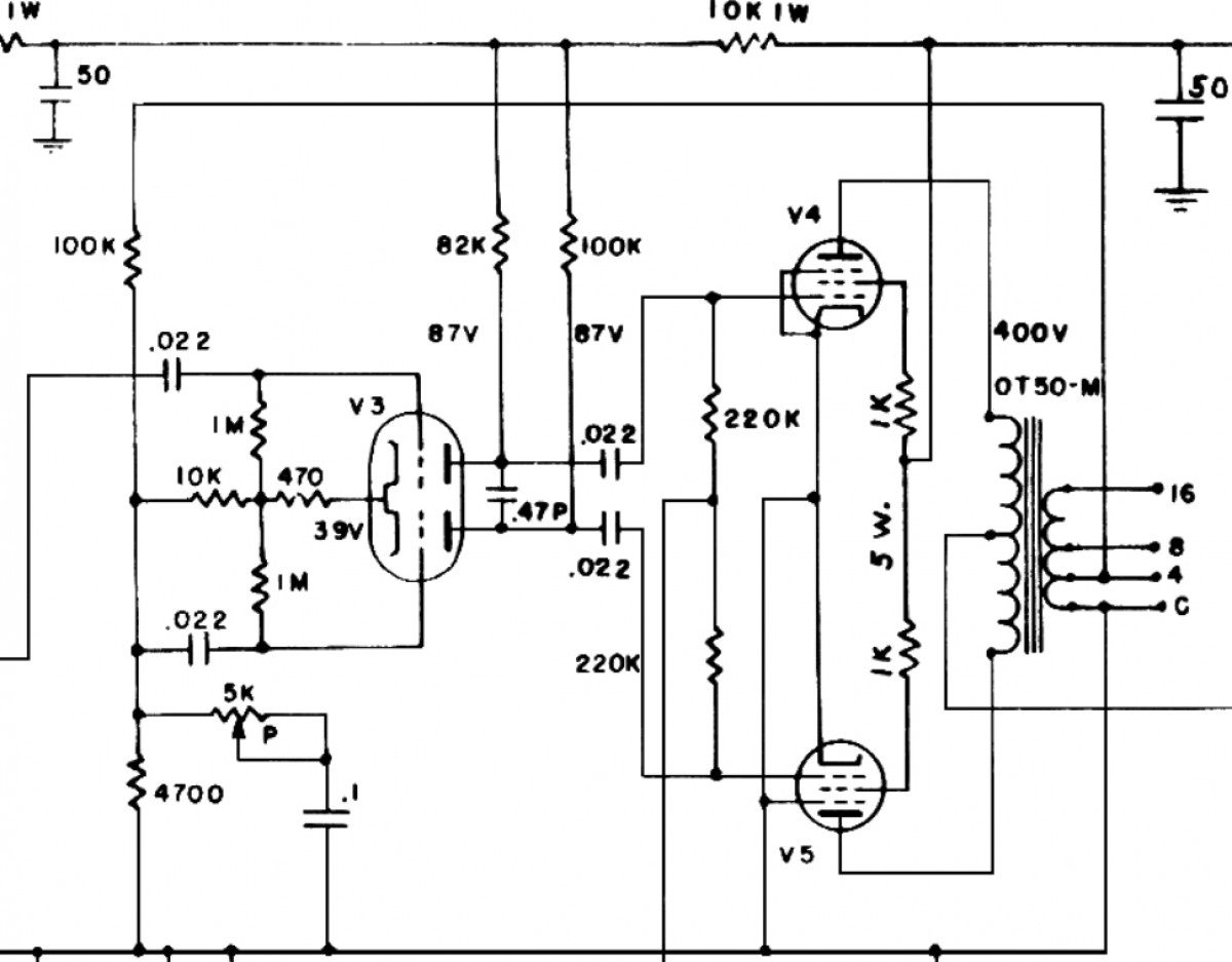
Le condensateur de liaison .1 du potar P fuyard ou un défaut d'isolement feraient la même chose.

En 1959 on utilisait pas de mal de condensateur papier qui sont tous fuyards.

Faut voir....
...un train peut en cacher un autre !

Tx
Viva Arverna liura !
Marco-
  • Special Cool utilisateur
  • #4
  • Publié par
    Marco-
    le
Merci à vous tous pour vos réponses. Bon bah je vais voir mon réparateur d’ampli qui est à côté de chez moi je vais voir ce qu’il en pense en soi, c’est pas gênant, mais comme tu as dit ça peut entraîner quelque chose d’autre espérant qu’il a rien
Doug_Watson
Si c'est branché comme ça (SLP réissue...) c'est normal. Il y a une tension continue sur le potar et le mouvement du curseur provoque un léger bruit de chuintement !

«Je ne suis pas sûr qu'on défende une civilisation en semant soi-même la barbarie.» E. Macron
Non, je n'ai pas rencontré Frankenstein et Epstein au Lichtenstein !
Doug_Watson
Transistorix a écrit :

En 1959 on utilisait pas de mal de condensateur papier qui sont tous fuyards.


Tx


Le Marshall "1959" n'est pas de ....1959 ! Le premier JTM45 est de 1962... Surtout dans le cas évoqué, reissue moderne ! Et Marshall n'a jamais utilisé de condo papier !
«Je ne suis pas sûr qu'on défende une civilisation en semant soi-même la barbarie.» E. Macron
Non, je n'ai pas rencontré Frankenstein et Epstein au Lichtenstein !

En ce moment sur ampli et préampli guitare et Marshall...