Cablage telecaster

Mat2a
  • Special Cool utilisateur
  • #1
  • Publié par
    Mat2a
    le
Bonjour, j ai un soucis, j ai recu un cablage pre soudé pour telecaster,mais je comprend rien au niveau du switch 3 voie. Pouvez vous me dire ou soudé les cable des micro ect, le cable deja soudé vient des potard
https://zupimages.net/viewer.p(...)d.jpg
corto30
  • #2
  • Publié par
    corto30
    le
Tele


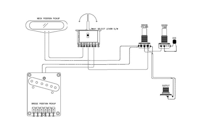
Essaie ça, verifie si le fil jaune est bien cablé comme là
Les valeurs des potar du schema n'en tient pas compte.

Edit : manque la mise à la masse du chevalet (mais parfois ça marche mieux sans...)
Nutrisco et Extinguo
Mat2a
  • Special Cool utilisateur
  • #3
  • Publié par
    Mat2a
    le
Ca marche enfin! Merci !
Mat2a
  • Special Cool utilisateur
  • #4
  • Publié par
    Mat2a
    le
J ai par contre un soucis, quand je touche pas le chevalet avec ma main j ai un gros bruit parasite
Zoob
  • Custom Ultra utilisateur
  • #5
  • Publié par
    Zoob
    le
Mat2a a écrit :
J ai par contre un soucis, quand je touche pas le chevalet avec ma main j ai un gros bruit parasite
bah il faut le mettre a la masse dans ce cas
"Et c'est tout, terminé !"
Mat2a
  • Special Cool utilisateur
  • #6
  • Publié par
    Mat2a
    le
Je l'ai mise j ai mis le cable sous le chevalet
Zoob
  • Custom Ultra utilisateur
  • #7
  • Publié par
    Zoob
    le
Mat2a a écrit :
Je l'ai mise j ai mis le cable sous le chevalet
bah revois ton truc, c'est clairement un prob de masse au chevalet pour moi, assure toi que la partie dénudée de ton cable fait bien contact avec le chevalet
"Et c'est tout, terminé !"

En ce moment sur guitare...