Ampli bidouille

Rappel du dernier message de la page précédente :
BOPAPA30
Je vais regarder le Bias, le modifier certainement.
- Partisan de la lutte contre les coupeurs de médiums -
-"Ceryz": Non, pour la disto je switche sur un MG15, je suis pas fou quand meme... -
BOPAPA30
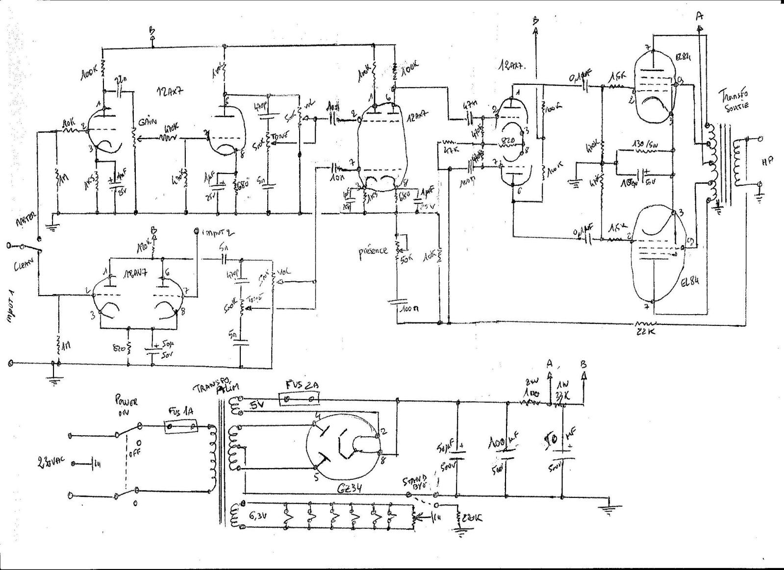
Bon, j'ai rajouté une résistance de 1,5K sur les entrée 2 des EL34, et monté la valeur du condo sur les entrées 3 à 100yf.



D'autres choses sur la schéma ? .... je vais m'attaquer à l'implant : il faut que je me fasse un chassis. ( perçage, pliage,... )
- Partisan de la lutte contre les coupeurs de médiums -
-"Ceryz": Non, pour la disto je switche sur un MG15, je suis pas fou quand meme... -
BOPAPA30
Implantation et perçage des principaux composants:

vu de dessus:



de dessous:



Il me faudra certainement agrandir les trous des potards suivant les modèles employés, faire aussi quelques petites trous pour la fixation de ou des barrettes composants, aussi la découpe de la fiche secteur. Mais ça peut se faire après le pliage.( je suis en congés pour 15 jours, et la machine est à la boite... va falloir patienter... )

Du coup, je vais vérifier si j'ai tout le matos, sinon, passer commande, et m'attaquer à la partie "menuiserie". ( et c'est pas gagné.)
- Partisan de la lutte contre les coupeurs de médiums -
-"Ceryz": Non, pour la disto je switche sur un MG15, je suis pas fou quand meme... -
BOPAPA30
Nouvelle étape aujourd'hui:

J'ai continué à percer le chassis ... en effet, je pense rajouter une EF86 en commut Clean sur l'entrée de la ECC82 libre, et y adjoindre un Switch " Brillance ", ainsi qu'un autre Switch pour la Triode/Pentode, Histoire d'avoir un son " à la Vox". Je posterai le schéma finalisé dès que je l'aurai mis au propre.

Puis passé la commande de certaines pièces qui me manque, exemple des portars " neufs". ( ce serait dommage d'avoir des faiblesses de ce coté.

Enfin, je suis passé chez mon "Bricochose" préféré, pour acheter du contre-plaqué peuplier de 20 sans oublier la colle qui va bien.

Découpage, montage, avec un 12" Peavy comme gabarit, ça donne déjà un aperçu.





Il faut que je m'attaque au ponçage: arrondir les angles, les arrêtes, toussa ... le coté chiant ... demain, si j'ai le temps.
- Partisan de la lutte contre les coupeurs de médiums -
-"Ceryz": Non, pour la disto je switche sur un MG15, je suis pas fou quand meme... -
oldamp
  • Vintage Méga utilisateur
  • #19
  • Publié par
    oldamp
    le
t'as mis des vis... alors je ne sais pas si la fraise 1/4 de rond va pas toucher en faisant les arrondis.... j'ai une technique pour assurer la santé des fraises : je mets les vis le temps que ça colle bien, puis je les enlève et agrandis les trous à 6 mm pour mettre des tourillons. par contre il faut en mettre plus, disons un tous les 10/12 cm.
BOPAPA30
On voit l'expérience.

merci du tuyau.



Edit:
Citation:

je pense rajouter une EF86 en commut Clean sur l'entrée de la ECC82 libre, et y adjoindre un Switch " Brillance ", ainsi qu'un autre Switch pour la Triode/Pentode, Histoire d'avoir un son " à la Vox".


Deux canaux Clean quoi.

T'en penses quoi ?
- Partisan de la lutte contre les coupeurs de médiums -
-"Ceryz": Non, pour la disto je switche sur un MG15, je suis pas fou quand meme... -
oldamp
  • Vintage Méga utilisateur
  • #21
  • Publié par
    oldamp
    le
attention, les EF86 sont sujetent à la microphonie ! je pense que c'est mieux de mettre une triode en entrée et l'EF ensuite pour plutot profiter de son crunch sans rajouter trop de bruit en lui donnant assez peu de gain (Ra 47k ?). deux étages "faible gain" à la suite...
BOPAPA30
Microphonie ? elles sont pourtant connues pour leur faible bruit.

http://bpcv.free.fr/Musee/F/pd(...)r.pdf

Pour le cabe, t'as raison pour les vis, je vais faire ton "truc" avec des chevilles bois.

La ou je vais être emmerdé, c'est pour les coins, j'ai pris du 20mm : je serai obligé de mettre des protèges-coins sans retour.
- Partisan de la lutte contre les coupeurs de médiums -
-"Ceryz": Non, pour la disto je switche sur un MG15, je suis pas fou quand meme... -
BOPAPA30
Voilà, ce matin:

- remplacement des vis, comme tu me l'a conseillé, heureusement, , perçage à 6 et mise en place des chevilles bois + colle. ( 1 tous les 10cm )

- pose à l'intérieur, de 4 renforts ( vissés eux ) histoire d'assurer.

Il faut que j'attende un peu le séchage, et je m'attaque aux arrondis.
- Partisan de la lutte contre les coupeurs de médiums -
-"Ceryz": Non, pour la disto je switche sur un MG15, je suis pas fou quand meme... -
oldamp
  • Vintage Méga utilisateur
  • #25
  • Publié par
    oldamp
    le
pour l'EF86, tu as raison, c'est une faible bruit mais le pb c'est qu'elle devient petit à petit microphonique quand soumise à des fortes vibrations, comme dans un combo guitare !
BOPAPA30
oldamp a écrit :
pour l'EF86, tu as raison, c'est une faible bruit mais le pb c'est qu'elle devient petit à petit microphonique quand soumise à des fortes vibrations, comme dans un combo guitare !


Je pense dans ce cas, que je la monterai sur un support "tampon" plutôt qu'un céramique. Et je lui mettrait un blindage, ( comme sur les 12AX) ( même si ces lampes n'en ont pas besoin) avec le ressort intérieur pour la maintenir. Puis on verra aux essais.

'fin, cet aprem' menuiserie:

- arrondir les angles .... je n'ai pas de défonceuse, et vu le prix d'une neuve , j'ai "magouillé":

- prêt ( par un pote d'un "foret" ? à faire les angles arrondis.)

- petite transformation ( réversible) de ma perceuse:

Percer deux trous dans la poignée, la fixer sur des tasseaux pour avoir la bonne hauteur, affiner le réglage avec la poignée ou directement sur le mandrin. Les tasseaux supports servant de guide. Et voilà ma défonceuse prête à l'emploi.



- et voila le travail, finition à la main, bien sur, au papier verre.





Je me suis légèrement planté sur un coin, mais presque rien: cela devrait passer inaperçu au final.

En bas du caisson, on voit un des renforts que j'ai rajouté.

Pour protéger le bois, à l'intérieur, j'ai choisi de le peindre couleur "Chaume" ... vu que le tolex sera beige, qu'il me reste un pot de cette couleur aussi, et que j'en ai un peu marre de voir du noir partout ...
- Partisan de la lutte contre les coupeurs de médiums -
-"Ceryz": Non, pour la disto je switche sur un MG15, je suis pas fou quand meme... -
BOPAPA30
Picasso est passé par là....



2 couches..

Dès fois, je me demande si c'est pas moi qui en tiens une ...


Me reste plus qu' aller voir N.O.S pour le grill et le tolex...
- Partisan de la lutte contre les coupeurs de médiums -
-"Ceryz": Non, pour la disto je switche sur un MG15, je suis pas fou quand meme... -
oldamp
  • Vintage Méga utilisateur
  • #28
  • Publié par
    oldamp
    le
si tu veux un aspect correct du tolex, n'hésite pas à passer de la pate à bois sur tous les défauts et à bien poncer, le tolex ne masque pas les défauts ! j'utilise "reboucher bois" de Tout Pret.
et bravo pour la défonceuse Mc Gyver !!!!
BOPAPA30
Ca y est, j'ai mon Tolex, le Grill Cloch ( N.O.S AMPS ) et la néoprène. Si j'ai du courage, ( et s'il fait pas trop chaud: ils nous annoncent encore 35° ) je m'y attaque ce week-end. Ce sera la première, mais il en faut bien une.

Je mettrait certainement un piping, je n'en ai pas, mais j'ai ma petite idée pour ça.

J'ai pratiquement fini la présentation des inscriptions du chassis sur word, faut simplement que je fignole pour pouvoir le mettre sur transfert.
- Partisan de la lutte contre les coupeurs de médiums -
-"Ceryz": Non, pour la disto je switche sur un MG15, je suis pas fou quand meme... -
BOPAPA30
Aujourd'hui, Tolex:







J'ai choisi d'appliquer des feuilles d'alu autocollantes à l'intérieur du caisson: le chassis de la partie ampli n'étant pas totalement fermée.



et le fameux piping:

- Partisan de la lutte contre les coupeurs de médiums -
-"Ceryz": Non, pour la disto je switche sur un MG15, je suis pas fou quand meme... -

En ce moment sur ampli...