Quel HP (10", 4 Ohms) ?

ChopSauce
Bonjour,

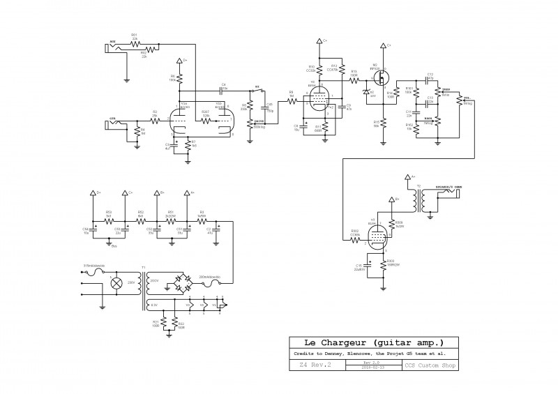
Jai cablé ça (single ended EF86 -> EL84)



dans une boîte de chargeur de batterie auto



Bref, j'ai une tête à lampe de faible puissance qui produit quelques 3 watts environ de son plus ou moins propre - c'est à dire au max faiblement distordu.

J'ai un cab TT en pin pour un 10" dans lequel j'ai casé - à la défonceuse - un 12" pour des essais - mais ça sonne fort boxy.

Donc je cherche un HP comme indiqué (10", 4 Ohms) mais je ne sais pas trop quoi choisir.

J'aurais tendance à acheter un Jensen 10" premier prix (35 Watts) - le MOD mais je serais curieux de savoir si vous avez d'autres suggestions ?

Je veux dire, par exemple est-ce que le MOD 50 Watts vaut largement la différence de prix ?
Invité
  • #2
  • Publié par
    Invité
    le
J'irais plus vers du Eminence que du Jensen. Ou vers du Celestion ou du WGS
ChopSauce
Tu as vu un Celestion 10" de 4 Ohms ?

Je me suis trompé pour les Jensen, aussi. Le MOD 35 ne se fait pas (ou plus) en 4 Ohms ...
Invité
  • #4
  • Publié par
    Invité
    le
ChopSauce a écrit :
Tu as vu un Celestion 10" de 4 Ohms ?

Je me suis trompé pour les Jensen, aussi. Le MOD 35 ne se fait pas (ou plus) en 4 Ohms ...


Je n'ai regardé aucun haut-parleur, je me suis contenté de nommer des marques que je trouve meilleures que Jensen.
À toi de voir.

E pourquoi as-tu choisi un transfo 4 ohms ?
ChopSauce
J'ai réglé mes principaux soucis, merci !

Juste j'ai suivi un peu trop à la lettre les prescriptions de Merlin et j'ai abaissé à 70 environ le gain de l'EF86. Du coup je trouve un peu trop faible ...

En tout cas le montage en "anode mixer" pour les deux entrées aux et guitare fonctionne à merveille. Moins de bruit qu'avec un montage du type Greta et un peu de boost pour l'EF86, en plus.

Pourquoi un transfo de champ en 4 Ohms ?

Je n'avais que ça sous la main, il est assez petit pour rentrer dans cette petite boite ...

Je fabriquerais un cab pour une autre taille de HP, sinon - tant pis -

PS A choisir je préfèrerai un Celestion à un Jensen, moi aussi
(surtout pour un ampli d'inspiration UK)
oldamp
  • Vintage Méga utilisateur
  • #7
  • Publié par
    oldamp
    le
Pour les bruits, un plan de câblage rationnel est important ! Les HP 4 ohm sont très rares... Mais si le cab était "boxy" avec un 12" pas de raison qu'il le soit beaucoup moins avec un 10"...
ChopSauce
Le cab est un TT (Lemberg) prévu pour un 10"

Pour les bruits, beh j'avais des capa de filtrage en l'air ...
Invité
  • #9
  • Publié par
    Invité
    le
Un ampli "single end" sera toujours bruyant, contrairement a un push-pull où les phases des 2 tubes contribue beaucoup a éliminer le bruit.


La disposition physique des fils est très importantes, il ne doivent pas être près d'une source AC où s'il le sont être disposé de façon a ne pas capter le AC ou être blindé.
À voir les photos il y a du travail a faire de ce côté.

Un de jack d'entrés n'a pas de contact de mise à la masse: il peut servir d'antenne pour capter les bruits si aucune guitare n'y est branchée.
L'autre, celui du "bas" à ce contact. Est 'il fonctionel ?
Invité
ChopSauce a écrit :
Le cab est un TT (Lemberg) prévu pour un 10"

Pour les bruits, beh j'avais des capa de filtrage en l'air ...


Tu devrais le mentionner sur ton autre forum pour clore le sujet et renseigner ceux qui t'on suivis.
ChopSauce
Ah oui, tiens : j'avais oublié de clôre ce sujet. Il faut dire que ce petit montage n'avait pas déclenché une vague d'enthousiasme délirant parmi les nombreux pros US du forum

Pour ce qui est du cablage, je ne suis pas d'accord. Tout est bien séparé et bien cablé ...
(il faut que je vérifie la concordance entre cablage des masses effectif et schéma, nonobstant)

L'ampli est bien silencieux d'ailleurs. Du moins largement moins bruyant que le Fender Frontman 25 que j'avais avant.

Une chose importante au sujet du bruit - que j'avais oubliée - par contre :

Le principal souci du montage précédent (mis à part les erreurs de cablage, corrigées) c'était le circuit d'entrée aux/gtr.

J'avais cablé comme le Fender Greta : un réseau de résistances. Ca "prenait" plein de bruits.

J'ai modifié ça en "anode mixer" comme indiqué par Merlin Blencowe. C'est sans comparaison. Bien plus silencieux.

Je me demande même - après coup - si ce n'est pas à cause de ce réseau de résistances en entrée que le Greta s'est vu doté d'une inductance sur le circuit d'alimentation
Invité
ChopSauce a écrit :
Ah oui, tiens : j'avais oublié de clôre ce sujet. Il faut dire que ce petit montage n'avait pas déclenché une vague d'enthousiasme délirant parmi les nombreux pros US du forum

Pour ce qui est du cablage, je ne suis pas d'accord. Tout est bien séparé et bien cablé ...

Si tu n'as pas de bruit s'en est bien la prueve


Câble ;Si tu n'as pas de bruit s'en est bien la preuve que tout est bien.

Clore le sujet ; trop spécialisé pour attirer les foules mais les membres qui ont suivis méritent un retour.

Bravo pour ton projet réussis.
ChopSauce
Pour en revenir au sujet du HP ...

- des avis sur le Jensen P10R

Je ne suis pas trop alnico pour les HP mais c'est peut-être meilleur que les MODs ?
Invité
Je préfère de beaucoup les céramiques que les alnicos comme ce P10R


Des avis ? google et ici même ;

https://fr.audiofanzine.com/ha(...)avis/


En fait ces p10r sont aggressifs, ont des médiums maigrichons, et beaucoup trop de basses en 410 (mais ca c'est normal).
Le hic c'est que leur son est étriqué et coin-coin, et ne supporte pas bien le saturax.
ChopSauce
Les samples disponibles sur le site de Jensen sont assez fidèles, alors

En ce moment sur ampli...