Fabrication d'un clone de Princeton avec 2 magnétos à lampe

nasdak
  • Custom Top utilisateur
  • #1
  • Publié par
    nasdak
    le
Salut à tous

j'ai dégotté cet appareil :


C'est un magnétophone, amplification à lampes, avec 2 hp et 2 amplifications (graves et aigus).
Puissance 2 watts

entrée microphone et PU (pickup)

L'idée est d'essayer de l'adapter pour jouer de la gratte dessus

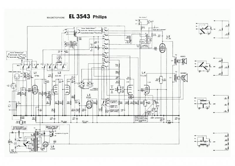
Le schéma :


Jusqu'ici j'ai mis un cordon avec prise de terre, regardé à l'intérieur - c'est un sacré bordel - et branché la gratte sur l'entrée PU : ça marche mais son très faible et l'entrée micro : ça marche mais son tout distordu

Sur le schéma je cromprends que l'entrée PU c'est celle qui est juste à côté de P1, l'entrée micro celle juste au dessus.

J'ai envie de tenter de :
- diminuer R5 pour s'approcher d'une résistance de grille de fender (34k)
- enlever P1 et le remplacer par une 1M pour avoir une impédance de 1M

Je précise que je suis grand débutant !

Merci de vos avis
oldamp
  • Vintage Méga utilisateur
  • #2
  • Publié par
    oldamp
    le
oui, et aussi dessouder le fil qui va au curseur de P2, tu peux laisser en place R4C24 qui ne seront plus en contact ! mais du coup tu ne peux plus "lire" de bandes....
nasdak
  • Custom Top utilisateur
  • #3
  • Publié par
    nasdak
    le
pas grave pour les bandes
c'est un tel bordel à l'intérieur que je vais déjà avoir du mal à trouver où se trouvent ces composants
et sinon l'entrée PU à priori n'est donc pas filtrée ?

j'essaie de comprendre le circuit, pourquoi la 2eme cathode de la ECC83 ou la premiere de la EF86 sont directement à la masse sans résistance ? Elles sont biasées autrement ?

c'est passionnant
oldamp
  • Vintage Méga utilisateur
  • #5
  • Publié par
    oldamp
    le
nasdak a écrit :
pas grave pour les bandes
c'est un tel bordel à l'intérieur que je vais déjà avoir du mal à trouver où se trouvent ces composants
et sinon l'entrée PU à priori n'est donc pas filtrée ?

j'essaie de comprendre le circuit, pourquoi la 2eme cathode de la ECC83 ou la premiere de la EF86 sont directement à la masse sans résistance ? Elles sont biasées autrement ?

c'est passionnant


cathode à la masse = grande résistance dans la grille = polarisation par courant rille !

si c'est "filtré" car il y a tout un reseau de contre réaction via R46 et les switches en haut.... comme tu dis un vrai boxon !

t'auras un meilleur résultat en partant d'un vrai schéma d'ampli et en utilisant les composants... mais apparemment ce n'est aps le bur recherché !

le mieux est de refaire le schéma en remplaçant les switches par les liaison, en position "lecture/PU" et en virant tout ce qui ne fait pas partie de cette config. tu y verras plus clair.
nasdak
  • Custom Top utilisateur
  • #6
  • Publié par
    nasdak
    le
et si je lève R46 y'en a plus de contre réaction ?

Oui ce serait plus simple de tout recommencer, mais ça me fait mal au coeur de désosser une si belle bête ...
cela dit il semble que j'ai tous les composants pour faire un AC4, c'est les mêmes lampes !




Mais comment savoir si mes transfos sont assez puissants ?
oldamp
  • Vintage Méga utilisateur
  • #7
  • Publié par
    oldamp
    le
oui, tu peux essayer de débrancher ausi R46... ce qsui est bizarre c'est que l'EL84 est sur les aigus et l'ECL82 sur les graves, alors que la 84 est deux fois plus puissante que la 82.....

quelles sont les dimensions des carcasses métalliques des transfos ?
nasdak
  • Custom Top utilisateur
  • #8
  • Publié par
    nasdak
    le
Je pense que je vais faire un ac4 je regarde les transfos ce soir
nasdak
  • Custom Top utilisateur
  • #9
  • Publié par
    nasdak
    le
transfo de sortie (il n'y en a qu'un pour les 2 hp):


transfo principal, il est bien gros :
nasdak
  • Custom Top utilisateur
  • #10
  • Publié par
    nasdak
    le
Bon,
j'ai commencé à tout démonter.
La plupart des condos (des "efco" noirs) sont tous fondus et diformes
dommage ils sont jolis, j'ai quand même envie de réutiliser ceux qui semblent en état correct....

j'ai sorti le transfo de puisance : 85ma et 3.85A.
ça ira ?

Pour le transfo de sortie, il est écrit :
6 60 12
et 61 60 ...
oldamp
  • Vintage Méga utilisateur
  • #11
  • Publié par
    oldamp
    le
tu veux dire que les deux lampes de puissance sont sur le même OT? le PWT est largement gros pour un AC4...
nasdak
  • Custom Top utilisateur
  • #12
  • Publié par
    nasdak
    le
non j'ai trouvé un tout petit autre OT pour les aigus
le "gros" OT :


j'ai tout démonté et j'essaie déjà de rebrancher le transfo de puissance et la EF86

j'ai 270V et 7V AC en sortie de transfo - un peu plus élevé que ce qui est écrit dessus (250 et 6.3)

mais j'ai 350V DC en sortie de EF86 alors que je devrais avoir 250V c'est parce que le reste du circuit n'est plus branché ? (j'ai juste gardé les 2 condos de filtrage de 50 uF et la résistance de 1.2k)
nasdak
  • Custom Top utilisateur
  • #13
  • Publié par
    nasdak
    le
je suis rentré de vacances
comment je sais si l'OT il est adapté à une EL84? sur le schéma le gros OT est utilisé en sortie de l'ECL82
nasdak
  • Custom Top utilisateur
  • #14
  • Publié par
    nasdak
    le
bon je continue mon monologue
j'ai essayé de déterminer les carac du gros OT
j'ai mis une tension sur le primaire et mesuré le secondaire :
V prim : 6.93V AC
V secondaire : 0.202 V AC
j'en conclue un ratio de 34,3

Et donc comme j'ai un HP de 3.2 ohms qui traine, ça ferait une impédance pour la EL84 de 3,2*34.3^2 = 380 ohms ce qui est un peu faible ?

(sur l'ampli d'origine le transo était une sur ECL82 avec un HP de 5 ohms)
oldamp
  • Vintage Méga utilisateur
  • #15
  • Publié par
    oldamp
    le
on peut pas passer un WE tranquille ?

alors, pour ton OT la Z correspondant à 3.2Z c'est 3800 pas 380 de toute façon trop juste pour une EL84 qui demande entre 5 et 7k... l'ideal serait de trouver deux HP de 2.5Z qui te donneraient 5Z en série et 6k primaire...

pour tes tensions, à vide c'est toujours beaucoup plus haut...

En ce moment sur ampli...