Des pb de cablage ? D'électronique ? Posez vos questions ici

Rappel du dernier message de la page précédente :
nuance30 a écrit :
Bonjour,
je suis en train de me bricoler une gratte et je voulais installer un duncan PRAIL (p90 + simple + hb) avec un sélecteur 5 positions et un volume.
Au lieu d'avoir un switch pour passer de simple à p90 puis à un hb, je voudrais juste avoir un sélecteur 5 positions.
Est ce que cela est possible?
Merci pour vos réponses et éventuellement vos schémas de montage


1 seul ou plusieurs micros?
Avec un sélecteur 5 positions basique je ne pense pas que se soit possible, il te faudra un Super-switch 5 positions.
jesussaves
Mais alors pourquoi un sélecteur 5 positions et pas un 3 positions???
nuance30
Je pensais à un 5 positions car j'avais lu un truc sur un cablage pour une télélcaster avec 2 simple et un selecteur 5 position. Comme le prail c'est un peu 2 micro rassemblés en un seul, je me demandai si ça ne pourrais pas etre pareil.
DolganoFF
Absolument tout est possible, mais il faut d'abord que tu décide ce que doivent faire les 5 positions.
mon blog lutherie et électronique:
http://www.dolganoff.com
DolganoFF
Absolument tout est possible, mais il faut d'abord que tu décide ce que doivent faire les 5 positions.
mon blog lutherie et électronique:
http://www.dolganoff.com
DolganoFF
Il te faut donc un super switch pour ce schéma.
Personnellement, je trouve le 5-me son "hors phase" horrible, mais peut -être tu le trouveras utile...
mon blog lutherie et électronique:
http://www.dolganoff.com
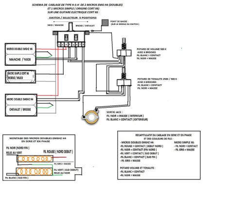
Salut a tous
voila je refait ma cort x6 et donc je lui ai acheté 2 micros EMGHZ H4 tout beau, tout neuf et je souhaite les câblés en série et en phase avec son micro simple d' origine cort x6 avec un sélecteur / switch 5 positions et j' utilise les potards de volume et de tonalité fournit avec le kit EMG. J' ai donc réalisé un schéma avant le montage définitif et j' aurais voulut savoir si il était exact car j' ai des trous car sur le switch j' ai rien en position 5 et 7 est ce normal d' après mon schéma ?
merci d' avance pour vos précieux conseils.
et je m'excuse pour le hors-sujet dans le forum c'est de ma faute car je faisait nouveau au lieu de répondre désolé mais l'erreur est humaine et c'est pour cela que les forums sont créés pour avoir de l'aide non ???
jimfire
salut à tous,

je pense m'être fait refilé un potard de vol pour gaucher (symptôme... ben il marche à l'envers, quand le baisse le vol, le son monte !!!).
Puis-je modifier mon câblage pour l'utiliser en droitier ? inverser la masse et le + ?

Et puis, tant que j'ai le micro... une petite question pratique !!
Comment vous faites pour tenir à la fois le fer à souder, le fil d'étain, le fil à souder, le potard.... ???
J'ai calé mes potard sur un carton à l'échelle, j'ai étamé les pattes et les fils mais peut-être pas assez car j'ai l'impression de devoir rajouter de l'étain pour finir ma soudure ???

Merci d'avance,

bye bye !!
DolganoFF
Ton potard est câblé à l'envers c'est tout, c'est pas un potard "gaucher"
Inverse les soudures sur pattes gauche et droite, ça ira mieux.

Il faut bien rajouter de l'étain quand tu soude, c'est normal, sinon il y en aura pas assez.
mon blog lutherie et électronique:
http://www.dolganoff.com
jimfire
DolganoFF a écrit :
Ton potard est câblé à l'envers c'est tout, c'est pas un potard "gaucher"
Inverse les soudures sur pattes gauche et droite, ça ira mieux.

Il faut bien rajouter de l'étain quand tu soude, c'est normal, sinon il y en aura pas assez.

Ok merci, je regarde ça ce soir, mais je suis surpris j'ai fais les 2 côte à côté (pour info, ce sont des logs) ou alors j'ai fais ça en mode miroir !?!?

Et du coup, ça existe les modèles pour gaucher ou tu adapte simplement le cablage... ou ils se démxxerdent ils ont qu'à jouer comme tout le monde !?
edit : on en trouve dans certains magasins en ligne...

En ce moment sur accessoires et Lutherie...