Ampli Guitare à lampes FBT 1960 a remettre en marche

Forum
Rappel du dernier message de la page précédente :
  • #60
  • Publié par
    Loctal
    le 11 Juin 2025, 13:23
Je suis bien embêté pour la partie ampli de puissance de ce FBT.

Comme on peut le voir sur les photos transmises par l'ancien propriétaire, tout est à refaire. Il manque le transformateur d'alimentation. Il en faut un capable de fournir un courant de 3,5 Ampères minimum (780mA - ECL82, 1200mA - ECC83, 1520mA - EL84) pour une tension de 6,3v.
À moins de passer cet étage en 6V6 - ce qui demanderait un courant de 3A - ou autres tubes de puissance moins gourmands, je ne vois pas trop de solutions, n'ayant pas sous la main un transfo d'alimentation aussi largement dimensionné.

Ou trouver un transfo délivrant entre 12 et 24 volts au secondaire et fournissant un courant de 4A ?

Ne serait-ce pas un scandale d'utiliser des transistors pour l'étage de puissance ?

Bref, plein d'interrogations. Je vais laisser mûrir...
Doug_Watson
Ce transfo avec ces deux enroulements 6.3V convient parfaitement. Il faut juste investir 76.54€ sans se compliquer la vie
«Je ne suis pas sûr qu'on défende une civilisation en semant soi-même la barbarie.» E. Macron
Non, je n'ai pas rencontré Frankenstein et Epstein au Lichtenstein !
  • #62
  • Publié par
    Loctal
    le
C'est vrai qu'il serait parfait.
Mais c'est quand même dommage d'avoir autant de transfos dans mes tiroirs sans aucun qui ne fasse l'affaire.
J'ai retrouvé entre-temps un MT de Peavey Classic 30. Théoriquement, il fait l'affaire avec son quad d'EL84 alimentées d'origine.
Mais dans la pratique, c'est encore un binz à la Peavey pour l'alimentation des filaments.
J'ai le MT d'un Mac AC2. Mais ce serait condamner un enroulement intermédiaire précieux pour les circuits à semi-conducteurs.
J'ai pas mal de transfos de TSF, mais sans les caractéristiques, je vais devoir tester le courant du chauffage filaments pour tous mes MT de Push-Pull.
Doug_Watson
Ils ne sont pas tous étiquetés au démontage ? Société mal gérée, le dépôt de bilan est proche...

Les vieilles TSF, surtout si elles avaient la FM, avaient beaucoup de lampes donc besoin de beaucoup de courant sur le chauffage... Par contre c'est la HT qui pêche, un seul tube de puissance dans 99% des cas...

Tu calcules combien tu as payé le FBT, combien tu peux le revendre et dans l'écart, il y a ton bénef et les investissements en pièces...
«Je ne suis pas sûr qu'on défende une civilisation en semant soi-même la barbarie.» E. Macron
Non, je n'ai pas rencontré Frankenstein et Epstein au Lichtenstein !
  • #64
  • Publié par
    Loctal
    le
Sauf que je ne suis pas une entreprise.
La bonne nouvelle, c'est qu'il n'y a pas de bilan à déposer. La mauvaise, c'est qu'il va falloir que je trouve un MT qui aille avec le FBT.

Si j'étais une entreprise, je mettrais l'alimentation à transistors bricolée pour les tests.
  • #65
  • Publié par
    Loctal
    le
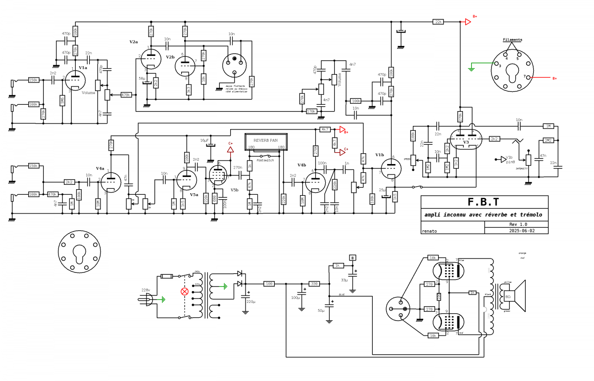
Je pense avoir trouvé un transformateur d'alimentation pour le FBT.

J'ai testé son comportement en ajoutant en parallèle aux 2 ampères du préamp (ECL82 + 4x ECC83), 8 bulbes qui consomment chacun 300mA.

Demain, j'essayerai avec un transfo de sortie et 2 EL84. En espérant que le transfo tiendra le coup.



  • #66
  • Publié par
    Loctal
    le
La restauration du FBT 1960 (c'est le titre du topic, du coup, je vais l'appeler comme ça) avance.

J'ai monté un étage de sortie lambda avec 2 EL84.
Dans un même temps, j'ai ajouté 2 tasseaux pour surélever le châssis du bas de l'ampli et permettre d'utiliser un transfo traversant.









Ayant conservé l'alimentation de mes précédentes expérimentations, celle-ci ne filtre pas suffisamment les pics et je me retrouve avec un bruit de fond dégueulasse à 100Hz.



Doug_Watson
mauvaise idée ces supports, c'est moche... Le transfo tu peux très bien le mettre au-dessus du châssis en supprimant le panneau sélecteur de tension et en lui mettant une cloche. Un ampli qui est modifié n’intéressera pas les "collectionneurs"...

Et avant de faire quoi que ce soit, j'en aurais profité pour bien nettoyer, voire repeindre, le châssis !
«Je ne suis pas sûr qu'on défende une civilisation en semant soi-même la barbarie.» E. Macron
Non, je n'ai pas rencontré Frankenstein et Epstein au Lichtenstein !
  • #68
  • Publié par
    Loctal
    le
Les goûts et les couleurs.....
Il n'est pas trop tard pour peindre le châssis. J'ai encore des perçages à faire pour les cans.

Je vais modifier le filtrage et très certainement ajouter une cellule RC en tête.



Mon souci, c'est que la HT est assez faiblarde. Je suis légèrement sous les 300V en B+

Sympa ta citation en signature. Jamais je ne me serais imaginé que ce type pouvait pratiquer l'auto-critique.
Doug_Watson
Si ton transfo de sortie est assez bien équilibré au primaire, si tes EL84 sont assez bien appairées, pas besoin de filtrage avant l'OT. Référencement des filaments ?

A quoi sert la 100R entre les cathodes ? Bizarrerie...
«Je ne suis pas sûr qu'on défende une civilisation en semant soi-même la barbarie.» E. Macron
Non, je n'ai pas rencontré Frankenstein et Epstein au Lichtenstein !

En ce moment sur ampli et FBT...