Ampli Guitare à lampes FBT 1960 a remettre en marche

Forum
Rappel du dernier message de la page précédente :
corto30
0149850096 a écrit :
j'en suis pas encore là


fais tourner une caméra quand tu le brancheras

serieusement faut y mettre une terre parce que si il déconne la terre ça pourrait être toi
Nutrisco et Extinguo
corto30
si je vois bien, la terre elle est prévue, juste à coté de l'embase secteur. peut-etre pour une fiche banane ?

et le voyant il est super joli
Nutrisco et Extinguo
oldamp
  • Vintage Méga utilisateur
  • #49
  • Publié par
    oldamp
    le
Ouch ! ! ! Plus rien d'origine ! Il a été méchamment modifié ! Je doute qu'un tech accepte de te le prendre en réparation.... Ou avec un devis de 2-300€ ! Largement au-dessus de la valeur de cet ampli (je viens d'acheter un FBT rouge 5W en parfait état à 80€...) Faudrait tomber sur un vieux papy !
oldamp
  • Vintage Méga utilisateur
  • #52
  • Publié par
    oldamp
    le
Oui, 80€ un G60... le même que celui à 380 sur Reverb ! Il ne faut pas croire les prix des annonces, après négo ça chute énormément ou ça ne se vend pas...

https://reverb.com/fr/item/630(...)1960s
  • #53
  • Publié par
    Loctal
    le
Bonjour, il me semble bien que j'ai récupéré l'ampli FBT en question de ces quelques pages de thread.





C'est celui-ci, mais le transfo d'alimentation a été remplacé par un modèle de petite taille tout à fait inadapté et le transfo de sortie est manquant (ainsi que la plaque arrière, mais je pense que c'était déjà le cas à l'époque du topic).

Par chance, j'ai dans mes tiroirs un transfo de sortie FBT qui fonctionnait avec 2 EL84.
Pour le transfo d'alim, il va falloir alimenter 2x EL84 + 1x ECL82 + 4 ou 5x ECC83.
Je devrais trouver ça dans mes tiroirs.

J'ai commencé à relever le circuit de la partie supérieure de l'ampli. Pour la partie inférieure qui regroupe les transfos l'étage de puissance, le redressement, voir l'inverseur de phase, il faudra tout reprendre à zéro. Je ferai en fonction du transfo d'alimentation.







J'espère trouver parmi vous des bonnes âmes qui voudront bien me prêter main forte pour débrouiller le schéma de cette pièce de collection.
Doug_Watson
Il a bien rouillé entre-temps ! Ton Jshem ne marche plus ? !
Si t'as une alim 250Vcc et 6.3V 3A tu peux alimenter la partie préamp et voir ce que ça donne... Il doit y avoir un câble avec bouchon de liaison 8 pins... la partie puissance faut tout refaire propre...

ps : après la déculottée de l'Inter Milan, les FBT n'ont plus guère la cote ! je te rachète le HP 30 balles !
«Je ne suis pas sûr qu'on défende une civilisation en semant soi-même la barbarie.» E. Macron
Non, je n'ai pas rencontré Frankenstein et Epstein au Lichtenstein !
  • #55
  • Publié par
    Loctal
    le
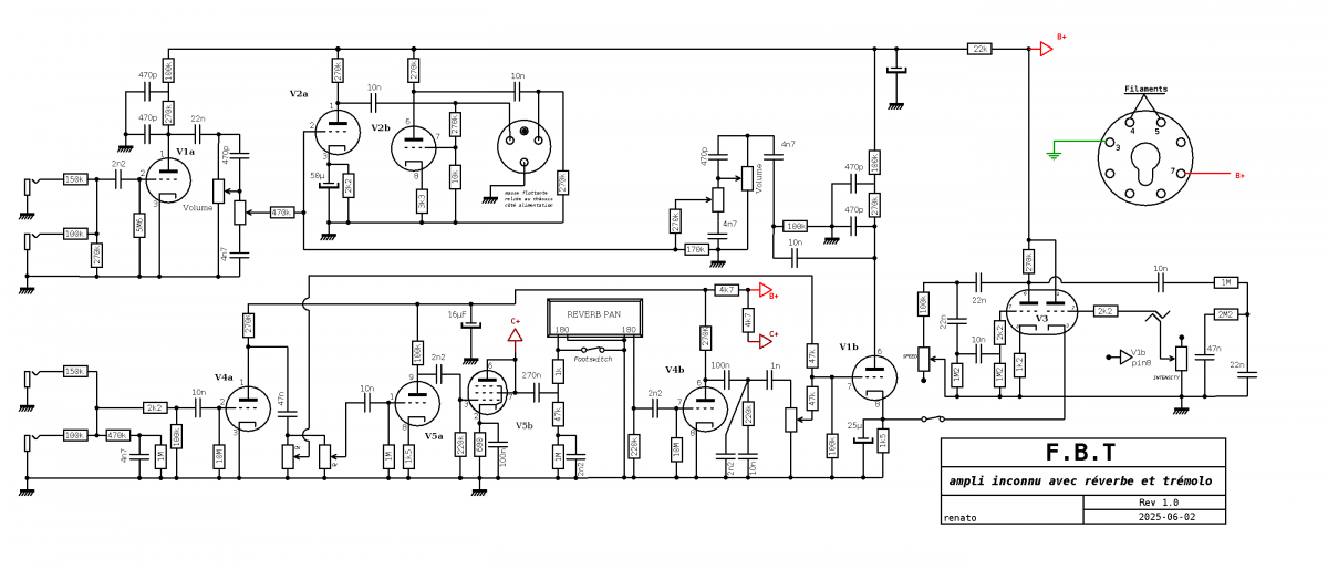
J'ai bien JSchem. J'ai pris le temps de relever le schéma complet de la partie supérieure de cette bête de musée.

V1a = préampli - canal I
V1B & V4a = préampli - canal I
V2a = driver
V2b = déphaseur
V3 = trémolo
V4b & V5 = réverbe



schéma FBT inconnu



Le HP ne paye pas de mine, mais il sonne d'enfer !
Doug_Watson
Petite erreur, V2 a+b est le déphaseur. C'est un paraphase.

Il y a 9 potards sur ton schéma mais je n'en vois que 7 sur le "tableau de bord"... Il y a des potars doubles (jumelés) ?
«Je ne suis pas sûr qu'on défende une civilisation en semant soi-même la barbarie.» E. Macron
Non, je n'ai pas rencontré Frankenstein et Epstein au Lichtenstein !
  • #57
  • Publié par
    Loctal
    le
Il y a 2 trimpots sur le circuit de réverbe qui servent selon toute vraisemblance à mixer le dry/wet de l'effet.



Trimpots
Doug_Watson


J'aime bien ces petits Arco verts ! 5 fruits et légumes.....
«Je ne suis pas sûr qu'on défende une civilisation en semant soi-même la barbarie.» E. Macron
Non, je n'ai pas rencontré Frankenstein et Epstein au Lichtenstein !
  • #59
  • Publié par
    Loctal
    le
J'ai monté vite fait une alimentation qui me sort 270V B+ environ pour faire tourner le préamp FBT.



Tout semble fonctionner nickel. Le préamp consomme 26mA environ.



Alors j'ai poussé le bouchon un peu plus loin Maurice et j'ai utilisé un module d'ampli mono comme on en trouve chez Ali.




J'ai branché l'entrée du module tantôt sur la branche non-inversée du déphaseur, tantôt sur l'autre. Tout ce qu'on peut dire c'est que les deux sorties sont loin d'avoir la même sensibilité.

Ça fonctionne. Trémolo, réverbe, canal 1, canal 2.

J'ai l'impression d'avoir + avancé sur cet ampli en trois messages que sur 3 pages précédemment.
  • #60
  • Publié par
    Loctal
    le
Je suis bien embêté pour la partie ampli de puissance de ce FBT.

Comme on peut le voir sur les photos transmises par l'ancien propriétaire, tout est à refaire. Il manque le transformateur d'alimentation. Il en faut un capable de fournir un courant de 3,5 Ampères minimum (780mA - ECL82, 1200mA - ECC83, 1520mA - EL84) pour une tension de 6,3v.
À moins de passer cet étage en 6V6 - ce qui demanderait un courant de 3A - ou autres tubes de puissance moins gourmands, je ne vois pas trop de solutions, n'ayant pas sous la main un transfo d'alimentation aussi largement dimensionné.

Ou trouver un transfo délivrant entre 12 et 24 volts au secondaire et fournissant un courant de 4A ?

Ne serait-ce pas un scandale d'utiliser des transistors pour l'étage de puissance ?

Bref, plein d'interrogations. Je vais laisser mûrir...

En ce moment sur ampli et FBT...