Fabrication d'un footswitch pour Microcube

Forum Roland
Forums
Rappel du dernier message de la page précédente :
Hoït
  • Hoït
  • Special Total utilisateur
  • #105
  • Publié par
    Hoït
    le 30 Mai 2014, 09:33
Si je comprends bien tu veux savoir comment faire le branchement à l'intérieur de l'ampli?
a quel endroit on raccorde je jack femelle sur l'électronique de l'ampli?

en gros tu as 3 fils qui vont vers le sélecteur de modulation. il faut couper ces 3 fils (plutôt que d'essayer de les dessouder car tu risques de bousiller les pistes) et y raccorder ton jack femelle en parallèle

comme le jack est à coupure: si il n'y a pas la prise mâle branchée, il laisse passer le signal comme si il n'était pas là
en revanche dès que tu branches la prise mâle, ça déconnecte l'existant pour passer le relais à ta pédale

ça c'est le principe de ce que j'ai fais pour le microcube, il y a peut être des adaptations a faire pour ton ampli mais là je ne pourrai pas t'aider davantage sans l'avoir dans les mains
Fabriquer une pédale pour le Microcube:
https://www.guitariste.com/for(...).html
Hoït a écrit :
Voila, c'est fini
je suis curieux de voir qui va tenter l'expérience
Je tenterai de faire une ptite vidéo de la pédale en fonctionnement dans les jours qui viennent.
(comment mettre un lien dans la sign svp? )


Bonjour et merci pour ce footswitch ! J'ai un MICROCUBE Roland.

je suis tout nouveau et je désire fabriquer ce FOOTSWITCH car en live ou en enregistrement c'est indispensable de commuter avec au pied !

j'ai bien regardé mais je ne vois aucune des photos ! donc comme tu le précisais j'ai regardé si Firefox affiche correctement et je n'ai rien trouvé qui cloche.

serait-il possible de me faire suivre le tuto par mail ?

bien cordialement
Fancy

voici mon email (je ne sais pas si c'est autorisé...) --> nfs@orange.fr
Hoït
  • Special Total utilisateur
  • #107
  • Publié par
    Hoït
    le
Salut,
hélas les photos sont perdues.
c'était le risque ne pas avoir pu les héberger directement sur le site :/
tu habites où?
Fabriquer une pédale pour le Microcube:
https://www.guitariste.com/for(...).html
Salut,
et oui ! j'avais cru comprendre que les photos n'étaient plus en ligne

en tout cas merci de m'avoir répondu, je suis sur Grenoble dans l'Isère.

Amicalement
François
Merci Hoït pour l'invitation, et oui ça fait une "trotte" de Grenoble... Et puis je me
lance dans la réalisation d'un sustainer pour ma bass (électrique) car j'ai un nouveau
projet de ziq expérimentale ! donc assez spécial... -> studiopoche38

Amicalement
François
Bonjour,

en attendant de faire un tour à Nancy , j'ai démonté mon Microcube pour voir les 4 PCB et relever les valeurs des potars VR3(DELAY/REVERB) car c'est sur celui-ci que je veux connecter une pédale (footswitch) de controle DELAY/REVERB.

J'ai une question ;
Pour connecter un "footswitch" le dois installer un connecteur Jack 6,35 stéréo chassis avec switch intégré. C'est à dire que le potar VR3(DELAY/REVERB) dans le Microccube (avec 3 broches) est actif et lorsqu'on insère le jack stéréo footswitch, les 3 broches de VR3 sont dérivées sur le potentiometre du footswitch.

ou peut-on trouver ce genre de Jack 6,35 stéréo chassis avec switch intégré ? je n'ai pas trouvé sur le web.

merci de votre aide.
François
Salut Hoït et salut à toutes et tous.

Merci pour ta réponse j'ai commandé les jacks avec switch et je vais donc pouvoir faire la modif sur mon Microcube !

Très bon pour ma prochaine prestation en scène ;o)

Bonne journée
Fancy
bonjour a tous,
j'ai un soucis avec ce potentiomètre rotatif, en résumé j'ai allumé l'ampli avec ses 3 fils en court circuit et maintenant je n'ai plus de modulations. j'avais un gros buzz assourdissant même avec volume et gain a zer, ensuite. j'ai rebranché ce potard comme il était avant mais ce court circuit a du me bousiller le préampli car plus de son dans l'input mais la prise aux fonctionne.
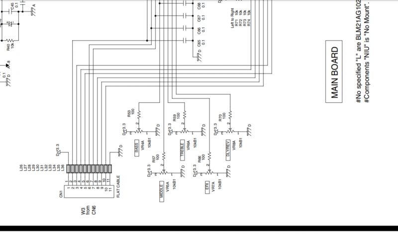
bien sur aucun schéma du microcube sur le net n'est disponible donc quelqu'un aurait il une idée de ce que j'ai pu abimer (en espérant que ce ne soit pas une puce hs) ?
corto30
le topic de la bidouille extrème !! chapeau

sauf erreur de ma part..
pour ton potar 9/10 chance que ce soit comme sur un cube 30 : le curseur envoie entre 0 et 3.3 V direct sur une en analo d'un microp.. selon comment il est programmé ça active delai ou reverb (faut voir ce que tu as comme microp dans le microcube)
donc potar en court jus egale 3.3 volts a la masse si y'a un fuse qq part ça risque d'etre un cms...

le potar du 30 en souhaitant que ça aide :


Nutrisco et Extinguo
merci pour ce schéma j'ai au moins pu constater que la tension arrive sur les potards mais j 'ai 7.5v au lieu de 3v j'ai bien les shémas du cube15 et 30 mais je n'avais pas remarqué ce montage . a ce que j'ai cru comprendre ce selecteur n'a pas la meme résisance suivant sa position et le processeur en déduit quel modulation est sélectionnée mais s'il recoit des valeurs incohérentes jcomprends mieux que ca déconne.
j'ai bien peur que mon doute d'avoir flingué une puce ne s'avère exact .
corto30
- sur le principe de fonctionnement : le cpu (processeur qui pilote l'ampli, pour le cube 30 un MN101C30 qui tourne à 8 Mhz) 'lit' à chaque cycle la tension sur l'entrée analogique et la compare avec une reference. Selon la tension qu'il lit le programme du cpu applique un delay ou reverb plus ou moins long et profond (via une autre puce qu'il pilote, le DSP). le potar sert à regler la tension qui sera lue par le cpu.

- sur ta panne : c'est possible que le 7.5 v soit normal.. mais c'est quand meme vachement plus frequent que ça soit du 3.3 v, c'est quasi un standard .. tu peux regarder sur le schema du 30 comment il est produit et voir si sur ton ampli c'est pareil (y'a peut etre un regulateur qui a laché avec le court jus ?)

ensuite, c'est a dire après verif que ce 7.5 v (et plutot 2 fois qu'une j'insiste) est normal ou pas : il doit y avoir une procedure de reset du cpu (ils sont protégés contre les mauvaises manip en principe..) ne la tente pas sans etre sur pour le 7.5 v !!! tu peux debrancher le hp le temps du reset.
pour rester optimiste je dirai que si le poweramp fonctionne le cpu est pas completement mort

(mais vous peur de rien sur ce topic )
Nutrisco et Extinguo

En ce moment sur ampli et Roland...