HELP ! changer mécaniques Epiphone Les Paul Std

Forum Epiphone
Forums
Bonjour,

Je voudrais changer les mécaniques de ma Les Paul STD Epiphone de 1995 mais ça s'avère plus compliqué que prévu. Un vendeur de magasin m'a conseillé les Schaller G series keystone...Je viens de les renvoyer à Woodbrass, elles sont trop grosses pour les trous de mon manche... j'ai pas de perceuse sous la main

Du coup les seules qui ont l'air de coller sont les Gibson PMMH-040, elles percent à 8,2mm, mais je voudrais être sûr de ne pas me tromper cette fois-ci. Quelqu'un pour me conseiller ?
Invité
  • #2
  • Publié par
    Invité
    le
Il est préférable que tu prennes les mesures toi-même de tes mécaniques actuelles et ensuite les comparer à des mécaniques *en ligne.

* Toutes ces dimensions sont disponibles.

Ne t'avise surtout pas de vouloir percer un trou plus grand. Trouve les bonnes mécaniques.

Est-ce celle-ci ?



1995 STD Les Paul



Le mécaniques Gibson PMMH-040, Ah oui ????


Gibson PMMH-040,
Invité
  • #3
  • Publié par
    Invité
    le
Les vintage Gotoh de keystone exigent une ouverture de 8.79mm.
On ne peut se lancer dans des modification de guitare sans un minimum de travail et d'outils ( de mesures par exemple) .
Équipe-toi.
.

https://www.stewmac.com/Hardwa(...).html



Gotoh Keystone
ok merci latole, oui c'est bien cette épiphone.

J'ai vraiment pas envie de percer de toute façon !

C'est difficile de trouver les mesures, par exemple pour les Gibson PMMH-040 je ne les trouve pas ... Même le luthier à côté de chez moi dit que c'est compliqué, que les mesures ne sont pas toujours indiquées.

En tous cas les gotoh keystone ont l'air de bien correspondre à mes mécaniques actuelles, en plus elles sont moins chères que les Gibson. Merci !
Invité
  • #5
  • Publié par
    Invité
    le
Avant de chercher quelles mécaniques feront, ils faut que tu puissent mesurer toi-même les ouvertures.
Donne les mesures de ta guitare et nous chercherons.

Les mécaniques de style vintage ( Gibson et Gotoh mentionnées ici ) utilisent un montage des vis arrières de la tête très différent de ce que ta guitare a.

Les anciens trous de vis paraîtrons. Il te faut trouver des mécaniques équivalentes aux tienne, pas un tout autre modèle comme les vintages.
Je viens de tout mesurer : à quelques nuances près c'est comme les gotoh vintage dont tu parles.

Par contre je suis en France et sur le lien que tu as mis il y a 15 eur de frais de port...ça pique

Sinon je vois les Gotoh SD90 Tuner sur le site de Thomann.

https://www.thomann.de/fr/goto(...)k.htm


D'après le site de Gotoh les mesures ont l'air de correspondre aussi (même si la photo ne correspond pas à celles du site de Thomann...)

http://g-gotoh.com/internation(...).html
"Les anciens trous de vis paraîtrons. Il te faut trouver des mécaniques équivalentes aux tienne, pas un tout autre modèle comme les vintages."

Pourtant les dimensions des vis sont les mêmes que les miens donc ça devrait être ok je pense
Invité
  • #8
  • Publié par
    Invité
    le
chuckart44 a écrit :
"Les anciens trous de vis paraîtrons. Il te faut trouver des mécaniques équivalentes aux tienne, pas un tout autre modèle comme les vintages."

Pourtant les dimensions des vis sont les mêmes que les miens donc ça devrait être ok je pense


Là je ne comprend plus !
Ce n'est pas du tout les mêmes mécaniques ( as-tu bien regardé ? ) , la photo de la tête et mécanique que tu dis être comme la tienne, les trous de vis ne correspondront pas avec les vintages.

Poste un photo de tes mécaniques.

Mon lien aux É-U ne sert que de références, tu commandes chez toi.
Les Gotoh SD90 sont disponible en plusieurs version, Thoman's en montre une
Pourtant elles se ressemblent beaucoup ! (l'embout est cassé, je l'ai remplacé par un petit bout de fer en attendant mieux)

Du coup tu me fais douter ... voici les photos



mécaniques 2


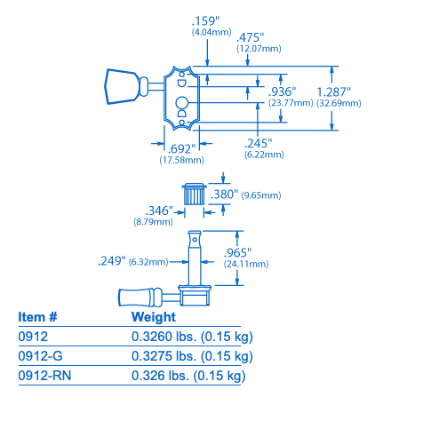
Et voici les mesures (les chiffres en noir sont ceux qui diffèrent légèrement des Gotoh vintage)

Invité
chuckart44 a écrit :
manche


Ce n'est pas du tout la photo que j'ai montré et que tu disais être comme ta guitare.

Peut importe on avance.
Invité
Si la dimension du trou dans la tête est de 8.8mm, les Gotoh SD 90 devraient faire.

Assures-toi que les emplacement de vis sont aussi les bonnes.


SD90
Ca devrait le faire, je les commande et je dis quand je les ai reçus si ça va. Je pensais pas que ce se serait aussi compliqué ! Merci pour ton coup de main.
Invité
Ce n'est pas compliqué, il faut simplement mesurer avant.
Ai reçu les mécaniques, se montent parfaitement sur ma Les Paul !

En ce moment sur guitare et Epiphone...