Potard qui ne baisse pas le volume

Forum Squier
Forums
Hello

Tout est dans le titre, j'ai acquis une Squier Jaguar Vintage Modified de 2015 d'occasion et je n'ai pas remarqué de suite (était-ce le cas donc ?) mais le potard de volume de baisse pas le son.
Aucun crépitement, le volume sort -j'ai l'impression- normalement, le potard ne semble pas lâche, j'ai démonté la plaque chrome et tout semble bien soudé à cet endroit.

Une idée de ce qui pourrait clocher ? une soudure défectueuse plus loin sur le circuit ?

Merci par avance
Fenson66
Salut !

Je suppose qu'on parle du Master Volume. Un multimètre pour tester les continuité sera utile :
Vérifier que la patte du potard est bien mise à la masse au capot et que le potard est bien connecté au switch lead/rythm.
Si c'est bien le cas alors le potard est certainement défectueux.
Il ne faut pas compter sur ceux qui ont créé les problèmes pour les résoudre.

"La religion est une insulte à la dignité humaine. Que ce soit avec ou sans elle, il y aura toujours des gens bien qui font de bonnes choses, et des mauvais qui font de mauvaises choses. Mais pour que des gens bien agissent mal, il faut la religion." S.WEINBERG

https://www.droitaucorps.com/
corto30
  • #3
  • Publié par
    corto30
    le
Y'a pas un switch qui désactive le master volume et tone sur ces grattes ? (selecteur rythm/lead)
Nutrisco et Extinguo
Fenson66
Si, MV et MT son désactivés en position Rythm (seuls les contrôles dédiés au micro manche sont actifs) mais je suppose, enfin j'espère, qu'il le sait et qu'il a constaté le problème sur la position Lead.
Il ne faut pas compter sur ceux qui ont créé les problèmes pour les résoudre.

"La religion est une insulte à la dignité humaine. Que ce soit avec ou sans elle, il y aura toujours des gens bien qui font de bonnes choses, et des mauvais qui font de mauvaises choses. Mais pour que des gens bien agissent mal, il faut la religion." S.WEINBERG

https://www.droitaucorps.com/
Fenson66 a écrit :
Si, MV et MT son désactivés en position Rythm (seuls les contrôles dédiés au micro manche sont actifs) mais je suppose, enfin j'espère, qu'il le sait et qu'il a constaté le problème sur la position Lead.


J'essaie ça demain et vous redis, je sens que je vais passer pour un naze haha !
En fait, j'ai joué des années sur une Jaguar Bass et cette configuration n'existe pas, le master volume est toujours actif en même temps que les molettes de volumes individuels.
Je n'ai donc pas imaginé que la Jag guitare était différente.
corto30
  • #6
  • Publié par
    corto30
    le
Mais non, si tu joues de la basse c'est normal
Ma bassiste a plein de potars sur sa basse, mais elle connait que le switch active/passive !°°
Nutrisco et Extinguo
Bon je vous confirme que le potard ne fonctionne sous aucun autre réglage. J'investiguerai donc les soudures

Merci pour les réponses
Salut

J'ai démonté tous les éléments et n'ai rien remarqué de dessoudé. Les fils semblent être là où il faut y compris celui qui touche le bridge.
Néanmoins, j'ai noté un détail que je vous soumets : sur le master volume (tout à gauche de ma photo), la 2ème patte -celle du milieu- n'est connectée à rien mais est quand même recouverte d'étain. Est-ce normal ?
Je n'ai pas de voltmètre sous la main et ne suis pas devant la guitare au moment où je vous écris, mais j'ai pris une photo que voici.
( sur tous les schémas ou photos de wiring de la Jaguar, cette patte est censée être connectée à quelque chose )

master volume wiring
Fenson66
Normalement, la patte du milieu est reliée au switch lead/rythm et la patte de gauche au potard de Tone.
J'ai comme l'impression que le câble rouge et le noir du Tone sont reliés sur la même patte du volume.
Faudrait vérifier à quoi est relié le câble rouge mais si c'est ce que je pense, c'est le câble qui va au switch L/R et qui a été soudé au mauvais endroit , auquel cas il suffirait de le déplacer sur la patte du milieu.
Il ne faut pas compter sur ceux qui ont créé les problèmes pour les résoudre.

"La religion est une insulte à la dignité humaine. Que ce soit avec ou sans elle, il y aura toujours des gens bien qui font de bonnes choses, et des mauvais qui font de mauvaises choses. Mais pour que des gens bien agissent mal, il faut la religion." S.WEINBERG

https://www.droitaucorps.com/
Effectivement le rouge va au switch rythm etc.
J'ai donc soudé le fil rouge à la patte du milieu du master volume et j'ai un phénomène assez curieux : le master volume coupe le son de façon non progressive quand il est à 100% !

Je n'ai jamais touché au cablage et il est peu probable que le propriétaire d'avant y ait mis les doigts dedans non plus.

Voici d'autres photos avant de déplacer le fil rouge. Je précise que c'est un fil double avec un fil blanc à l'intérieur de la gaine.

photo1


photo2
Fenson66
Citation:
J'ai donc soudé le fil rouge à la patte du milieu du master volume et j'ai un phénomène assez curieux : le master volume coupe le son de façon non progressive quand il est à 100% !


Pas compris... Peux-tu être plus explicite ?

Après, les photos c'est bien mais c'est mieux de prendre un schéma et de vérifier sur la guitare :

Il ne faut pas compter sur ceux qui ont créé les problèmes pour les résoudre.

"La religion est une insulte à la dignité humaine. Que ce soit avec ou sans elle, il y aura toujours des gens bien qui font de bonnes choses, et des mauvais qui font de mauvaises choses. Mais pour que des gens bien agissent mal, il faut la religion." S.WEINBERG

https://www.droitaucorps.com/
J'ai comparé avec plusieurs diagrammes mais soit je ne les comprends pas car je suis une brêle en électronique, soit ils semblent différents de ma guitare, ce qui incontestablement renvoie à mon premier point.

Donc je disais qu'après la soudure, le master volume coupe le son d'un coup lorsqu'il est plein ouvert. C'est sa seule action.

Autre chose, sur ton schéma le fil jaune correspond au rouge chez moi sauf que dans mon fil rouge il y a un fil blanc que je ne vois pas apparaitre sur le diagramme.
Je suis donc largué.

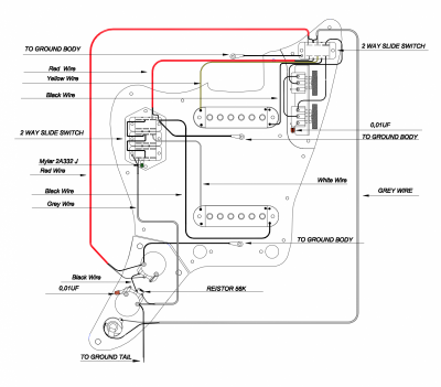
Voilà ce que j'ai trouvé de pkus fidèle, malheureusement en low def


photo3
Fenson66
Il coupe le son quand il est à 10 ? Si c'est ça il est H.S.
À ce sujet, faut toujours mettre le potard à 0 quand on le soude, ça évite d'endommager la piste sur sa partie utile.

Sinon, la couleur des câbles est accessoire, c'est pour la visibilité, ce qui compte c'est comment c'est câblé et les deux schémas sont similaires.
C'est comme ton câble rouge, il est blanc dedans parce que c'est un câble blindé (d'où sa tresse mise à la masse de chaque côté), ça ne change rien à la liaison.
Il ne faut pas compter sur ceux qui ont créé les problèmes pour les résoudre.

"La religion est une insulte à la dignité humaine. Que ce soit avec ou sans elle, il y aura toujours des gens bien qui font de bonnes choses, et des mauvais qui font de mauvaises choses. Mais pour que des gens bien agissent mal, il faut la religion." S.WEINBERG

https://www.droitaucorps.com/
Fenson66 a écrit :
Il coupe le son quand il est à 10 ? Si c'est ça il est H.S.
À ce sujet, faut toujours mettre le potard à 0 quand on le soude, ça évite d'endommager la piste sur sa partie utile.

Sinon, la couleur des câbles est accessoire, c'est pour la visibilité, ce qui compte c'est comment c'est câblé et les deux schémas sont similaires.
C'est comme ton câble rouge, il est blanc dedans parce que c'est un câble blindé (d'où sa tresse mise à la masse de chaque côté), ça ne change rien à la liaison.


Ok merci pour tes lumières, tes tips et ta patience. En effet, le master volume coupe le son lorsqu’il est à 10, je vais m'en procurer un nouveau et vous tiendrai au courant.

A+

En ce moment sur guitare et Squier...