Carlsbro Stingray Lead 150w 2x12

Forum Carlsbro
Forum
Rappel du dernier message de la page précédente :
nino56
  • nino56
  • Special Supra utilisateur
  • #15
  • Publié par
    nino56
    le 24 Août 2022, 18:39
J'ai reçu les deux petits connecteurs rca et montage immédiat bien sur... J'attends pour demain le tank reverb.. je devrais pouvoir le monter demain soir..



nino56
  • Special Supra utilisateur
  • #16
  • Publié par
    nino56
    le
Tank bien reçu et bien monté. (voir photo du tank reçu plus bas..)

Par contre pas de reverb...

J'ai donc bien branché le in de la carte sur le in du tank (la fiche blanche) et le out sur le out rouge.

Niveau soudure, continuité ok au testeur.. La tresse de chaque câble est soudée sur le tour et le câble du centre soudé sur la pointe centrale du rca...

Quand je tourne le potard de la reverb j'ai un buzz qui monte en volume en même temps que je tourne le potard.. J'ai fait le test du gros buzz en débranchant les deux fiches rca et j'ai ce buzz si je touche le tour du rca in.

Il y a des détrompeur sur la carte de l'ampli.. je peux donc pas brancher à l'envers.. mais les pins dans ce détrompeur sortent... il y aurait eu une inversion ? Car normalement je devrais avoir le buzz dans le centre et côté out tu me disais... (du coup double inversion... c'est sur le in et en plus sur le tour du rca...)









nino56
  • Special Supra utilisateur
  • #17
  • Publié par
    nino56
    le
Le fils le plus court sur le in et le plus long sur le out.
Et on voit bien le détrompeur pour le branchement côté carte...





oldamp
  • Vintage Méga utilisateur
  • #18
  • Publié par
    oldamp
    le
Essaie de toucher directement les pins 9 et 10 et les deux autre (on ne voit pas les numéros... 5 - 6 ?) avec un objet metallique pour voir si laquelle buzz... Branche à tour de rôle un des deux câbles sur le out en ayant le bouton de reverb aux 3/4 et tapote sur le tank, si tu entends un bruit de ressort dans le haut parleur c'est que c'est bien le cable Out du tank...

Après, la puce RC4136 peut aussi être morte... faudrait pouvoir tester avec un oscillo...
nino56
  • Special Supra utilisateur
  • #19
  • Publié par
    nino56
    le
Alors, en ayant débranché les 2 rca , j'ai le buzz sur la pin 5 (donc le in de la carte de l'ampli 5-6).
Et si je branche uniquement le rca du output du tank sur le input de l'ampli, j'entend les ressort bien comme il faut.. (out sur out rien)

J'ai essayé du coup de brancher le in du tank sur le out de l'ampli mais pas de reverb avec la gratte...

Je peux essayer de commander cette puce au cas ou... Je n'ai pas d'osciloscope pour tester.. Il y a peut être plusieurs modèles ou je prends n'importe laquelle ayant la même réference ?
oldamp
  • Vintage Méga utilisateur
  • #20
  • Publié par
    oldamp
    le
Ah, le marquage est donc trompeur ! Donc tu as bien déterminé le sens de branchement du tank. Pour la puce, n'importe quel RC4136 convient. C'est 2€ environ, t'auras plus de port !

Reichelt envoie rapidement.

https://www.reichelt.com/fr/fr(...).html

Vérifie quand même que la pin qui buzz correspond bien au fil qui va au centre de la RCA...
nino56
  • Special Supra utilisateur
  • #21
  • Publié par
    nino56
    le
Oui complétement trompeur.. Bon du coup j'ai bien le centre du rca sur la pin 5 et idem pour le second rca...

Pour récapituler, je sort du côté ampli en out vers le in du tank et je sort sur tank en out vers le in de la carte... son un tout petit peu changé mais j'ai pas de reverb, fort possible que ça soit la puce comme tu disais..

J'en commande 2 et (une en secours..) et je re post dès que j'aurai essayé.. je vais tester aussi les petites résistances qui sont sur le trajet du signal des fois que j'en repère une HS..

Pas simple !! Merci pour l'aide en tout cas.
nino56
  • Special Supra utilisateur
  • #22
  • Publié par
    nino56
    le
de retour après avoir remplacé la puce.

Toujours pas de reverb..

Je continue de tester les résistances une à une.. Il est possible aussi que cela vienne du potentiomètre qui resterait à 0 même en le tournant... J'entends bien les ressorts en tapotant directement sur le tank, c'est bien que le signal sort...

Le problème vient donc d'avant le tank maintenant.
nino56
  • Special Supra utilisateur
  • #23
  • Publié par
    nino56
    le
Je viens de tester toutes les résistances et toutes les diodes..

Le multimètre reste à 1 pour la C15, j'ai l'impression qu'elle est morte... et elle est sur le circuit de la reverb. Par contre là sans notice technique, dur de savoir laquelle il faut, c'est écrit tellement petit..

oldamp
  • Vintage Méga utilisateur
  • #24
  • Publié par
    oldamp
    le
C15 c'est un condensateur...
nino56
  • Special Supra utilisateur
  • #25
  • Publié par
    nino56
    le
Tous les autres donnent une valeur sur le testeur en mode diode sauf celui la ..
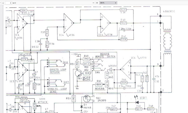
corto30
oldamp a écrit :
C15 c'est un condensateur...





Schema d'un carlsbro avec meme reverb et CI ... Avec beaucoup de patience et methode on doit pouvoir retrouver les valeurs des condos..




Edit : grillé par oldamp
Nutrisco et Extinguo
nino56
  • Special Supra utilisateur
  • #28
  • Publié par
    nino56
    le
Merci pour les plans !!! Je vais regarder ça et tenter de tout bien tester.. apres ça sera tech spécialisé ampli de toute manière, car je veux pas tenter le diable ...
corto30
Vu l'oxydation des composants sur tes photos ça vaut la peine de nettoyer à la bombe les 2 switchs et le jack femelle f/s (tu as le footswitch d'origine ?)
Nutrisco et Extinguo
nino56
  • Special Supra utilisateur
  • #30
  • Publié par
    nino56
    le
J'ai mis de la bombe contact dans toutes les prises jack et dans tous les potards, un peu moins de craquement quand je tourne certain potards, mais toujours pas de reverb ou de suzz....
Je n'ai pas le footswitch d'origine mais je cherches.... Ça va ?tre compliqué d'en trouver un..

En ce moment sur ampli et préampli guitare et Carlsbro...