Les amplis Dumble...

Rappel du dernier message de la page précédente :
room135
  • room135
  • Vintage Total utilisateur
room135 a écrit :

(...)
C'est finalement comme une bonne guitare like à 300 euros si on l'a compare à l'originale qui coûte 3 000 euros, l'originale sera bien meilleure mais pas 100 fois mieux...


Rectificatif:

10 fois mieux car 300 X 10 = 3 000 et non 300 X 100 = 30 000

Oups
j0k3335
ChopSauce a écrit :
Le Dumble de Hilden est/était le #94, si je ne me trompe pas.

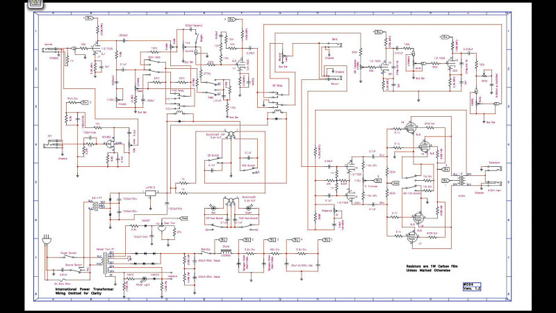
modèle connu apparemment :

schem




Musician: Someone who puts $50,000 worth of gear into a $5,000 car to drive 100 miles to a $50 gig.
L'intelligence artificielle ne fait pas le poids face à la stupidité naturelle !
Nous sommes composés de 65% d'eau et de ... 35% de questions ...
... le moment est venu, quand l'heure est arrivée ...
djouby
  • Vintage Méga utilisateur
j0k3335 a écrit :


J'ai essayé, pour la petite histoire, de noter le N° de série du Dumble ... mais peine perdue, je n'arrive pas à lire


Hello... je dirais 0094



EDIT Grillé



EDIT j'ai du resté sur la page précédente




Olric
  • Vintage Total utilisateur
  • #333
  • Publié par
    Olric
    le
j0k3335 a écrit :
pour vous faire écouter une rareté aussi, un Dumble Ultra Phonix: un fender, à la base, modifié à la sauce Dumble.

ça sent la dynamique à tout va ( ça pourrait partir en 'larsen' sur n'importe quelle note ):

par mon cher ami ANDY ( )



un autre exemple:



ça a l'air de salement sonner ces petites bêtes

allez, une autre rareté: un Dumbleland Special amp ==



le principe des filtres a l'air redoutable !

bon, évidemment le bon vieux "basique" ODS n'est pas triste non plus einh:

1980s Dumble Overdrive Special ==



... bon bah on va hypothéquer la maison ... ah merde, y'a même pas assez ...

allez, bonne écoute


Bon la dernière vidéo, c’est pas celle qui va donner envie d’en acheter un… celle de Matt Rae par contre…
Me tirez pas dessus, j'ai pas de PEA !
j0k3335
Olric a écrit :




Bon la dernière vidéo, c’est pas celle qui va donner envie d’en acheter un… celle de Matt Rae par contre…


oui, j'ai voulu balayer différents modèles de Dumble ... la qualité de jeux étant secondaire: là, avec Mat, il n'y a pas photo, je suis d'accord ! ça sonne
Musician: Someone who puts $50,000 worth of gear into a $5,000 car to drive 100 miles to a $50 gig.
L'intelligence artificielle ne fait pas le poids face à la stupidité naturelle !
Nous sommes composés de 65% d'eau et de ... 35% de questions ...
... le moment est venu, quand l'heure est arrivée ...
Olric
  • Vintage Total utilisateur
  • #336
  • Publié par
    Olric
    le
Celui là sonne bien, très chaleureux.
Me tirez pas dessus, j'ai pas de PEA !
Olric
  • Vintage Total utilisateur
  • #339
  • Publié par
    Olric
    le
Comme ça on sait qu'il y en a au moins un en France.
Me tirez pas dessus, j'ai pas de PEA !
Olric
  • Vintage Total utilisateur
  • #341
  • Publié par
    Olric
    le
A priori des espaces de démonstration en France et au Luxembourg ? Je ne sais pas où ça a été filmé.
Me tirez pas dessus, j'ai pas de PEA !
j0k3335
Pour ceux qui se posaient des questions sur Robben Ford jouant moins sur DUMBLE, bah il en aurait vendu un des deux (?):

j'ai trouvé cela sur TheAmpGarage, écrit par Andy Fuchs lui-même:


" I'm just not understanding Robben's current gear choices.
( ça c'est une critique non déguisée envers les amplis " Little Walter" !!! )

I know he (and maybe also Carlton) sold (some of) their Dumble's to fund divorces. Man, I get that now totally, being divorced myself. As far as current tones and gear choices, I'm not getting it with Robben. Larry is moving a signature guitar now, so hey, it's a nice revenue stream for him.

Donc, il y aurait des histoires de "gros sous", pour financer ... son divorce !!!

Il suppose que, pour Larry Carlton, ça pourrait tourner autour du même problème avec aussi ... son modèle signature "SIRE" ... qui lui aurait rapporté quelques petits sous ...

OU, comme souvent, Andy Fuchs crache encore un tas de suppositions bien visqueuses ...
Musician: Someone who puts $50,000 worth of gear into a $5,000 car to drive 100 miles to a $50 gig.
L'intelligence artificielle ne fait pas le poids face à la stupidité naturelle !
Nous sommes composés de 65% d'eau et de ... 35% de questions ...
... le moment est venu, quand l'heure est arrivée ...
Mikka Grytviken
Fuchs ... fucks ...

Robben n'en a pas eu que deux puisqu'il y a même des concerts avec lequel on l'a vu avec des versions combo ...

Du toutes façons Robben dans un Fender Super Reverb ou même un Twin Reverb sonne tout aussi bien comme Robben ...

Je ne sais pas si je vais retrouver ça mais il y a même un solo pour une session dans lequel il a un son de malade alors qu'il aurait utilisé une LP empruntée sur place dans un Twin avec une Boss Blues Driver ... lu sur un forum US assumé par un forumeur qui tiendrait l'info de la bouche de Robben himself.

Edit :

Retrouvé !



Qui pourrait affirmer que ça n'est pas un Dumble sans cette information ?



Je vais aller m'acheter une Boss Blues Driver tiens !

Olric
  • Vintage Total utilisateur
  • #344
  • Publié par
    Olric
    le
Mikka Grytviken a écrit :
Fuchs ... fucks ...

Robben n'en a pas eu que deux puisqu'il y a même des concerts avec lequel on l'a vu avec des versions combo ...

Du toutes façons Robben dans un Fender Super Reverb ou même un Twin Reverb sonne tout aussi bien comme Robben ...

Je ne sais pas si je vais retrouver ça mais il y a même un solo pour une session dans lequel il a un son de malade alors qu'il aurait utilisé une LP empruntée sur place dans un Twin avec une Boss Blues Driver ... lu sur un forum US assumé par un forumeur qui tiendrait l'info de la bouche de Robben himself.

Edit :

Retrouvé !



Qui pourrait affirmer que ça n'est pas un Dumble sans cette information ?



Je vais aller m'acheter une Boss Blues Driver tiens !



Le Dumble combo a été transformé en tête.
Me tirez pas dessus, j'ai pas de PEA !

En ce moment sur ampli et préampli guitare...