Plex, la nouvelle tête d'ampli de Friedman

Rappel du dernier message de la page précédente :
Mechanix
[quote="PiPiRoSe"]



Merci Pipirose.
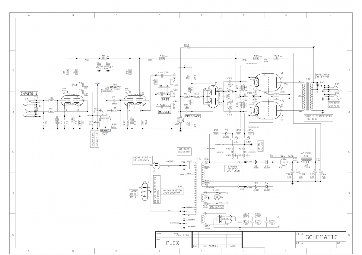
Que produit la modif après le tonestack où il y a une R de 233k en // d'un condo de 56pf ? Normalement c'est juste une R de 100k non ?

Le PPIMV est bizarre aussi, avec une R de 330k en série avec un condo vers la masse.
PiPiRoSe
c est le nfb ( contre réaction) j ai noté les valeurs du gars en attendant de vérifier avec photo et pour le master attention c est un premier tracé pour se souvenir des valeurs pour la prochaine fois mais c est pas encore tracé bien la partie master , je n ai pas de photo ou c est visible je vois juste 4 condo de 100nf dans la partie ampli
mon meilleur montage grâce au pcb d un ami :
https://www.casimages.com/u/pi(...)2817/
Oghkhood
El Phaco a écrit :
Maxcreed a écrit :
Du coup, qui dit nouveau circuit, dit un minimum de R&D


Je suis pas spécialiste, mais quelle R&D sur une réplique de plexi avec comme seuls mods un master et les canaux pontés ?



+1000000000000000000000000000000000000


Avec la cao moderne il te faut plus de temps pour faire avaler le schema du plexi a ton application que pour lui faire cracher les plans du circuit imprimé du Friedman
On dit d'un fou qu'il a perdu le sens de la realité.

Alors que dire des gens qui confondent :

- La colere et la haine
- Le respect et la crainte
- L'offense et la peur
- La vérité et la croyance
- Le savoir et l'information
- L'amour et l'envie
- Etre et avoir
PiPiRoSe
déterrage
je viens de récupérer le plan de celui la si besoin envoyez moi un mp ( ce n est pas mon tracé donc je ne veux pas le poster ici en direct )
sinon un plex avec en modif :
- les 2 premières cathodes a 2,7k
- les 2 potar de gain avec le même bright : 100pf / rien / 4,7nf
- le condo en // de la 470k qui est habituellement a 470pf est a 560pf ici
- sur le dernier étage de gain en // de la 820 ohms : 22uf 50v
- condos de liaisons après déphaseur : 100nf x 2
- un ppimv , pot A250k et 2m2
- no grid résistor pour les el 34
voila les zamis .
mon meilleur montage grâce au pcb d un ami :
https://www.casimages.com/u/pi(...)2817/
The Trout
Le potard de mid qui a une valeur différente aussi, non?
“The type of cap is not as important as the value of the cap, for guitar. In an Amp, your cap type is much more important, as the signal is being passed through the cap all the time. In a guitar, you’re not hearing the cap itself, you’re hearing what the cap is impeding”. Lindy Fralin
The Trout
J'avais entendu Dave Friedman dire que le potard de mid était un 50k dans son Plex, comme dans celui d'EVH.
“The type of cap is not as important as the value of the cap, for guitar. In an Amp, your cap type is much more important, as the signal is being passed through the cap all the time. In a guitar, you’re not hearing the cap itself, you’re hearing what the cap is impeding”. Lindy Fralin
PiPiRoSe
j ai en photo l ampli dont tu parle avec le pot 50k d evh un marshall serie "12000" pris en photo par Friedman , je pense qu' il n a pas fait d'erreur mais sait on jamais , je vais lui demander une confirmation de ca .
mon meilleur montage grâce au pcb d un ami :
https://www.casimages.com/u/pi(...)2817/
Rivera
  • Vintage Top utilisateur
  • #40
  • Publié par
    Rivera
    le
PiPiRoSe a écrit :
c est le nfb ( contre réaction) j ai noté les valeurs du gars en attendant de vérifier avec photo et pour le master attention c est un premier tracé pour se souvenir des valeurs pour la prochaine fois mais c est pas encore tracé bien la partie master , je n ai pas de photo ou c est visible je vois juste 4 condo de 100nf dans la partie ampli


C'est effectivement dans le circuit de contre réaction mais pour le cout, il agit plus comme un Depth ou une Resonance qu'un NFB.
Ventes:
ISO Buffer SW LNA Custom, Mesa: Dos openback pour baffle Rectifier 2x12

Si les problèmes persistent, prendre un JCM800. Deux baffles 4x12 avec gamelles d'au minimum 100dB de rendement. Mettre tous les réglages aux alentours de 10 (pas 9 ni 11), jouer 3 à 4 secondes et OHHH miracle, tu n'entends plus le buzz!!!
PiPiRoSe
  • #41
  • Publié par
    PiPiRoSe
    le (Modifié 2 fois)
Salut gilles , ne pas regarder mon 1er gribouillis, dans le plan que je viens d avoir ( et qui normalement est bon ) la nfb c est 47k sur la sortie 16 ohms sur cet ampli .
Le mid pot est bien de 25k je viens d avoir une photo qui le confirme .
Le plan que j ai correspond a la revision A , je ne sais pas si y en a d autres par la suite , pas impossible .



plex mid pot


c est pas très net mais en zoomant je lis bien b25k sur la photo originale sur l ordi .
Modifié le 14/04/2026 à 08:17
mon meilleur montage grâce au pcb d un ami :
https://www.casimages.com/u/pi(...)2817/
PiPiRoSe
ca a été partagé depuis donc je peux vous le mettre ici :

vintage plex


c est dommage le forum réduit fortement la qualité de la photo c est moins lisible que sur l ordi chez moi
Modifié le 15/04/2026 à 19:02
mon meilleur montage grâce au pcb d un ami :
https://www.casimages.com/u/pi(...)2817/
Mikka Grytviken
Oui c'est très difficilement lisible.

Il faut héberger ton image sur un site dédié comme casimage par exemple.

::


Edit :
Ca ressemble beaucoup à ce que j'ai fait sur mon "Tweexi" en-dehors de l'absence de master volume sur le mien et le fait qu'actuellement j'ai un étage de puissance en 6L6GC le quel a été prévu pour pouvoir aussi y mettre une paire d'EL34 si je le souhaite.
Modifié le 18/04/2026 à 12:56

En ce moment sur ampli et préampli guitare...