Victor Custom Amp
Topic Pro

Rappel du dernier message de la page précédente :
trb
  • trb
  • Special Ultra utilisateur
  • #405
  • Publié par
    trb
    le 22 Juil 2017, 09:40
Victor a commencé à assembler le préampli.
je vous posterai des photos.
Et il est en attente de réception des transfos du PA.
crowysterik
Répéte ce week-end avec mon groupe principale. Formation plus métal dans le délire !

Ils ont trouvé que j'avais un super son, il a fallu que je règle le bouzin un peu différemment, car j'avais énormément de grave surement dû à mon preset du torpedo CAB et surtout au fait que c'est aussi du son typé à la MESA BOOGIE. mais une fois réglé, c'était top, je retrouve des sensations de jeu, le son est propre. Et il n'y a AUCUN souffle pourtant je joue fort ! le gate intégré est vraiment super ! quand j'active un boost ou une autre disto mais j'ai mon NS de chez BOSS qui prend le rélai, du coup je joue vraiment la tête libérée de tous les larsen possibles et c'est top !
trb
  • Special Ultra utilisateur
  • #407
  • Publié par
    trb
    le
Top
Tres content pour toi
trb
  • Special Ultra utilisateur
  • #408
  • Publié par
    trb
    le
en cours...

preamp BE 100
trb
  • Special Ultra utilisateur
  • #409
  • Publié par
    trb
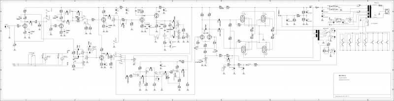
    le
et sur ce schema BE 100 2 V1.5

BE-100 scheme
titienou
Sympa et rigolo je lui ai aussi demandé un be-100 mais avec la partie power AMP 5w je suis super impatient de voir le résultat !!!!!!
trb
  • Special Ultra utilisateur
  • #411
  • Publié par
    trb
    le
Cool !! On comparera !
trb
  • Special Ultra utilisateur
  • #412
  • Publié par
    trb
    le
Tu lui as passé commande quand ?
titienou
Il y a deux/trois semaines environ c'est une tête be-100 5W avec 2-3 effets, une sortie de CAB et aussi une simulation de CAB AMT Pangea avec des IR
titienou
Perso oui j'aurais la possibilité de record avec ma carte son
trb
  • Special Ultra utilisateur
  • #416
  • Publié par
    trb
    le
Je ferai aussi des vids.
Pour ma part j ai dir a victor qu'il a le temps car de retour chez moi le 15 aout. Avec les 2/3 sem de shipping je l'aurai en sept je pense.
trb
  • Special Ultra utilisateur
  • #417
  • Publié par
    trb
    le
Je ferai aussi des vids.
Pour ma part j ai dir a victor qu'il a le temps car de retour chez moi le 15 aout. Avec les 2/3 sem de shipping je l'aurai en sept je pense.
titienou
Pour ma part ça sera aussi pour septembre visiblement. Il faut qu'il prototype le circuit pour utiliser des IR il ne la jamais fait avant :-)
trb
  • Special Ultra utilisateur
  • #420
  • Publié par
    trb
    le
Pour usage des IR j ´ai un atténuateur et une sortie ligne
Je mets wall of sound de two notes sur le pc. Mais ce n'est pas une solution mobile et autonome.

En ce moment sur ampli et préampli guitare...