Valeur condensateur

Forum Cort
Forums
lolo26790
Salut les gratteux.

Je possède une CORT EVL Z4 achetée d'occase, avec des EMG HZ, donc passifs.

Ils sont censés être solderless, confirmé par CORT eux-mêmes, sauf qu'ils sont soudés sur la mienne. Je pense qu'il y a eu du bidouillage par l'ancien proprio, d'autant que le son est très bizarre comme je le disais dans un post précédent (très très artificiel, très aigu, pas beau).

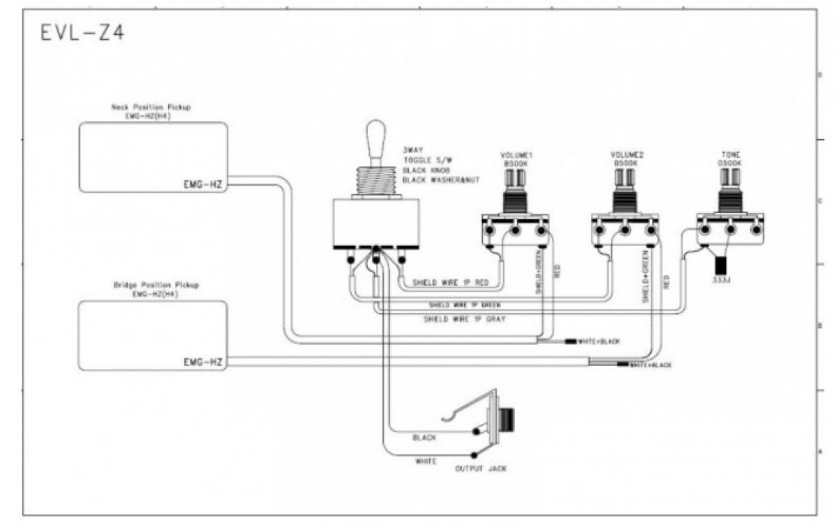
Le condo installé sur le potard de tonalité est un 33nf, mesuré à 36 (mais branché, donc normal petite différence).

D'après CORT, ça devrait être un 47nf.

Les potards sont tous des 500k, donc pour ça ok, c'est normal pour des passifs.

Est ce que vous pensez que le condo à 33nf n'est pas le bon ? Est ce que ça pourrait changer le son à ce point pour les micros, si la valeur n'est pas celle prévue d'origine (47) ?

Autre chose, plus le condo est faible, plus le son est quoi ? aigu, ou grave ?

merci les pros.
Gibson SG Faded 2018
Gibson Flying V Pro T 2016 EMG JH Set.
Fender Lead 3
PEAVEY Bandit 112 SS Sheffield Made in UK
Pedale BOSS Metal Zone 2 + BOSS NS2
Focusrite Solo + Yamaha HS7
ranez
  • Custom Cool utilisateur
  • #2
  • Publié par
    ranez
    le
Salut. Enleve le comme ça tu pourras entendre le son de ton micro sans possible variations du condo.
corto30
  • #3
  • Publié par
    corto30
    le
Pour moi c'est bien un 33 d'origine..



Cort z4


Si ça a été modifié verifie les soudures, le cablage, les 2 splits..
Et une plus forte valeur de capa ça enlèvera des aigües.

P.s. tu as eu les infos de cort comment ? Parce que l'image c'est le schéma d'origine, et non solderless...
Nutrisco et Extinguo
lolo26790
ranez a écrit :
Salut. Enleve le comme ça tu pourras entendre le son de ton micro sans possible variations du condo.


Bonne idée !


corto30 a écrit :
Pour moi c'est bien un 33 d'origine..

Cort z4


Si ça a été modifié verifie les soudures, le cablage, les 2 splits..
Et une plus forte valeur de capa ça enlèvera des aigües.

P.s. tu as eu les infos de cort comment ? Parce que l'image c'est le schéma d'origine, et non solderless...


Merci pour le schema je l'avais pas. J'ai eu les infos de CORT directement en leur faisant un mail. D'après eux c'est bien du solderless et c'est bien un 47nf ... mais bon après tout dépend du type qui m'a répondu ... si ça se trouve il a dit ça sans vérifier, de mémoire ou tout simplement m'a dit de la merde

J'ai lu après en fouinant sur le net, que plus le condo est petit, plus ca apporte d'aigu et aussi que en général les 22nf sont pour les humbuckers, et les 47 pour les single coils, les 33 étant pour des combinaisons SINGLE - HUMBUCKERS.
Gibson SG Faded 2018
Gibson Flying V Pro T 2016 EMG JH Set.
Fender Lead 3
PEAVEY Bandit 112 SS Sheffield Made in UK
Pedale BOSS Metal Zone 2 + BOSS NS2
Focusrite Solo + Yamaha HS7
corto30
  • #5
  • Publié par
    corto30
    le
Ils ont peut etre confondus avec la z44 xenox qui y ressemble... beaucoup..

Verifie les splits : les fils blancs et noirs de chaque micro doivent être reliés ensemble, à une periode ils faisaient juste un tortillon et un bout de scotch dessus, c'est pas super fiable..
Nutrisco et Extinguo
Fenson66
Un condo n'apporte rien, il retire. Un 47nF filtrera une plus large bande de fréquences aigues qu'un 33nF.
Mais ça c'est dans le cas où tu utilises ton potard de tonalité parce que Tone à 10 la valeur du condo n'influe pas sur le son.
Il ne faut pas compter sur ceux qui ont créé les problèmes pour les résoudre.

"La religion est une insulte à la dignité humaine. Que ce soit avec ou sans elle, il y aura toujours des gens bien qui font de bonnes choses, et des mauvais qui font de mauvaises choses. Mais pour que des gens bien agissent mal, il faut la religion." S.WEINBERG

https://www.droitaucorps.com/
ranez
  • Custom Cool utilisateur
  • #7
  • Publié par
    ranez
    le
Merci d'avoir clairifié ce point, Fenson. J'avais lu des trucs sur le "no load tone pot", des gars qui disaient que meme à 10, un potenciomètre avec condo n'aurait pas le meme son que sans condo.
Fenson66
Le "no load Tone pot" sert à extraire le potard de Tone du circuit.
C'est le potard lui même qui par sa résistivité joue un rôle de filtre, en le sortant du circuit on récupère des aigus, le son est plus brillant.
Il ne faut pas compter sur ceux qui ont créé les problèmes pour les résoudre.

"La religion est une insulte à la dignité humaine. Que ce soit avec ou sans elle, il y aura toujours des gens bien qui font de bonnes choses, et des mauvais qui font de mauvaises choses. Mais pour que des gens bien agissent mal, il faut la religion." S.WEINBERG

https://www.droitaucorps.com/
lolo26790
corto30 a écrit :
Ils ont peut etre confondus avec la z44 xenox qui y ressemble... beaucoup..

Verifie les splits : les fils blancs et noirs de chaque micro doivent être reliés ensemble, à une periode ils faisaient juste un tortillon et un bout de scotch dessus, c'est pas super fiable..


Oui peut etre ils ont confondu ! J'ai vérifié, ils sont bien soudés ensemble et pas juste entortillés.


Fenson66 a écrit :
Un condo n'apporte rien, il retire. Un 47nF filtrera une plus large bande de fréquences aigues qu'un 33nF.
Mais ça c'est dans le cas où tu utilises ton potard de tonalité parce que Tone à 10 la valeur du condo n'influe pas sur le son.


Ahhh voila une info qu'elle est pertinente ! Merci je ne savais pas du tout qu'à 10, en fait le condo ne sert à rien. Et effectivement tu as raison, c'est en baissant le tone que les graves apparaissent et que le condo joue son rôle, mais à 10 c'est comme s'il était pas là. Bien vu ! en plus c'est logique.

Sinon toi t'as pas une idée de ce qui pourrait apporter ce son très bizarre avec les EMG passifs, surtout sur les cordes centrales. Ce qui me chagrine, c'est que les EMG je connais, j'ai déjà eu quasiment tout ce qui existait mais c'est la première fois par contre des EMG passifs. Et tous les essais et comparatifs que je lis, les gens disent que les passifs ont quasiment le même son que le 81, juste avec un niveau de sortie plus faible, forcément sans la pile ... alors qu'en fait, il n'a pas DU TOUT le même son que le 81. Ca n'a même rien à voir.
C'est difficile à expliquer le son avec des mots ... c'est comme si par exemple il n'y avait aucun grave à partir de la corde de ré et suivantes ... uniquement sur les mi et la. Les cordes de ré sol si sonnent comme si il n'y avait que des mediums (et beaucoup !) et aigus et aucun grave. Ce qui n'est pas le cas avec les autres EMG actifs, ou même tout simplement n'importe quel autre micro passif de toute marque.
Gibson SG Faded 2018
Gibson Flying V Pro T 2016 EMG JH Set.
Fender Lead 3
PEAVEY Bandit 112 SS Sheffield Made in UK
Pedale BOSS Metal Zone 2 + BOSS NS2
Focusrite Solo + Yamaha HS7
Biosmog
  • Vintage Méga utilisateur
lolo26790 a écrit :
corto30 a écrit :
Ils ont peut etre confondus avec la z44 xenox qui y ressemble... beaucoup..

Verifie les splits : les fils blancs et noirs de chaque micro doivent être reliés ensemble, à une periode ils faisaient juste un tortillon et un bout de scotch dessus, c'est pas super fiable..


Oui peut etre ils ont confondu ! J'ai vérifié, ils sont bien soudés ensemble et pas juste entortillés.


Fenson66 a écrit :
Un condo n'apporte rien, il retire. Un 47nF filtrera une plus large bande de fréquences aigues qu'un 33nF.
Mais ça c'est dans le cas où tu utilises ton potard de tonalité parce que Tone à 10 la valeur du condo n'influe pas sur le son.


Ahhh voila une info qu'elle est pertinente ! Merci je ne savais pas du tout qu'à 10, en fait le condo ne sert à rien. Et effectivement tu as raison, c'est en baissant le tone que les graves apparaissent et que le condo joue son rôle, mais à 10 c'est comme s'il était pas là. Bien vu ! en plus c'est logique.


Voilà ! Sauf que ce ne sont pas les graves qui apparaissent mais les aigus qui disparaissent. Encore une fois : le condo filtre (la résistance dirige plus ou moins le signal dans le condo), il n'ajoute rien.
Vous battez pas, je vous aime tous

En ce moment sur guitare électrique et Cort...