Musikding the face germanium

catfish56
Bonjour à tous,
je me suis lancé dans la fabrication d'une pédale d'effet pour guitare...
Je n'ai aucune formation d'électricité, électronique ni quoi que ce soit, juste mes souvenirs de lycée (un peu lointains mais qui reviennent), l'électronique pour les n... et le net, ses forums.
Une petite question sur guitariste.com, puisqu'on y trouve les électroniciens, les guitaristes, les autres et les passionnés.
Alors voilà: un kit musikding de fuzzface parcequ'on lit partout que c'est la plus facile à faire.
Le modèle face germanium, proche de l'originale, 2 boutons, et 22€!
Du matériel à disposition. Bon je n'ai jamais soudé de ma vie, mais y'a un début à tout. Ah si un changement de micro sur ma telecaster.

réception du kit sans problème, toutes les pièces sont là.


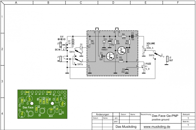
kit face germanium


je monte le tout, bon la soudure c'est sûr ça s'apprend pas en 2h... en suivant leur doc. Je ne comprend pas encore les schémas, mais j'y travaille.


le visuel pour moi



Face Germanium schematic


Voilà c'est fait. J'ai viré l'alim, ça prend de la place et puis c'est alimenté par la pile, non?
Et puis...rien! Pas un son. Enfin si, un clic.

Ca semble true bypass, je switch, la led s'allume et plus de son.

bon je regarde un peu mieux, ça me parait bizarre sur le 3PDT au niveau de la led. C'est inversé sur le wiring?
j'échange le 3 et le 6



Montage maison


Je branche, true bypass ok, switch = rien !!!
Ah j'augmente vol et fuzz, un peu, baucoup, à fond, et là quelquechose.
Enfin un bruit de fuzz, mais il y a un faux contact quelque part, ça va ça vient, et ça ne dure que 2 secondes.
On a l'impression que dès que le volume de la gratte baisse, ça marche plus.

Voilà le petit compte rendu.
Si quelqu'un a une idée pour m'aider, ça serait bienvenu.
Merci
Flying Pils band
Gretsch 6121
Fx Dr B
oldamp
  • Vintage Méga utilisateur
  • #3
  • Publié par
    oldamp
    le
Tu as bien simplement enfiché les transistors dans les supports ? Parce qu'on dirait que c'est soudé.... Un transo germanium est très très sensible à la chaleur et si tu as insisté avec le fer, ils sont morts......
catfish56
Ok, le switch et les transistors...
Effectivement je ne savais pas comment les fixer et j’ai foiré un support. C’est obligatoire ? J’ai vu des montages sans support.
Merci à tous les 2, je sais sur quoi partir pour commencer les verif maintenant
Flying Pils band
Gretsch 6121
Fx Dr B
Zeman
  • Special Supra utilisateur
  • #5
  • Publié par
    Zeman
    le
La boîte ronde fait partie du kit ? Je l'ai cherchée et pas trouvée, peux-tu m'envoyer le lien ou la référence stp ?
Le support permet de ne pas souder directement les papattes des transistors qui craignent la chaleur (ceux au germanium en tout cas). Si ça se trouve, tu as cramé un transistor.
Edit : j'avais pas lu les autres messages, on te l'a déjà dit pour le support.
catfish56
Oui j’ai du cramer le transistor!
Je by-pass pour voir, sinon changement de transistor.
La boîte c’est un pote chaudronnier qui me l’a faite...
Flying Pils band
Gretsch 6121
Fx Dr B
geogeo68
Félicitations d'avoir eu le courage de te lancer

On est tous passé par là notamment avec la FF

Loin d'être un spécialiste de l'électronique
Je vais essayer d'apporter ma pierre à l'édifice.

Tous ensemble On va trouver la solution t'inquiètes

Les remarques précédentes sont pertinentes!
souder les transistors; pas bien
Mais il me semble percevoir des erreurs de câblage, enfin c'est difficile de s'y retrouver sur une photo.

Comment as tu connecté ton jack stéréo (Input) et la pile?
le +9v de la pile (fil rouge) va à la masse du jack stéréo (Input) ça m'a l'air correct.

Par contre la masse de la pile (fil noir)
devrait être connecté au circuit (point 7)
Est-ce le cas?

J'ai l'impression que tu as inversé les branchements du potard de volume (patte 1, celle à droite) avec celui de la masse de la pile?
Bon après même si tu les as inversés ça devrait tout de même fonctionner car ça va au même endroit.

Mais vérifies que tu as bien branché le négatif de la pile vers le circuit
Et vérifie aussi le sens/brochage de tes transistors
Le mieux est l'ennemi du bien.

Elsasser per immer!

--------------------------

Hot Rod Blues Junior : Tuto billm mods/conversion tête :
https://www.guitariste.com/for(...).html

Mes clones :
https://www.guitariste.com/for(...)28571

Ma partscaster Telemaster blackguard :
https://www.guitariste.com/for(...).html

Ma partscaster "Woodcaster" Tru Oil finish
https://www.guitariste.com/for(...)9.htm

Telemaster users'club, c'est ici :
https://www.guitariste.com/for(...).html
catfish56
Salut Geogeo68
merci pour tes conseils.
je pense que les branchements sont bons: fil rouge de la pile sur patte gauche du "In", fil noir sur "7"
fil noir fuzz sur patte droite volume puis sur "12"

j'ai pas vérifié les résistances, je les ai posées selon leur étiquette.

Une question sur RV1, mini trimpot c'est ça? Ca se règle?

Pour tester le circuit il faut un jack en "In" et "Out"?

Merci
Flying Pils band
Gretsch 6121
Fx Dr B
Zeman
  • Special Supra utilisateur
  • #9
  • Publié par
    Zeman
    le
RV : résistance variable, donc un potard. Oui, ça se règle, ça sert à ça.
catfish56
Zeman a écrit :
RV : résistance variable, donc un potard. Oui, ça se règle, ça sert à ça.


Ca se règle comment? en direct branché ou hors alimentation?
Flying Pils band
Gretsch 6121
Fx Dr B
Zeman
  • Special Supra utilisateur
  • #11
  • Publié par
    Zeman
    le
catfish56 a écrit :
Zeman a écrit :
RV : résistance variable, donc un potard. Oui, ça se règle, ça sert à ça.


Ca se règle comment? en direct branché ou hors alimentation?

On parle bien d'un petit composant à souder sur un circuit imprimé ? Il y a une empreinte pour un tournevis. Parfois, on perce le châssis pour y accéder sans ouvrir.
exemple :
Zeman
  • Special Supra utilisateur
  • #12
  • Publié par
    Zeman
    le
Je ne connais pas le circuit, donc je ne sais pas à quoi sert cette résistance dans ce montage. Peut-être que ce potard permet de peaufiner le gain ? Les caractéristiques des transistors au germanium sont assez dispersées d'un composant à l'autre.
Tu l'ajustes à l'oreille, en jouant, j'imagine.

trimpot
catfish56
j'ai 9,59V aux bornes de la pile,
9,45V patte gauche du In / patte droite du Out
9,52V entre le collecteur = point rouge, (ou l'émetteur = languette) du 2è transistor et le pôle + de la pile
même chose pour T1
et même chose pour les 2 quand je tourne le trimpot dans un sens ou l'autre

ça parle à quelqu'un ces chiffres?


Edit: tout branché (guitare et ampli)
collecteur T2: 9,42V
emetteur T2: 0,27V
collecteur T1: 0,27V
emetteur T1: 0
pas de changement en réglant le trimpot non plus!
Flying Pils band
Gretsch 6121
Fx Dr B
catfish56
j'ai fait un petit enregistrement rapide avec le téléphone

les potards de la fuzz à fond, le volume chute à l'enclenchement du switch et le son ne tient pas dans le temps



Flying Pils band
Gretsch 6121
Fx Dr B
Bitman1er
une kwakbox

j'en avait fait une à l'époque, j'ai abandonné l'affaire
Tu cherches un nouvel endroit pour dire des conneries ? Essaye ici!
http://forum.condylure.info

En ce moment sur effets...