Photos de vos pédales DIY

Rappel du dernier message de la page précédente :
Erix29
  • Custom Cool utilisateur
outbreak a écrit :
Vous avez des idées de pédale de boost transparente ?


La Keeley Katana est un classique simple
Denis13
  • Vintage Méga utilisateur
Peeg31 a écrit :
Bravo, j'adore ta déco au tampon (en tout cas ça ressemble à du tampon).
C'est sobre, joli, fonctionnel, efficace, lisible, bien agencé... bref c'est top !

Pareil, j'aime beaucoup
Merci beaucoup à tous les deux.
C'est bien des tampons, j'ai trouvé l'idée ici (merci Boba7 )

A l'origine, c'était surtout l'électronique qui m'intéressait et je voulais faire au plus simple pour la déco (peinture du boitiers puis écriture au tampon pour les identifier).
Mais finalement, ça prend pas mal de temps et il y a une vrai satisfaction à la fin du processus alors je me suis pris au jeu, d'où la déco un poil plus poussé de la dernière pour laquelle je m'y suis repris à 3 fois avant d'arriver à ce que je voulais.
Fandango
Et oui.... on commence tous par s’interesser Au côté électronique puis au final, on s’apercoit Que le conditionnement prend du temps et que sa confection n’en ai pas moins un sujet de satisfaction.
we gonna groooooove
Merci benoi31.

J'ai acheté les boitiers brut pre-percé avec les kits musikding et je les ai peint à la bombe.

J'essaierai sans doute aussi en partant avec des boitiers peints mais j'ai bien aimé le faire moi même aussi.
C'est plus personnel du coup.

Et puis les boitiers peints, c'est une autre contrainte puisqu'il faut les percer soit-même et je suis pas vraiment équipé pour.
Le Corbusier
outbreak a écrit :
Vous avez des idées de pédale de boost transparente ?

- ZVEX Super Hard On (SHO)
- ZVEX Channel 2 (idem mais avec un master volume)

ou les deux montés en série dans un boîtier, pour 3 niveaux de boost :
- ZVEX Super Duper 2-in-1
C'est vraiment très très bien, et très versatile.

Je crois que les schémas et composants se trouvent facilement.
mick 5820
Cc!!

Voici mon pcb Fuzz face Silicon replica avec composants Nos, resistances Nos allan bradley, et une 330k (préformed 70´s)
J’ai mis le trimpot mais j’ai pas de multimètre pour bien le regler je pense donc me servir de mes oreilles!😀
Pour les transistors silicon j’ai deux BC109B nos, un BC108, 1 BC183A et 1 BC 183B je vais installer des socles et tester chacun de mes transistors pour savoir lequel me plait le plus.
Une question, savez vous pourquoi sur les silicon on met une resistance de 330K et pas la 8k2 comme sur la germanium??merci!!!

Fuzz
  • #2679
  • Publié par
    Jrog
    le
bonjour

je lis beaucoup cette rubrique
et intervient tres peut
je profites d avoir fini
ma pedale de distortion pour la presenter

elle est composée de 3 tubes 12au7
je n utilises pas de 12ax7 en général je trouves que cest un tube un peut raide a l'écoute pour moi
et qui a tendance a faire du bruit

elle est alimentée en 150 volts
avec une alim externe
les filaments sont chauffés en continue

Il y a un reglage de gain en entrée
un volume en sortie
et un tone baxendale

et un look particulier

frankenstein
simplement par ce que je l'ai faite avec 90 pourcents ( a peut prêt ) de pieces récupérées
sur le cadavre d anciens appareils

voila voila
je reponds aux questions si il y en as
ce nest pas un clone d une pedale
existante











voMIgrave
@Jrog Carrément un groupe électrogène pour alimenter ça

Mais sinon boulot
  • #2681
  • Publié par
    Jrog
    le


Oui quand j allumes les lumières de la maison s'éteignent

Le schema ça reste du très classique quand même

Je viens de " la hifi" alors j'ai une idée du son que je recherches
À la guitare Je suis nul mais bon ça c'est autre chose

Je ferais un sujet à l occasion sur mon ampli et préampli
L ampli c'est un clone d un ampli hifi jadis JA30
Et le preampli c'est un srpp de 6sn7 il fait uniquement un son clean il y a un buffer en entrée et un en sortie avec des aop 134 alimenté en 15v symétrique

L ampli






Le preampli





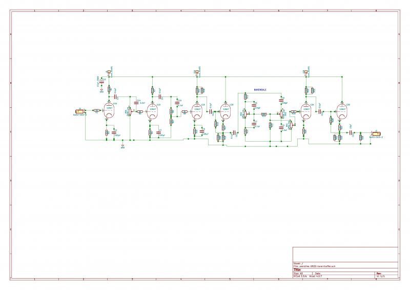
Schéma de la pédale de disto



Désolé pour l hortographe j écris sur un martphone
Et ça fait un peut comme ça veut
voMIgrave
@Jrog: Merci pour le schéma mais ce n'est vraiment pas pédale friendly
Mais ça donne quoi en terme de son/disto ?

Je n'y connais rien en hifi mais j'aime bien ton approche du bricolage avec de la récup.
Tes pcb semblent de très bonne qualité
  • #2683
  • Publié par
    Jrog
    le
En comparaison j ai une pédale xotic sl drive
Le son en comparaison de ma disto à tube paraît
Bouché et étriqué sur la xotic c'est plat quoi et brouillon

La disto à tube est très précise et à énormément d'empleur

Ça reste toujours un peut délicat à expliquer

Par contre la pédale à tube pour vraiment bien s exprimé à besoin d un signal d entrée de 350 400 mv
mick 5820
Quel travail! Bravo c’est beau!!
  • #2685
  • Publié par
    Jrog
    le
Merci

Si il y a des questions un peut technique
Je réponds volontier

C'est ma 1 ère pedale de disto
J'ai fait des simulations sous ltspice
Mais j'ai sous estimé par exemple le niveau de signal
En entrée pour avoir une distortion qui me plaise

J étais partie sur 100mv cest a dire le signal que sort
ma guitare mais a l'écoute ce n'est pas assez à mon goût ( j'aime les grosses saturation)
Avec un boost pour monter le signal à 350, 400 mv
C'est parfait

Donc si c'était à refaire j intégrerait un boost avec plusieur aop 134 en entrée Juste avant le 1er tube

L idée serais d avoir 3 aop avec chaqu'un un gain de 1,3v soit au total presque 4v de gain alimenté en 15v symétrique
De cette manière on peut ce passer de condensateur en entrée et sortie il n'y a pas d offset de tension continue et le son de la guitare et plus transparent
Et avec plusieurs aop de faible gain on évite le souffle induit par une forte amplification sur un seul aop donc meilleur rapport signal sur bruit

En ce moment sur effets...