Régler le Bias soi-même

Forum Orange
Forums
Rappel du dernier message de la page précédente :
corto30
Dans le cas qui m'occupe c'est pas un ac30, c'est un ampli avec un switch classe A - classe A/B (plus pentode/triode et 4 differentes nfl..). J,ai mis une 12ax7EH low microphonics, et ça marche très bien
Nutrisco et Extinguo
KawaZ
  • Special Cool utilisateur
  • #286
  • Publié par
    KawaZ
    le
Même si l'étage dephaseur, ou simplement ce que l'on appelle le " driver" de l'étage d'amplification de puissance, c'est quantité négligeable par rapport à l'étage préampli ou tu rentres en mVolts, voir deux cents ou 300 mVolts crêtes crêtes pour le signal d'un micro guitare ( et plus de 10 fois moins pour un micro voix).
L'étage de sortie d'un préampli à lampes atténue même le signal avant d'attaquer l'étage de puissance.
Sur l'entrée de la première demi triode tout de suite après l'embase jack, tu passes de 200 mv environ sur la grille, à une variation de 20 à 30 volts sur l'anode: c'est un rapport de plus de 100!
Ensuite quand tu arrives sur le correcteur de tonalité " passif" tu attenues le signal car tu passes par plusieurs filtres, passe bas, passe bande, passe haut à -6db par Octave. Tu chutes de plusieurs volts.
Tellement chuté que tu as besoin de ré amplifier le signal en sortant du correcteur de tonalité.
Ensuite, si tu as une sortie " send" et une entré " return" qui correspond pour la première à la sortie du préampli, pour la seconde l'entré de l'ampli de puissance, là le signal a été rabaissé à 1 voir 2 volts crête crête .( Par convention, ne serait ce pour accueillir des pédales d'effets ; par convention comme n'importe quel préamplificateur HiFi qui pouvait être branché sur n'importe quel amplificateur HiFi de n'importe quel marque).
Alors oui, l'étage driver et dephaseur re amplifier en tension une dernière fois avant l'étage tubes de puissances en push-pull, suffisamment haut en tension car tu sort de cet étage avec une tension élevée, mais un courant faible. En passant par un transformateur abaisseur de tension, d'une HT ton signal ressort en basse tension mais plus fort en courant car le transformateur garde le rapport de puissance, moins les pertes dû au rendement pas terrible d'un transformateur. Perte dans l'entrefer et par effet joule. Plus la fréquence est basse moins bon est le rendement, plus la fréquence s'élève meilleur est le rendement.
Alors accumulé à tous cela, l'effet microphonique d'une 12 ax7 ou at7 en bout de chaîne est beaucoup moins sensible qu'en V1 en premier étage de préampli.
A ce moment là, tous les composants sont microphonique, comme tous les composants restituent mécaniquement les fréquences ( signal) .qui les traversent.
Il suffit de brancher une résistance à la place des HP et de monter le volume pour s'en rendre compte : tu entends le son avec le transformateur d'impédance qui vibre.
Sur un amplificateur de puissance à transistors, tu fais la même chose ( charge resitive à la place des HP) tu pousse le volume, tu entends la musique que tu as mis en entrée par la vibration des composants de l'étage de puissances, ou par les selfs en sortie sur un class D.
Tu prends un haut parleur que tu branches sur l'entrée d'un préampli, tu en fais un microphone.
Tu prends un simple buzzer, tu le branches également en entrée, tu en fais un micro piezzo.
corto30


J'ai regardé ta video, en dehors de la disto d'intermodulation y'a d'autres conséquences quand le bias d'un tube de puissance est trop élevé ? (genre bruit de fond, t° excessive du tube, etc)
Nutrisco et Extinguo
KawaZ
  • Special Cool utilisateur
  • #288
  • Publié par
    KawaZ
    le
Je n'avais pas vu la question, et si elle m'est adressée.
En fait plus la tension négative de bias est élevé, plu le tube est bloqué : le nuage d'électron reste bloqué par la grille au niveau de la cathode, et un petit courant traversse de la cathode à l'anode et ce en l'absence de signal.
Si on injecte un signal alternatif, il faut qu'il atteigne un certain niveau pour que le tube commence à réagir, cette tension de seuil est visible au passage à zéro du signal par son absence visualiser par la distorsion de croisement ( sorte de marche d'escalier).
Si on baisse la tension de bias négative, progressivement, le tube va réagir de plus en plus tôt, jusqu'à faire disparaitre cette tension de croisement.
Par contre, on " ouvre " le tube comme un robinet, comme si en l'absence de signal d'entrée on laissait couler un filet d'eau, du goutte à goutte quand la tension négative de bias est élevé, a un filet d'eau continu de plus en plus important au fur et à mesure que l'on baisse la tension de bias.
Continuant l'analogie avec un robinet et un filet d'eau, l'eau sur le tube est le courant anode-cathode, et plus ce courant est important, plus le tube chauffe et plus on approche de sa courbe de puissance maximum.
Si on baisse la tension négative de bias , on augmente le courant anodique, on augmente la puissance de sortie ( et celle du tube) et on augmente le bruit de fond.
Sur un montage push-pull, c'est comme pour les transistors, au " repos" sans signal d'entrée ils sont quasiment bloqués, pratiquement pas de courants collecteur vers émetteur ne circule, pratiquement pas de courants anode-cathode ne circule ( pour les tubes).
Sur un montage en classe A, en l'absence de signal rien que par le courant de repos ( de polarisation), le tube est à 50% de sa puissance : il chauffe plus et la puissance avec signal est deux fois moins importante en sortie que ce que peut fournir le même tube en push-pull. ( Idem pour le transistor) vu qu'au repos il consomme 50% de sa puissance disponible.
Il y a des push-pull en class B ( polarisé à la limite du blocage), et des push-pull en classe AB: le tube peut transmettre le signal avant même le passage à zéro ( polarisé comme un filet d'eau).
En fait en jouant légèrement sur la tension de bias, disparition totale de la distorsion de croisement, ou légère distorsion visible, on passe d'un push-pull classe AB à un class B. Mais bon si on a tendance à utiliser l'ampli au max de sa puissance en utilisation " normal", il vaut mieux le régler en mode Class B ( tension négative de bias vers sa limite haute et courant cathode faible) pour limiter la chauffe des tubes et leur éviter de flirter avec la " zone rouge" de leur courbe de puissance ( et destruction) et les user trop vite.
Perso pour mon utilisation personnelle, je les règles en mode Class AB, mais je sous exploite largement la puissance de mes amplis, même en groupe je ne joue pas à fort volume. Je préfère le rendu sonore réglé ainsi, après c'est personnel et ne vaut pas paroles d'évangile !
corto30
@KawaZ : ah merci pour tes explications imagées je pige mieux quand on m'explique comme ça.
Nutrisco et Extinguo
  • #290
  • Publié par
    mucho
    le
Salut à tous, j'essaie de comprendre un peu le principe de reglage de bias, car j'ai un h&k switchblade100 avec les 4 el34 qui craquent, qui sont bleues ou rouge, par fois qui arc dans le tube, bref elles sont hs. J'aurai souhaité les remplacer par une simple paire d'el34, j'ai entendu dire que c'etait faisable, que ca diminuait la puissance mais qu'il fallait changer la sortie d'impedance du hp. (deja testé avec 2 des lampes d'origine ca marchait pas mal mais le lendemain elles se sont remisent à craquer!)

C'est un ampli fix bias avec un potard de reglage, donc dans la logique il me faut trouver une paire de lampe et connaitre la tension à appliquer mais savoir aussi ou prendre les points de reperes? Ampli en stand by?

Beaucoup de questions, habituellement j'arrive a me depatouiller mais là je creuse.
Merci
Rivera
  • Vintage Top utilisateur
En théorie, c'est possible. En pratique c'est plus discutable.
En fait, si tu retires deux tubes sur les 4 d'un amplis en push pull, tu as bien un circuit pleinement fonctionnel, seulement, la tension appliquée aux plaques des deux tubes sera plus élevée (et sans doute trop) pour conserver des tubes fiables d'une part et ensuite d'avoir un son qui ressemble à celui d'origine. Cela arrive car tu n'alimentes plus les tubes que tu as enlevé, tu ne dissipes plus et donc une partie de la tension se reporte sur les tubes restant.
De ma maigre expérience, ça ajoute entre 20 et 40VDC sur des EL34.
On trouve des constructeurs qui te l'autorisent et te marquent la procédure à suivre, d'autres pas... John Suhr l'a fait dans le passé du temps de CAA, il ne le fait plus.

Bref, perso, je ne recommande pas mais je ne suis pas paroles d'évangile.
Ventes:
ISO Buffer SW LNA Custom, Mesa: Dos openback pour baffle Rectifier 2x12

Si les problèmes persistent, prendre un JCM800. Deux baffles 4x12 avec gamelles d'au minimum 100dB de rendement. Mettre tous les réglages aux alentours de 10 (pas 9 ni 11), jouer 3 à 4 secondes et OHHH miracle, tu n'entends plus le buzz!!!
Doug_Watson
Evite de poster ton problème sur plusieurs topics...
«Je ne suis pas sûr qu'on défende une civilisation en semant soi-même la barbarie.» E. Macron
dutl
  • Special Top utilisateur
  • #293
  • Publié par
    dutl
    le
Bonjour à tous

Quelle est la valeur de bias optimale pour l'ampli EVH 5150 III LBX S en prenant la mesure sur les deux fiches femelles

situées à l'arrière du châssis de l'ampli svp?

Le trimpot est situé sur le châssis vers les tubes à l'extérieur de l'ampli.

Je me suis reporter au manuel mais pas d'info...

Merci pour vos futures réponses

Bonne journée

LD

prise bias evh
Rivera
  • Vintage Top utilisateur
Etant donné que ce n'est pas écrit dans le manuel et que la méthode de calcul est relativement simple quand on sait ce qu'on fait, je ne peux te répondre sans avoir l'ampli devant moi:
Il est nécessaire de faire des mesures internes (transfo de sortie dépendante de la tension d'alimentation) pour que la règle de calcul soit bonne. Sans cela la valeur qu'on te donnera sera empirique et ne correspondra pas réellement à cet ampli.
Malgré cela une fourchette: entre 44 et 56mA pour les deux tubes
Ventes:
ISO Buffer SW LNA Custom, Mesa: Dos openback pour baffle Rectifier 2x12

Si les problèmes persistent, prendre un JCM800. Deux baffles 4x12 avec gamelles d'au minimum 100dB de rendement. Mettre tous les réglages aux alentours de 10 (pas 9 ni 11), jouer 3 à 4 secondes et OHHH miracle, tu n'entends plus le buzz!!!
dutl
  • Special Top utilisateur
  • #295
  • Publié par
    dutl
    le
Ok Rivera
Merci pour l'info
Bonne Journée
Rivera
  • Vintage Top utilisateur
Seulement 40mA d'après la doc???

Et voilà le genre de surprise qu'on peu trouver quand les tensions ne sont pas celles trouvées "habituellement".
Ventes:
ISO Buffer SW LNA Custom, Mesa: Dos openback pour baffle Rectifier 2x12

Si les problèmes persistent, prendre un JCM800. Deux baffles 4x12 avec gamelles d'au minimum 100dB de rendement. Mettre tous les réglages aux alentours de 10 (pas 9 ni 11), jouer 3 à 4 secondes et OHHH miracle, tu n'entends plus le buzz!!!
Transistorix
Bonsoir,

Sur cet ampli tout est prévu pour que l'utilisateur règle le bias lui même.
Mais en même temps on lui dit : Surtout n'y touchez pas !

Le bon réflexe c'est avant tout de mesurer la tension qui existe entre les bornes noires et rouges avec un voltmètre approprié.
Il faut la noter et vérifier que le réglage agit.

Si on lit bien les petites lignes du schéma : A supposer que R136 = 1Ohm ET que la tension secteur est correcte, alors on devrait trouver quelque chose de pas trop loin de 80mV à vide.

Si c'est bien le cas, on peut alors envisager de retoucher le réglage suivant le résultat souhaité.

Tx
Viva Arverna liura !
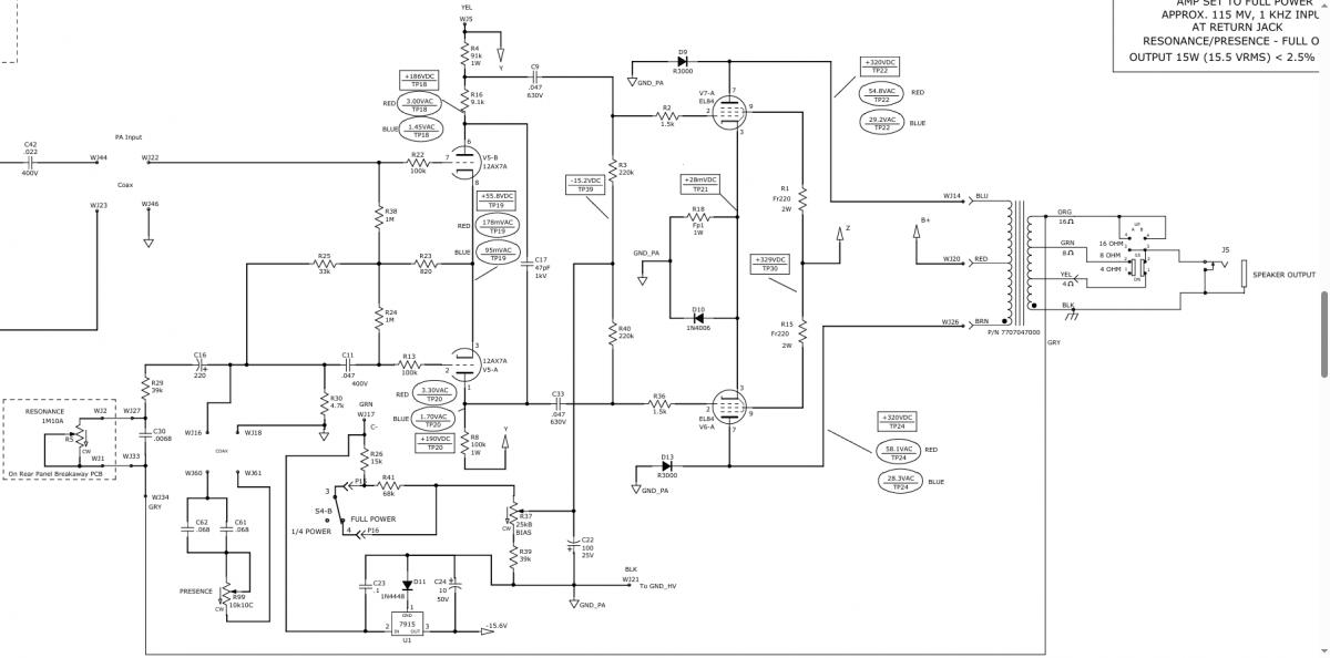
PiPiRoSe
un ami ma filé le plan d un lbx en el84 je le laisse ici si besoin :


plan


si c est bien celui la il faut le switch en position full power et mesurer +28mVdc
j ai le pdf si besoin
« Si tu prends 500 € à un travailleur pour donner 100 € à 5 paresseux, tu perds un vote mais tu en gagnes 5. Ça s'appelle le socialisme. » Elon Musk

mon meilleur montage grâce au pcb d un ami :
https://www.casimages.com/u/pi(...)2817/

En ce moment sur ampli et Orange...