Régler le Bias soi-même

Forum Orange
Forums
Rappel du dernier message de la page précédente :
Invité
oldamp a écrit :
Il y a quand même eu déja pas mal d'explications sur le fofo...

https://www.guitariste.com/for(...).html

https://www.guitariste.com/for(...).html

70% c'est totalement empirique, ça peut très bien être parfait à 50% et certains vieux Fender sans réglage de bias se retrouvaient largement à 85% quand la tension US est passée de 110V à 120V !


C'est pour cette raison que j'ai écrit que je faisais toujours des tests avec la guitare pour savoir si un bias plus froid ( 60 % ,55% ) donnait un aussi bon son qu'à un bias plus chaud 70%.

A son égal un bias plus froid, comme chacun le sait sans doute, prolongera la durée de vie des lampes
Invité
nasdak a écrit :
Un 5e3 c'est 100 pct non?


Je regrette , je ne te suis pas.

5E3 ; ampli Fender classe A en apparence, je n'ai pas calculé
100 pct ; ?? 100 % ?

En classe A ça peut être de 85 à 120 %

Oui 120 % vu dans les vieux Vox AC30
themidnighter
latole a écrit :
themidnighter a écrit :
Moi j'utilise :
https://robrobinette.com/Tube_(...)r.htm

Enfin plus particulièrement la version app sous Android : tube bias calculator
Bien plus pratique d'avoir son smartphone sous la main que d'aller et venir sur l'ordo.



Je le connais .Ce site est plus complexe à utilisé . Tu n'as pas regardé le site Weber sans doute ?


Sincèrement j'utilise que l'appli.
harlock77
ben voilà, les explications deviennent plus claires ...

Pour le réglage de plaque à 300-600v va falloir changer de multimètre ... lol
Invité
harlock77 a écrit :
ben voilà, les explications deviennent plus claires ...

Pour le réglage de plaque à 300-600v va falloir changer de multimètre ... lol


On ne règle pas la plaque, on mesure simplement.

Un bon multimètre qui aura une échelle de 200 mv devra pouvoir aussi mesurer 500 volts DC et plus. Ce qui est très courant sur le marché sinon la norme sans que ce soit cher
harlock77
Mon voltmètre ne dépasse pas les 220v .

Mais tout devient plus clair en fait.

Finalement ça parait assez simple comme manip
themidnighter
Franchement achète une fois un bon Fluke ensuite t'es peinard.
Invité
harlock77 a écrit :
Mon voltmètre ne dépasse pas les 220v .

Mais tout devient plus clair en fait.

Finalement ça parait assez simple comme manip


Oui c'est très simple.
fredyshred
themidnighter a écrit :
Franchement achète une fois un bon Fluke ensuite t'es peinard.


C'est tellement vrai.

Et moins cher il y a Tenma qui fait de bons trucs aussi (et surtout, c'est dispo' chez Farnell, Mouser,..)
vente/échange conclue avec : Syraks, Eikichi, Ken Inwane

http://www.facebook.com/FR27Photo/
Invité
Meterman est aussi excellent , je ne sais pas si c'est disponible chez vous.
themidnighter
fredyshred a écrit :
themidnighter a écrit :
Franchement achète une fois un bon Fluke ensuite t'es peinard.


C'est tellement vrai.


Avec un bon multimètre et une bonne station à souder c'est incroyable le nombre de choses que l'on peut réparer. Du coup c'est rapidement amorti je trouve.
fredyshred
pour info j'ai commandé un jeu de EL34, des tubes de preamp pour retuber mon rockerverb. J'ai un jeu de KT77 qui va aller dans mon engl savage 60..

Je pensais mettre des photos de la manipulation mais vu le côté dangereux je n'en mettrai pas
vente/échange conclue avec : Syraks, Eikichi, Ken Inwane

http://www.facebook.com/FR27Photo/
fredyshred
Hello, finalement je mets quelques photos mais hors manipulation et je vous livre un peu mes impressions après coup. Ca s'est très bien passé même si j'avais une petite appréhension en démontant les chassis parce que c'est un peu comme une boite de chocolat. On ne sait jamais sur quoi on va tomber.

Pour récap, mon Rockerverb était en KT77 et est passé en EL34L. Mon Engl Savage était en EL34 et est passé en KT77.

engl orange service 1


Sur l'ENGL, je trouvais que l'ampli n'allait pas spécialement fort. Et pour causer, les tubes étaient rincés. Donc, j'ai mis le jeu de KT77 (qui n'avait qu'un an ou deux tout au plus) et j'ai biasé à 70%. Seulement voilà, le courant ne faisait que descendre. J'ai du attendre et corriger pendant 30 minutes pour avoir une stabilisation. Je suis tombé de 38 mA à 18 mA la première fois. En corrigeant, j'ai laissé un 40mA stable. La puissance est clairement là (volume de groupe avec preamp à midi et master à 9h)

Engl Savage 60 PCB



Sur le Rockerverb, j'ai calculé qu'il fallait un bias à 40 mA. Sauf que la course de potentiomètre ne montait que jusque 30mA. Alors soit c'est un truc du style I1 = I2 + I3 soit c'est la course du potentiomètre qui n'est pas assez grande. Dans le doute, j'ai réglé sur 20mA, quitte à être trop froid. Dans le doute, c'était la meilleure chose à faire. En terme de son, on entend la différence et je préfère bien plus ce son. J'ai l'impression qu'il va moins fort qu'avant mais le son est franchement meilleur.

Orange Rockerverb 50 MKII PCB
vente/échange conclue avec : Syraks, Eikichi, Ken Inwane

http://www.facebook.com/FR27Photo/
oldamp
  • Vintage Méga utilisateur
  • #43
  • Publié par
    oldamp
    le
Sur ton Orange, si tu mesures le courant avec un bais probe sous une lampe, ça ne mesure qu'un courant I... Pas I1+I2... Tu ne dis pas quelles tensions tu as mesuré aux anodes...
Invité
Oui le voltage de plaque /anodes est indispensable à connaître car tes lectures de bias 38 ma, 18 ma , 40 ma, 20 ma n'ont aucune signification

Dans la cas de ton Rocketverb soit ;

1- Les lampes sont faibles.

Ou

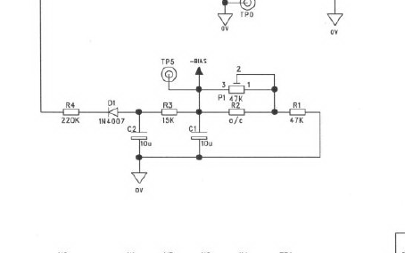
2- Il faut vérifier le circuit de bais qui fournit un voltage trop élevé et ce n'est jamais la course du pot.
Ou il faut remplacer la résistance R1 , 47k par une plus petite valeur. Ou R2, ou R3 par de plus grande valeurs. Ou un peut tout ça pour obtenir le bon voltage de bias à mi-course du pot.

Ça m'est quelques fois arrivé sur différents amplis.

Ou

3- L'ampli à un autre problème, mais je serait étonné



circuit de bias



Schema complet ici ;
http://el34world.com/charts/Sc(...)s.htm
themidnighter
latole a écrit :
Ou il faut remplacer la résistance R1 , 47k par une plus petite valeur. Ou R2, ou R3 par de plus grande valeurs. Ou un peut tout ça pour obtenir le bon voltage de bias à mi-course du pot


Tiens d'ailleurs merci Oldamp, j'ai changé la résistance dans mon princeton reverb et maintenant mon réglage de bias est parfait, la plage est beaucoup plus pratique. J'ai pu remplacer les lampes de puissance j'ai moins peur de le trimbaler maintenant.

En ce moment sur ampli et Orange...