5150/6505/EVH 5150III CLUB (sample et video page1)

Forum EVH
Forums
Rappel du dernier message de la page précédente :
pask30620
Bad news, tube changé pour un JJ ELECTRONIC et le problème de sifflement est toujours présent. Je ne suis pas allé chez NOS car en terme de trajet et de timing ca ne m'arrangeait pas, je suis allé au magasin broc'n roll pour ceux qui connaissent. Je n'ai donc pas pu passer le bonjour à M. Cortier.

Si vous avez d'autres piste je suis preneur.

Merci Atomica pour toutes ces précisions. Mon ampli est démonté (juste la grille pour pouvoir changer le tube). Si tu veux que je prenne des photos des transfos au passage, n'hésite pas.
SgG
  • Custom Top utilisateur
  • #6361
  • Publié par
    SgG
    le
pask30620 a écrit :
Bad news, tube changé pour un JJ ELECTRONIC et le problème de sifflement est toujours présent. Je ne suis pas allé chez NOS car en terme de trajet et de timing ca ne m'arrangeait pas, je suis allé au magasin broc'n roll pour ceux qui connaissent. Je n'ai donc pas pu passer le bonjour à M. Cortier.

Si vous avez d'autres piste je suis preneur.

Merci Atomica pour toutes ces précisions. Mon ampli est démonté (juste la grille pour pouvoir changer le tube). Si tu veux que je prenne des photos des transfos au passage, n'hésite pas.


Tu as remplacer la V1? Est-ce que tu as essayé la v2? Car d’après le schéma la v2 sert au 2 canaux aussi.
Mesa Boogie / Engl /NOS amp / EVH 5150 III /MusicMan / Esp / Gibson /Solar
pask30620
SgG a écrit :
pask30620 a écrit :
Bad news, tube changé pour un JJ ELECTRONIC et le problème de sifflement est toujours présent. Je ne suis pas allé chez NOS car en terme de trajet et de timing ca ne m'arrangeait pas, je suis allé au magasin broc'n roll pour ceux qui connaissent. Je n'ai donc pas pu passer le bonjour à M. Cortier.

Si vous avez d'autres piste je suis preneur.

Merci Atomica pour toutes ces précisions. Mon ampli est démonté (juste la grille pour pouvoir changer le tube). Si tu veux que je prenne des photos des transfos au passage, n'hésite pas.


Tu as remplacer la V1? Est-ce que tu as essayé la v2? Car d’après le schéma la v2 sert au 2 canaux aussi.


Bah non, je n'ai acheté qu'une lampe. Est-ce qu'intervertir V1/V2 est possible et est-ce utile ?

Sinon pour ceux que ca intéressent, voici des photos de la lampe montée d'origine en V1.





Atomica
  • Special Total utilisateur
pask30620 a écrit :


Merci Atomica pour toutes ces précisions. Mon ampli est démonté (juste la grille pour pouvoir changer le tube). Si tu veux que je prenne des photos des transfos au passage, n'hésite pas.


Hello !

De rien en fait j'ai réagis sur les photos mais je n'avais pas lu les post ou tu expliques ton problème.


Voilà ce qui me vient à l'esprit apres une lecture rapide, des derniers pages.

Déjà quand on a un ampli avec des socket directement monté sur un PCB (c'est vrai pour tout les tubes de preamp et de puissance) je conseil toujours d'eviter de permuter les tubes trop souvent. Les sockets eux meme peuvent en souffrir et la pression nécessaire pour enfoncer un tubes se répartis aussi sur le circuit soudure et piste.....bref avec modération et doigté, si c'est nécessaire....L'idéale c'est de maintenir le pcb de l'autre coté si le circuit et trop flexible parce qu'un point fixation n'est pas a coté par exemple...mais attention pas touche si les condo ne sont pas déchargé !

Pour illustrer ça les Bugera on beaucoup souffert de ça.....avec le système infinium les gens faisant un peu trop mumuse avec des changement et le circuit n'étant pas déjà super solide et souder a la vague....bref je fais court car le débat solide PCB etc j'en aurai des choses a dire.....mais je n'ai rien contre les circuit imprimé en tant que tel bien au contraire !

Ensuite un sifflement qui part et qui vient bah ça peut être beaucoup de chose...
Tu vas avoir besoin d'un bon tech surtout que ok, les transfo sont chouette meme tres chouette mais c'est du PCB double face....et bien dense j'imagine.

Donc case tech !

Ah quand on a un souci avec un ampli la procédure c'est toujours tout vérifié (jack impédance guitare) et faire au plus simple guitare ampli cabs (rien dans la boucle of course)
SgG
  • Custom Top utilisateur
  • #6364
  • Publié par
    SgG
    le
pask30620 a écrit :
SgG a écrit :
pask30620 a écrit :
Bad news, tube changé pour un JJ ELECTRONIC et le problème de sifflement est toujours présent. Je ne suis pas allé chez NOS car en terme de trajet et de timing ca ne m'arrangeait pas, je suis allé au magasin broc'n roll pour ceux qui connaissent. Je n'ai donc pas pu passer le bonjour à M. Cortier.

Si vous avez d'autres piste je suis preneur.

Merci Atomica pour toutes ces précisions. Mon ampli est démonté (juste la grille pour pouvoir changer le tube). Si tu veux que je prenne des photos des transfos au passage, n'hésite pas.


Tu as remplacer la V1? Est-ce que tu as essayé la v2? Car d’après le schéma la v2 sert au 2 canaux aussi.


Bah non, je n'ai acheté qu'une lampe. Est-ce qu'intervertir V1/V2 est possible et est-ce utile ?

Sinon pour ceux que ca intéressent, voici des photos de la lampe montée d'origine en V1.







Oui tu peux permuter v1 et v2 en faisant attention comme dit plus haut à pas trop forcer sur les embases quand tu insert les lampes.

Après si ça marche toujours pas, tu auras fait le tour des choses simples à vérifier.
Mesa Boogie / Engl /NOS amp / EVH 5150 III /MusicMan / Esp / Gibson /Solar
pask30620
No soucy Atomica, moi le 1er je ne relis pas toujours les X pages d'un forum avant d'intervenir et puis plusieurs personnes ici essayent de m'aider (SgG, No one, ...). Mes essais actuels se font avec la guitare en directe dans l'ampli et rien dans la boucle.

J'ai permuté V1/V2 en faisant attention, en y allant doucement et sans forcer car c'est une 1ere pour moi ce changement de lampe. Une fois fait et testé, je suis revenu ici pour dire que c'était résolu et là je lis le post d'Atomica.... j'espère avoir été aussi soigneux que possible. Je ne m'attendais pas à cette résistance à l'extraction et à l'introduction. J'ai tiré et appuyé le moins possible. On verra bien.

Le problème a disparu, et une grande partie de souffle aussi. C'est totalement incompréhensible pour moi mais ça marche, c'est l'essentiel. Je pense que je vais remplacer tous les tubes de préamp histoire de repartir à neuf et être tranquille, d'autant que je ne sais pas si c'est une vue de l'esprit mais j'ai l'impression que le son est mieux défini, c'est surement totalement faux mais bon ce ne va pas me coûter une fortune.

Quoi qu'il en soit, en grand MERCI à vous tous. C'est franchement vraiment très sympa. Vous m'avez fait économiser du temps et de l'argent d'une part, mais surtout, vous m'avez fait grandir en m'apprenant des trucs et c'est le plus précieux à mes yeux.

Les photos des transfos







Atomica
  • Special Total utilisateur
J'avais cru lire que tu avais déjà permuté les tubes

Bah voila ça semble réglé, c'est cool !
pask30620
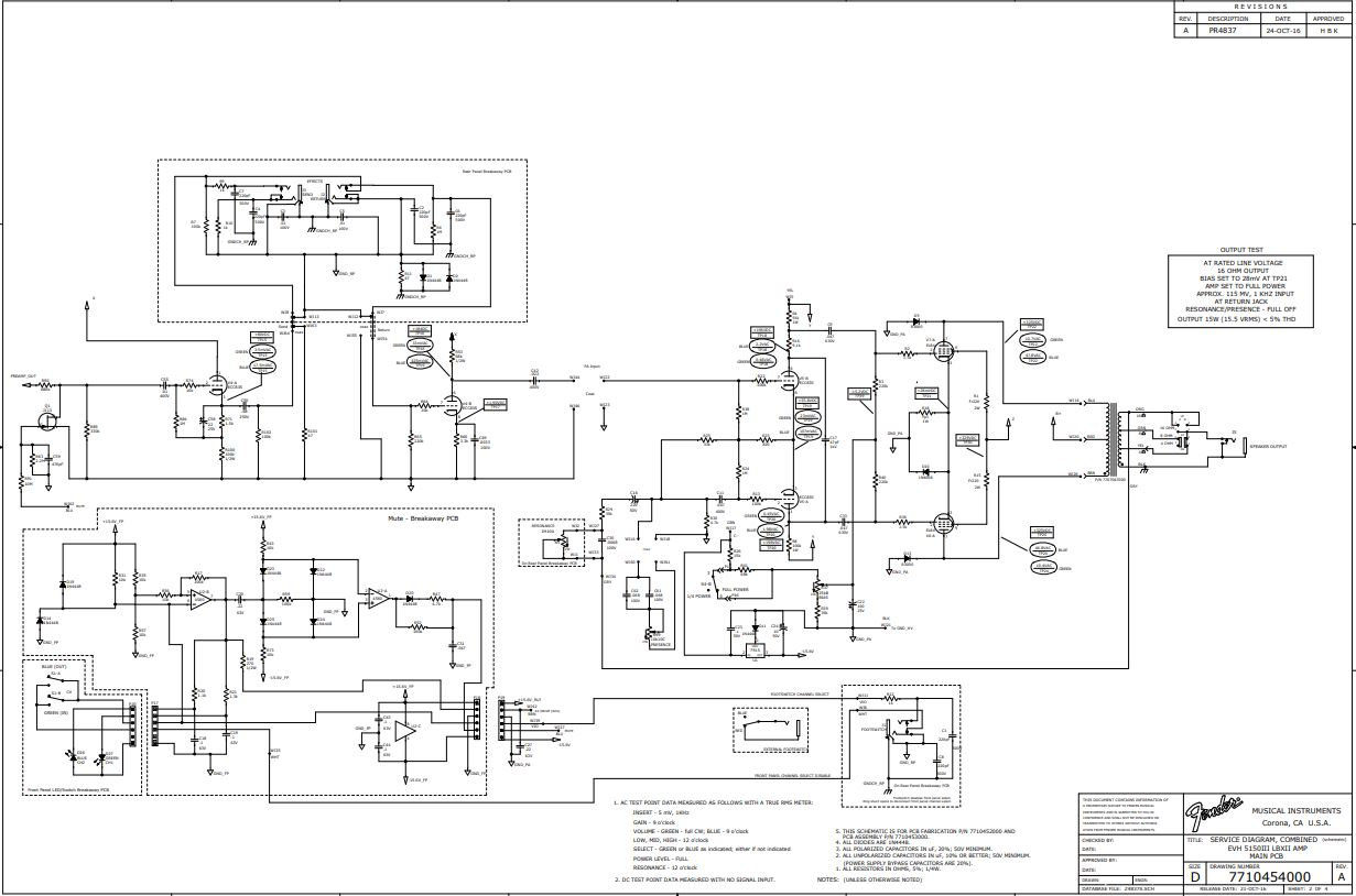
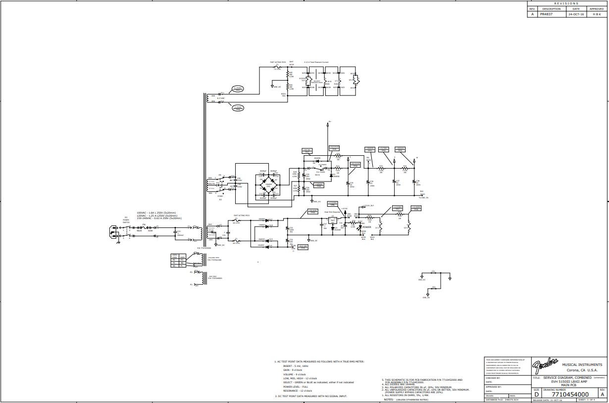
J'ai trouvé les schémas du LBX2







pask30620
Atomica a écrit :
J'avais cru lire que tu avais déjà permuté les tubes

Bah voila ça semble réglé, c'est cool !


Non j'avais juste remplacé le tube V1 d'origine par celui que je viens d'acheter.
No One
  • Custom Total utilisateur
Du coup tu as permuté l'ancienne V1 avec V2 et tout roule ?
Suck my duck !

Mes ventes...
pask30620
No One a écrit :
Du coup tu as permuté l'ancienne V1 avec V2 et tout roule ?


Lampe d'origine en V1 ==> retirée
Lampe neuve mise en à la place, donc en V1.

Pas de changement

Lampe d'origine en V2 passe en V1
Lampe neuve mise en V2

Beaucoup moins de souffle, et disparition du sifflement.

Pourquoi ce résultat ? J'en sais strictement rien, c'est totalement incompréhensible pour moi. Toujours est-il que sans les conseils donnés ici, je n'aurai jamais osé le faire.
graou!
  • Custom Top utilisateur
Un pote a eu un peut le même soucis sur un 50w.(neuf)
Des bruits de craquement,on a fait pareil,c'était la v3.
J'ai eu une v1 sur un combo neuf morte au bout de 5 jours.
SgG
  • Custom Top utilisateur
  • #6373
  • Publié par
    SgG
    le
pask30620 a écrit :
No One a écrit :
Du coup tu as permuté l'ancienne V1 avec V2 et tout roule ?


Lampe d'origine en V1 ==> retirée
Lampe neuve mise en à la place, donc en V1.

Pas de changement

Lampe d'origine en V2 passe en V1
Lampe neuve mise en V2

Beaucoup moins de souffle, et disparition du sifflement.

Pourquoi ce résultat ? J'en sais strictement rien, c'est totalement incompréhensible pour moi. Toujours est-il que sans les conseils donnés ici, je n'aurai jamais osé le faire.


Tu sauras maintenant que changer les lampes de preampli c’est du plug and play 😉.
Faut juste faire gaffe aux petits picots des lampes à pas les tordre lors de leurs mises en place et faire attention aux embases qui accueillent les lampes car suivant les amplis ça peut être plus ou moins fragile.
Au delà de ça, c’est simple comme intervention, aucun réglage.

Pour rebondir sur tes essais, une fois j’ai essayé et acheté un ampli chez un guitariste, aucun problème, son nickel etc.
Je lui achète tout content, je rentre avec en voiture.
J’arrive chez moi je le branche et la ...un son pas top, des bruits suspects etc (je me rappelle plus trop des symptômes ça date).
J’ouvre la grille en me disant c’est pas possible j’ai une lampe qui a lâché en cours de route.
C’était juste une lampe de preampli qui c’était légèrement délogé de son emplacement.
Tout ça pour dire « peut-être qu’en permutant v1 et v2, tu as peut-être remis une lampe en v2 avec un meilleur contacte qu’avant ton intervention.
Tu avais peut-être ta lampe v2 qui était pas bien inséré depuis ton problème de souffle.
C’est peut-être l’explication.
Quoiqu’il en soit, tu as pas acheté ta lampe pour rien, il faut toujours en avoir une sous la main 😉
Mesa Boogie / Engl /NOS amp / EVH 5150 III /MusicMan / Esp / Gibson /Solar
pask30620
graou! a écrit :
Un pote a eu un peut le même soucis sur un 50w.(neuf)
Des bruits de craquement,on a fait pareil,c'était la v3.
J'ai eu une v1 sur un combo neuf morte au bout de 5 jours.


Comme quoi, rien ne remplace l'expérience.

SgG a écrit :
Tu sauras maintenant que changer les lampes de preampli c’est du plug and play 😉.


Tout à fait et merci pour ce partage de connaissances

SgG a écrit :
...Tout ça pour dire « peut-être qu’en permutant v1 et v2, tu as peut-être remis une lampe en v2 avec un meilleur contacte qu’avant ton intervention.
Tu avais peut-être ta lampe v2 qui était pas bien inséré depuis ton problème de souffle.
C’est peut-être l’explication.


Effectivement c'est une explication plausible. Refaire une permutation pourrai vérifier ce point mais je vais éviter de solliciter le PCB en refaisant une permutation. Je testerai lorsque j'aurai acheté de quoi remplacer l'ensemble des lampes de préamp.

SgG a écrit :
Quoiqu’il en soit, tu as pas acheté ta lampe pour rien, il faut toujours en avoir une sous la main 😉


Oui c'est clair. J'ai gardé la V1 d'origine mais comme elle avait la caractéristique d'une lampe microphonique je me demande si il y a un intérêt. Je ferai peut être une vérification avant de la mettre au recyclage.
SämO
Bonsoir les Amis,

Pour financer une belle acoustique, je pense vendre une tête EVH LBX 15W avec son 1X12 en finition blanche.

Si certains de vous pourraient être intéressés, n'hésitez pas à me contacter !

Merci à tous !

PS : L'annonce et les photos ne devraient pas trop tarder
« Dans les Arts et dans la Vie, saisir le Rythme est le plus important ».

En ce moment sur ampli et préampli guitare et EVH...