Ampli Carlsbro Sherwood Cobra 90 séries

Bonjour,
Bassiste, je viens d'acquérir en ampli Carlsbro Sherwood Cobra 90 series sans notice ni schéma électronique.
est ce que quelqu'un pourrait m'aider ?
En vous remerciant beaucoup pour votre aide.
PiPiRoSe
Bonjour , tapez " carlsbro sherwood cobra 90 series schematic " dans google
J ai des résultats ,a voir si ca correspond au votre bonne chance .
Modifié le 13/02/2026 à 12:20
« Si tu prends 500 € à un travailleur pour donner 100 € à 5 paresseux, tu perds un vote mais tu en gagnes 5. Ça s'appelle le socialisme. » Elon Musk

mon meilleur montage grâce au pcb d un ami :
https://www.casimages.com/u/pi(...)2817/
Merci beaucoup pour ta réponse mais j'ai déjà essayé, j'ai même envoyé un mail 3 fois en Anglais directement à Carlsbro en Angleterre sans réponse actuellement.
J'espère que quelqu'un ayant une notice ou le schéma ou les 2 pourra m'aider.
Encore merci pour cette réactivité.
PiPiRoSe
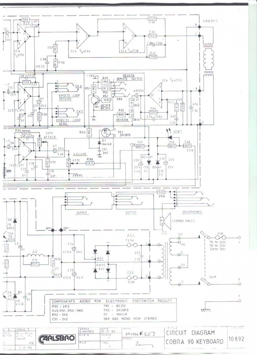
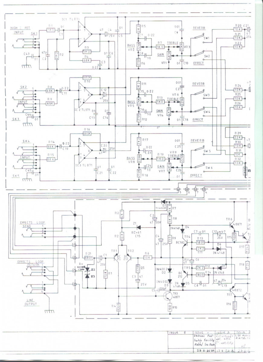
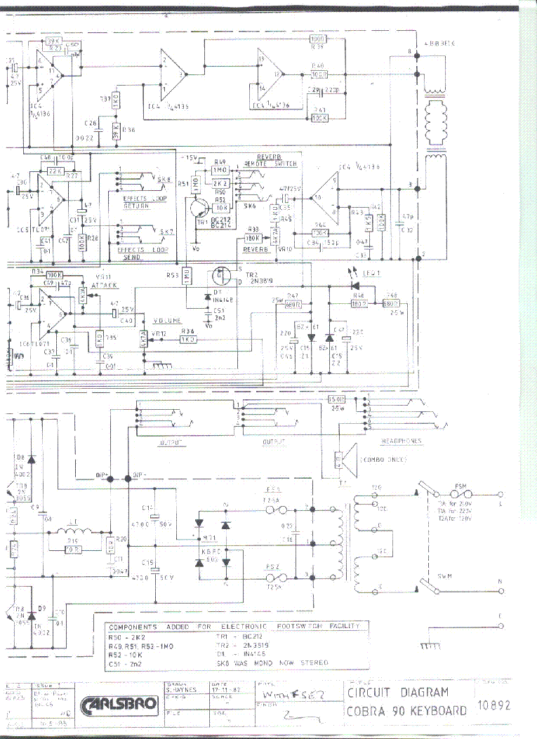
page1




page 2


quelque chose comme ca, possible ?
« Si tu prends 500 € à un travailleur pour donner 100 € à 5 paresseux, tu perds un vote mais tu en gagnes 5. Ça s'appelle le socialisme. » Elon Musk

mon meilleur montage grâce au pcb d un ami :
https://www.casimages.com/u/pi(...)2817/
Oghkhood
  • #5
  • Publié par
    Oghkhood
    le (Modifié 5 fois)
didier_bass_44 a écrit :
Merci beaucoup pour ta réponse mais j'ai déjà essayé ...



Il m'a fallu 5 seconde pour copier le mot clé suggeré par Pipirose dans mon navigateur et obtenir les schémas...


La premiere accurance du moteur de recherche est le site elektrotanya et le lien ouvre direct sur les schemas du CARLSBRO COBRA 90 SCH

Aide toi et le net t'aidera ....
Modifié le 13/02/2026 à 15:31
On dit d'un fou qu'il a perdu le sens de la realité.

Alors que dire des gens qui confondent :

- La colere et la haine
- Le respect et la crainte
- L'offense et la peur
- La vérité et la croyance
- Le savoir et l'information
- L'amour et l'envie
- Etre et avoir
Merci beaucoup mais celui ci je l'avait déjà, il est de mauvaise qualité (pratiquement illisible) et loin d'être complet. Merci quand même pour tes efforts pour m'aider.
PiPiRoSe
  • #7
  • Publié par
    PiPiRoSe
    le (Modifié 2 fois)
zut , pour la lisibilité voila ca , j ai converti le pdf pour pouvoir vous le mettre ici mais j ai pas plus complet par contre il vas falloir fouiller mais il me semble assez complet quand même a voir .


page 1




page 2


la page 2 vas a droite de la page 1 bien entendu
Modifié le 13/02/2026 à 20:00
« Si tu prends 500 € à un travailleur pour donner 100 € à 5 paresseux, tu perds un vote mais tu en gagnes 5. Ça s'appelle le socialisme. » Elon Musk

mon meilleur montage grâce au pcb d un ami :
https://www.casimages.com/u/pi(...)2817/

En ce moment sur ampli et préampli basse...