[amplis Stal\Sound\Brooklyn] collecte d'infos et rénov...

Rappel du dernier message de la page précédente :
Je regarderai sinon faudra faire des concessions !

Je vois que Tube Town fait une alim ac30 pas trop chère :
https://www.tube-town.net/ttst(...).html

Le kit G5 est fait de transfo TT il me semble donc je me dis que ça devrait faire l’affaire et le prix est intéressant.
nasdak
  • Custom Top utilisateur
L'ac30 y'a une gz34... Le stal c'est 4 diodes!
Je pense qu'au final il ne restera plus grand chose du circuit d'origine et je préfère le redressement à tube mais ça peut changer, j'ai pas mis le nez dedans encore.
nasdak
  • Custom Top utilisateur
hs.dorian a écrit :
Je pense qu'au final il ne restera plus grand chose du circuit d'origine et je préfère le redressement à tube mais ça peut changer, j'ai pas mis le nez dedans encore.

Ça m'intéresse de voir où tu penses mettre les lampes
bonjour a tous,

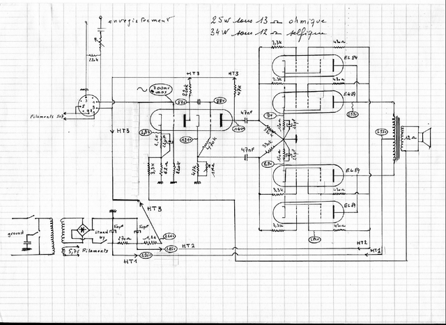
je possède un stal reverber, dont le transfo de sortie est mort...

l"un d"entre de vous connaîtrait il les données de celui-ci ou des info s"il a rencontré le même problème?

merci
oldamp
  • Vintage Méga utilisateur
Quelles sont les références des lampes de puissance ?
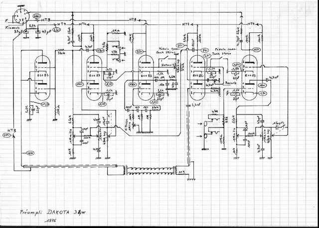
hello, j' ai aussi un ampli Stal organ, je n'ai plus qu'une entrée qui fonctionne. il n'est pas de première jeunesse. merci pour votre topic; certains liens de photos sont morts je cherche une valeur de résistance coté puissance et peut être réparer les autres entrées sur le pré-ampli.
donc un certain travail de restauration
M4T
  • #144
  • Publié par
    M4T
    le
Salut,
heureux possesseur d'un Stal Bass Organ depuis hier !
J'en ai profité pour le nettoyer parce qu'il n'avait pas été utilisé depuis 30 ans.
J'ai donc tout démonté, tout aspiré, frotté, j'ai changé la prise par une plus récente avec prise de terre. J'ai donc soudé la terre à une des 4 vis du transfo (là où il y avait déjà 2 fils gris de masse d'ailleurs).
Un peu de Bombe Contact dans les potars, ça ne craque plus, enfin !

J'ai testé avec la guitare de mon fils, ça fonctionne bien (mieux qu'hier) dans l'entrée 1 ou dans l'entrée 2, ça ne change rien... (pareil, dans la partie Bass ou Organ, ça ne change rien, mais ça j'imagine que c'est normal).

Pour relier le cabinet (3x10" de mon côté, sans grille malheureusement...) si je choisis la sortie la plus à gauche, le son est très faible, si je choisis la sortie d'à côté, ça crache bien !

Ma question porte surtout sur les entrées : peut-on brancher indifféremment sur la 1 et la 2 ?
Peut-on brancher 4 sources en même temps ?? 2 sources ?
Le potar de Trebble se tire vers moi pour accéder au second réglage "Bright" qui n'a pas l'air de changer grand chose par rapport au réglage du trebble, c'est normal ?

Si vous avez des conseils concernant ce matériel, mon premier ampli à lampes, je suis preneur.
Je compte essayer aussi d'y brancher des claviers (type Synthé), une préférence pour l'entrée ? A quoi sert la sortie 1 au dos de la tête d'ampli ? Que puis-je en faire ? (j'imagine que c'est une histoire d'impédance mais j'ai un peu de mal avec ça)

Merci d'avance

Tête après nettoyage


Les lampes


Avec la prise de terre


vue globale ampli potars


Le lot avant nettoyage
nasdak
  • Custom Top utilisateur
La tirette "bright" c'est comme le poussoir bright des amplis fender (plus d'aigus a bas volume)
Un vieil ampli comme ça il est conseillé de changer les condo d'alimentation
Enfin on voit pas bien si le ground switch est désactivé, à verifier
En on dirait que le neutre (ça peut pas être la phase) est soudé au châssis là ou tu as mis la terre ???
M4T
  • #146
  • Publié par
    M4T
    le
Merci Nasdaq pour ta réponse !
Le Neutre est bien le fil bleu correctement soudé là où était l'ancien fil bleu.
La phase, fl marron, est sur le switch On/Off mais on ne voit pas qu'il y a 2 pattes, il est sur celle du haut et le fil gris sur celui du dessous, pas d'inquiétude.

Pour le Ground Switch, je n'ai pas su quoi faire, du coup je n'ai rien fait, comment le désactiver ?
Mon bouton est vers la droite (cassé), je peux le tourner avec l'ongle ou un tournevis plat si besoin.
J'ai lu sur AF "installez un cordon avec la terre relié au chassis et enlevez ce fameux death cap" et j'ai trouvé ceci sur les fameux Death Cap mais je ne suis pas sûr de vraiment savoir quoi faire... (couper le cap MLT des deux côtés ??)

Merci à toi
Doug_Watson
Le ground shift ne sert plus à rien avec une mise à la terre, il faut tout virer les fils et condo dessus et juste le laisser pour boucher le trou ! Mais tu peux même l'enlever complètement si le trou ne te gêne pas...
«Je ne suis pas sûr qu'on défende une civilisation en semant soi-même la barbarie.» E. Macron
Non, je n'ai pas rencontré Frankenstein et Epstein au Lichtenstein !
M4T
  • #148
  • Publié par
    M4T
    le
Salut,
Merci pour ta réponse, au moins ça a le mérite d’être clair : on vire tout !
Je vais laisser le switch présent pour pas laisser un trou.
Question sur les entrées / sorties : comment elle marche la bestiole ?
Merci d’avance
Doug_Watson
Les 1 et 2 ont l'air en // donc identiques... Sur un Fender on sent clairement la différence de niveau.
«Je ne suis pas sûr qu'on défende une civilisation en semant soi-même la barbarie.» E. Macron
Non, je n'ai pas rencontré Frankenstein et Epstein au Lichtenstein !
perl
  • Vintage Cool utilisateur
  • #150
  • Publié par
    perl
    le
Tiens ! j'ai le même ampli dans la salle de zic .

Il servait il y a qqs années à amplifier les claviers ( DX7 et Co ) remplacé par un Markbass miniCMD 121 P .

Il fonctionne encore , je le branche (sans mettre la HT ) de temps en temps .

Le baffle d'origine ( avec son panneau avant ) set de support au Markbass . ( visible là : https://nsm09.casimages.com/im(...)0.jpg )

La tête est rangé dans un placard ...


voili , bonne journée !
L'important c'est de ( et se ) faire plaisir



"la BT est au guitariste , ce que le mur est au tennisman ;un moyen de s'entrainer seul ; mais qui n'a pas grand chose à voir avec le jeu en live ..."

En ce moment sur ampli et préampli guitare...