Blind test Marshall 1959 Superlead de 1972 VS Reissue

Forum Marshall
Forums
Rappel du dernier message de la page précédente :
manulonch
totoleheron a écrit :
Par contre les mullards sont transparentes mais pas les JJ.


Non, aucun tube n'est transparent, ils ont tous un grain et certaines coupures en fréquences,
TOUS sans exception !!!

Ils ne sonnent pas mieux ni moins bien,
ils ne sonnent pas pareil !
Et les gouts et couleurs ne se discutent pas,
donc c'est impossible de juger de manière impartiale pour quelqu'un d'autre.

On peut donc dire " Je n'aime pas tel ou tel trucbidulechose " , mais on ne peut pas dire " ce bazaaar est de la merde en boite ".

Par contre on peut dire " cette bouze est fabriquée comme une merde par un abruti " ou aussi " cette chignole est fabriquée correctement par un artisan soucieux de la qualité ".


Il serait de bon ton d'arrêter de dire un tas de conneries sans connaitre réellement le fond et le fonctionnement des choses, je suis en train de dire tout haut ce que beaucoup de gens " qui savent vraiment " pensent tout bas, on est pas beaucoup ici mais je pense que ça nous saoulent tous.

sur ce , bisous !

Je retourne dans Backstage.

Tchuss.
totoleheron
Edit modération Millenofx77: Toto , dernier avertissement

Les Mullards font une différence non négligeable.

Oghkhood
C'etait bien la peine que tu vienne faire ta crise alors que je disais exactement la meme chose
On dit d'un fou qu'il a perdu le sens de la realité.

Alors que dire des gens qui confondent :

- La colere et la haine
- Le respect et la crainte
- L'offense et la peur
- La vérité et la croyance
- Le savoir et l'information
- L'amour et l'envie
- Etre et avoir
millenofx77
manulonch a écrit :


Par contre on peut dire " cette bouze est fabriquée comme une merde par un abruti " ou aussi " cette chignole est fabriquée correctement par un artisan soucieux de la qualité ".

.

et on peut aussi dire:
je trouve que ma bouse fabriquée comme une merde par une mexican sans papiers à petaluma sonne , selon mes gouts, mieux que n'importe quelle chignole chiadée par son artisan?!
"My Punk World" en 1 minute:
https://soundcloud.com/arnodru(...)aring
Oghkhood
Tu as oublié "et payée 1.5x plus chére"
On dit d'un fou qu'il a perdu le sens de la realité.

Alors que dire des gens qui confondent :

- La colere et la haine
- Le respect et la crainte
- L'offense et la peur
- La vérité et la croyance
- Le savoir et l'information
- L'amour et l'envie
- Etre et avoir
manulonch
millenofx77 a écrit :
et on peut aussi dire:
je trouve que ma bouse fabriquée comme une merde par une mexican sans papiers à petaluma sonne , selon mes gouts, mieux que n'importe quelle chignole chiadée par son artisan?!



Oui tout à fait , parce que là on parle " son " ce qui est totalement subjectif !

C'est comme la couleur d'une bagnole, à modèle identique, certains les aiment rouge, les autres noires !
En sachant que les merdes assemblées au Mexiques sont désormais sous traitées en Chine ! Ce qui fait une légère différence.
millenofx77
manulonch a écrit :


C'est comme la couleur d'une bagnole, à modèle identique, certains les aiment rouge, les autres noires !
En sachant que les merdes assemblées au Mexiques sont désormais fabriquées en Chine ! Ce qui fait une légère différence.

ma merde de petaluma est de 1998, je suis sauvé...lol
"My Punk World" en 1 minute:
https://soundcloud.com/arnodru(...)aring
Oghkhood
C'est ce qu'on appelle du mojo-relic, c'est bien ça ?
On dit d'un fou qu'il a perdu le sens de la realité.

Alors que dire des gens qui confondent :

- La colere et la haine
- Le respect et la crainte
- L'offense et la peur
- La vérité et la croyance
- Le savoir et l'information
- L'amour et l'envie
- Etre et avoir
Biosmog
  • Vintage Méga utilisateur
je ne veux pas ajouter une couche au débat, mais non, le son ce n'est pas que subjectif manu. Un bon ampli bien équilibré a une dynamique plus propre, des harmoniques plus agréables, une sorte de polyvalence (parfois des bouzes font très bien un truc très particulier, dans un certain contexte, mais dès qu'on en sort...) Je me suis intéressé aux Hiwatt pour en pratiquer. Dave Reeves était ingénieur chez Mullard. Il a créé ses amplis sur la base des spécifications des Mullards. Il savait ce que c'était une lampe et je suis convaincu (sans avoir testé) qu'un Hiwatt (époque Reeves) sonne mieux (équilibre fréquentiel? dynamique? sur la longueur?) avec des Mullards ou des lampes ayant un caractère proche.

Marshall baignant dans le même univers, ce doit être transposable.
Vous battez pas, je vous aime tous
Oghkhood
Tu fais ecouter le meme ampli dans les memes conditions a quelques centaines de personnes, tu en trouveras toujours pour dire qu'ils aiment pas, qu'ils preferent un autre, sans prejuger des gouts de ces personnes.
Tu en trouveras qui preferent leur Hiwatt avec des JJ ou des Sovtek
C'est pour ça que c'est principalement subjectif, meme si techniquement tu pouvait quantifier la qualité du son d'un ampli (et ca j'espere bien que ca n'existera jamais), ce sont les oreilles et le truc coincé entre les deux qui choisissent.
On dit d'un fou qu'il a perdu le sens de la realité.

Alors que dire des gens qui confondent :

- La colere et la haine
- Le respect et la crainte
- L'offense et la peur
- La vérité et la croyance
- Le savoir et l'information
- L'amour et l'envie
- Etre et avoir
manulonch
Biosmog a écrit :
je ne veux pas ajouter une couche au débat, mais non, le son ce n'est pas que subjectif manu....


Je disais subjectif car les gouts des un ne sont pas les gouts des autres...
Ce qui pourrait me plaire ne te plaira pas forcément.

On est d'accord qu'un son bien équilibré etc sonnera " mieux " pour les oreilles de certaines personnes pour un certain type de musique, mais tu auras une autre tranche de personne qui feront autre chose comme musique pour lesquelles ce sont ne conviendra pas.
Pour la conception d'amplis en fonction de certain data techniques, beaucoup l'ont tenté et très peu ont réussi, il suffit de voir la période ultra-linéaire chez CBS (Fender), sur papier ça devait être fantastique...
Pour moi, Hiwatt reste un ovni dans la conception d'amplis guitare ! Des amplis au top.

Je répare et modifie des amplis depuis bien des années, de au fil du temps mon discours à évolué, je suis passé de jeune lapin à vieux lapin.
Au début j'osais " dire " beaucoup plus de choses au niveau du son, maintenant je suis beaucoup plus taiseux, car déjà rien que sur la description d'un son il y a moyen de se planter royalement.
Par contre au fil du temps je me suis affirmé au niveau technique, mais ça c'est l'expérience du travail qui a fait son œuvre.

Souvent maintenant, quand je prends un ampli avec une panne à la con je dis " je vais voir ce que je peux faire ", j'évite les trucs avec lequel je vais galérer car ça n'est pas mon domaine (truc compliqués à transistors et DSP, tables de mix, matos de sono) et j'oriente vers des personnes plus compétentes. Etc....

C'est pour ça que je déteste parler " son " de visu avec beaucoup de personnes, alors en parler sur un forum où la plupart des mecs font des concours de teubs...


Edit:
Oghkhood a bien résumé ce que je voulais dire, il est 23h40 j'suis crevé
phatatrax
Je trouvais que le A sonnait mieux (surtout sur les transients) mais si on m'avait que le B était le 72 ça ne m'aurait étonné plus que ça...

sinon la question de la subjectivité ..

je trouvais que mes prises de basse sonnaient bien dans ma digi 001 et puis un jour j'ai acheter un preamp 1073 de neve..

C'est comme regarder des mois le porno de canal + en crypté et soudain l'avoir gratis ...


Merci pour ce blindtest
oldamp
  • Vintage Méga utilisateur
alors là, tu as mis le doigt dessus ! n'importe quel signal qui passe par une tranche Neve s'en trouve magnifié comme par magie ! ces preamps sont le top !
bill bokey
oldamp a écrit :
bill bokey a écrit :
Ephrem a écrit :
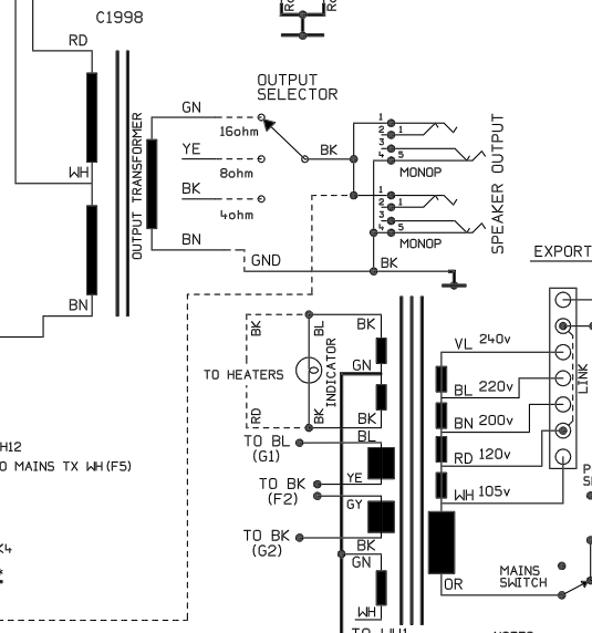
Savez vous pourquoi sur tous les schémas de 1992 du site metropoulos, le NFB (ligne en tirets ci-dessous) est connecté sur la sortie HP directement ?

Pourtant sur le reissue ouvert chez moi c'est connecté sur 8 ohms.



J'en ai parlé un peu plus tôt
Les 100w étaient toujours connectés à deux enceintes de 16 ohm en //, ce qui revient à 8 ohms.


Bill, si je peux me permettre, tu réponds un peu à coté ! si tu connectes deux enceintes de 16, tu dois mettre le sélecteur sur 8. mais sur le schéma, la NFB va au sélecteur et donc sur 4-8 ou 16 suivant la position du sélecteur. ce qui veut dire que le taux de NFB varie suivant l'impédance choisie, ce qui n'est pas très logique... et comme la tension de sortie est proportionnelle à l'impédance (à puissance égale), tu auras une NFB plus forte sur 16 et plus faible sur 4. donc brancher la NFB sur la sortie 8 ==du transfo== serait une bonne moyenne.


Je n'ai pas répondu à côté et je le répète : les 100W étaient toujours connectés à deux enceintes, donc mettre le fil de NFB sur le jack HP revenait exactement à le mettre sur la sortie 8 ohms.
Il faut remettre les choses dans le contexte, personne n'utilisait (à l'époque) une tête de 100W avec un seul cab, donc il n'y avait pas de variation de NFB
Castle Made of Sound (tube amp workshop) :

www.castlemadeofsound.com

https://www.guitariste.com/for(...).html

En ce moment sur ampli et préampli guitare et Marshall...