JCM 800 2203 Prob Volume entrée High et Low

Forum Marshall
Forums
  • #1
  • Publié par
    dofasol
    le
Bonjour

c'est un 2203 de 1988 testé avec une telecaster

il y a une différence de volume vraiment forte entre les entrées High et Low ce qui rend l'input high peu exploitable.. ( c'est genre 3x plus fort et je dois diminuer le MV au minimum)
je n'ai pas l'impression que sur les autres 2203 que j'avais utilisé il y avait ce phénomène.

auriez vous une idée des raisons de ce symptome ?

merci
djudjubanton
dofasol a écrit :
auriez vous une idée des raisons de ce symptome ?


J'ai ma petite idée…
C'est qu'un 2203, ça tabasse.

Voilà…

Sérieusement, c'est normal pour moi.
oldamp
  • Vintage Méga utilisateur
  • #3
  • Publié par
    oldamp
    le
L'entrée high est en série avec l'entrée low, deux triodes en cascade donc oui, ça tabasse !
djudjubanton
Si tu veux exploiter ton 2203 avec l'entrée high faut utiliser un atténuateur avec un réglage fin type SPL Reducer ou TAD Silencer ou autre qui tient 150-200W.
Le master des 220x n'est pas terrible pour jouer à bas volume. À 1.5 tu t'arraches déjà la gueule et le son ne s'ouvre bien qu'à partir de la moitié.
Tu peux faire monter un Master Volume post phase inverter mais ça oblige à modifier un chouilla l'ampli, de façon réversible en tout cas. C'est bien moins cher qu'un atténuateur.
  • #6
  • Publié par
    dofasol
    le
merci beaucoup pour vos remarques ceci dit j'ai pas souvenir que mon jmp était aussi radical.

ici l'entrée high sature presque direct lorsque j'effleure le pre-amp (et mega tabasse) et en revanche sur l'entrée low le son reste clean jusqu'a fond de preamp

je vais continuer a tester
djudjubanton
Oui l'entrée Low, normalement, ça reste assez clean à fond de préamp.
Il me semble avoir lu que les 2203 de la fin des 80's saturaient un peu plus que ceux du début.
Il a pas été modifié ton 2203? Peut-être qu'il y a une mod pour + de gain sur l'entrée high.
Si ton 2203 est tout d'origine, envisages peut-être d'enlever la bright cap sur l'entrée high (un coup de pince coupante sur une des pattes de la capa suffit si tu ne sais pas souder).
Ou bien, changes une des 2 premières 12AX7 pour une 5751.
  • #8
  • Publié par
    dofasol
    le
bonjour

j'ai commencé à tester avec une 12AYT et une ECC81 que j'avais sous la main.

c'est intéressant de voir comme le son change selon les marque, les types de lampes.

Coté bright cap j'ai trouvé ca a lire http://tone-lizard.com/the-ult(...)m800/ avant de sortir le fer a souder
  • #9
  • Publié par
    dofasol
    le
Alors ,

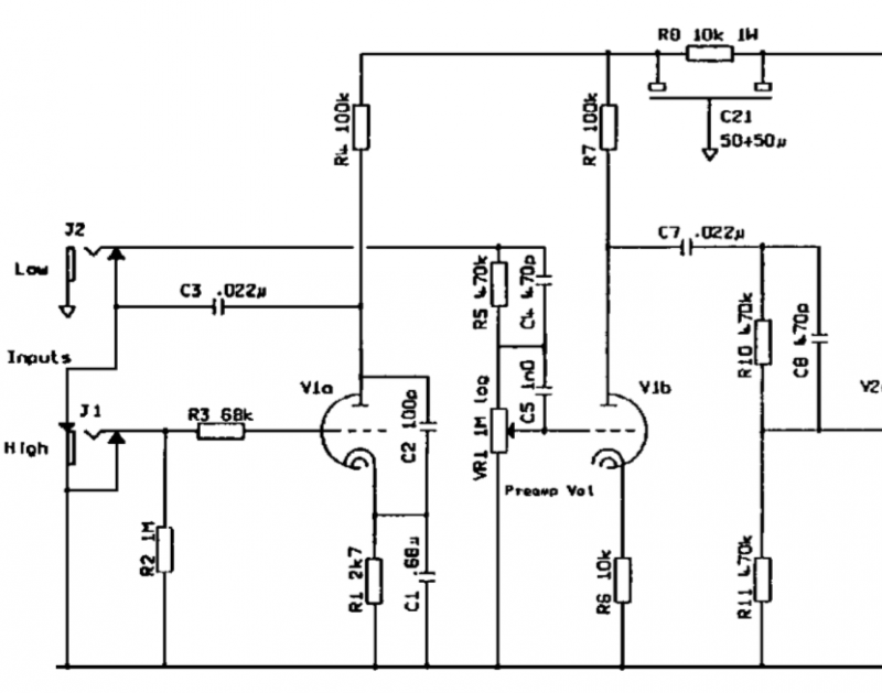
- J'ai repéré facilement la fameuse Bright Cap sur ce 2203 de 1988
Elle est référencée C5 et la valeur de ce condensateur est de .001uF
Je n'ai pas encore essayé de la dessouder/couper

- J'ai mesuré pas mal de composants et j'ai vu que la résistance R5 (470k) qui est branchée en parallèle du condo C4 (470pF) ne fait que 330k (pourtant elle est bien jaune-violet-jaune)
sur la page de tone lizard il écrit avoir vu une résistance de 510k sur un JCM800...
c'est peut être une piste a explorer; mettre la valeur officielle, voire l'augmenter.

- Plus tard je me pencherais sur la résistance de cathode R6 dont la valeur origine est de 10k. si la diminuer jusque 4k7 peut booster le préampli, est-ce que l'augmenter peut réduire le gain?




Little Paco
Ton ampli n'a pas vraiment de problème, c'est juste qu'il y a un étage de gain en plus entre l'entrée High et l'entrée LOW.

330K au lieu de 470K ça change pas grand chose juste la fréquence de coupure du filtre que forme les deux composants R5 C4.

Si vraiment tu veux perdre du gain augmenter R6, ne me semble pas une super idée. 10k c'est déjà pas mal, et puis tu perdrais du signal sur le canal low aussi.


A la limite vire dejà la bright Cap C5.

Et si tu veux moins de gain vire la C1 (mais attention ça touche le voicing aussi tu auras un son plus plein).

Pour moi perso: le 2203 c'est pas un ampli avec deux entrées avec lequel il est rigolo de switcher de l'une à l'autre..
C'est plus deux amplis très différents et inconciliable dans une même boite.
Un super crunch que tout le monde connait.
Un clean géniallissime comme plateforme à pédale.
Mais passer d'un canal à l'autre, outre le branchement débranchement de la guitare, ça demande de tout rerégler différemment.
http://sites.google.com/site/kermesserocker/
Mon prochain ampli aura des boutons, gradués jusqu'à 666, comme ça je jouerais vachement plus fort que tout le monde.
oldamp
  • Vintage Méga utilisateur
  • #12
  • Publié par
    oldamp
    le
Mets une ECC82/12AU7, t'auras (beaucoup) moins de gain mais le canal low risque d'être anémique...

Tu peux diminuer le gain de V1a en remplaçant la 100K par une 47k (R4).
mifl
  • Custom Top utilisateur
  • #13
  • Publié par
    mifl
    le
il faut aussi garder à l’esprit qu’un 2203 est un ampli de scène,
à une epoque sans sono ou repique d’ampli et lui il est taillé pour les stades,
donc un hedroom monstrueux,tout les potar à droite.
chipoter les capa,resistances c’est un cataplasme sur une jambe de bois.
posséder un jcm800 et faire de la scène => ok
jouer chez soit => il est pas fait pour (ou bien habiter un hameau isolé....)
djudjubanton
Dans les 80's on sonorisait déjà.
Pour les mods on parlait de gain, pas de volume. Donc "chipoter" les capas et/ou les R ça peut être nécessaire dans ce cas-là.
Quant à avoir un 2203 pour chez soi, oui c'est un peu dommage de ne pas au moins l'utiliser en groupe mais bon, on fait ce qu'on veut puis y a des solutions dont on a parlé plus haut.

En ce moment sur ampli et préampli guitare et Marshall...