MARSHALL Fan & User's Club

Forum Marshall
Forums
Rappel du dernier message de la page précédente :
Doug_Watson
Tu vas finir par décoller des pistes.... Et le 680 nF en découplage de cathode, franchement là tu mets n'importe quoi c'est bon !
«Je ne suis pas sûr qu'on défende une civilisation en semant soi-même la barbarie.» E. Macron
thunderverb
PiPiRoSe a écrit :
si tu les a déjà et que ca te fais plaisir de le faire pourquoi pas
faut se faire plaisir dans la vie


j ai bricolé sur un ampli de Twisting crow cet après midi c est pas la classe

ampli 1987


je devais simplement ajouter un bright au depart , ampli revision faite ya une semaine dans le plus gros magasin de zic de mon secteur
mon constat a l ouverture : une résistance de 1k verte sur le soket d un el34 complètement hs , j enleve les tubes jj neuf et la dessous sur le soket qui avait chauffer y avais plus le détrompeur dessous le tube incroyable , le joli condensateur de présence de 100nf a été remplacé par deux condo de 0,47uf en série , dans l ensemble pas très pro comme révision pour un gros magasin
sinon je félicite Twisting crow c est très propre et agréable quand on a besoin de bricoler, un régal
le truc cool avec ca c est de rencontrer des gens passionnés , le nouveau propriétaire est un petit jeune de 25 ans qui est très très content d avoir mis la main sur cet exemplaire et a très bon prix .


Ha ba ça alors c’est celui qui s’est vendu récemment sur lbc ?
J’étais dessus mais un « local » est passé avant moi … dommage 900 et des euros c’est pas cher !

Bon de mon coté j’ai pas trop mal avancé, me reste les 3 derniers condos à changer, mais qu’est ce que c’est emmerdant les pattes repliées, j’ai perdu un temps fous avec ça !

Bon j’ai testé quand même, même pas fini et bien, ça valait le coup d’y passer quelques heures.

À vérifier avec mes anciennes pistes mais il me semble moins agressif, l’effet de la bright cap est plus sensible, mais je crunch plus vite, à 1 au volume.

Le son me semble plus charnu, je pense que j’ai gagné en qualité sonore, enfin c’est ce qui m’a semblé sur les premiers accords.

Très content donc, je terminerai demain. C’est grave au fait si je mets des 0,027 au lieu des 0,022 ?
Et le dernier condo rouge qui est un 0,68uf, je n’ai que du 0,47 et 0,1 en mustard ou 0,1 en MC ?






Work in progress
thunderverb
Doug_Watson a écrit :
Tu vas finir par décoller des pistes.... Et le 680 nF en découplage de cathode, franchement là tu mets n'importe quoi c'est bon !


Ha si ton message est pour moi, j’ai la réponse pour mon dernier condo, je mettrai le 0,47 Mustard.
PiPiRoSe
thunderverb a écrit :

Ha ba ça alors c’est celui qui s’est vendu récemment sur lbc ?
J’étais dessus mais un « local » est passé avant moi … dommage 900 et des euros c’est pas cher !



Oui il a payé 950 € je lui ai dit que c était une bonne affaire je me demande même si le cab n est pas un Jeff Swanson car sur les miens que je chope en Europe au bout de 2 ans par la ca se décolle un peu dans les coins tout ca mais pas la malgré les années.
I'm just an average man with an average life
I work from nine to five, hey, hell, I pay the price
All I want is to be left alone in my average home
But why do I always feel like I'm in the twilight zone and?

mon meilleur montage grâce au pcb d un ami :
https://www.casimages.com/u/pi(...)2817/
thunderverb
D’ailleurs c’est curieux ces 1987 sans bright cap, il y a un gars du forum qui vend un 1987 ceriatone sans, j’ai essayé sur le mien, ça n’est pas le même ampli …

J’étais intéressé mais pas d’envoi, je voulais un 1987 sur turrets pour tester différents condos, bah du coup je le fait sur le mien et c’est très bien
PiPiRoSe
thunderverb a écrit :
je voulais un 1987 sur turrets pour tester différents condos, bah du coup je le fait sur le mien et c’est très bien


c est envisageable de le faire sur le tien sans problème
effectivement plus simple a bricoler que en pcb
I'm just an average man with an average life
I work from nine to five, hey, hell, I pay the price
All I want is to be left alone in my average home
But why do I always feel like I'm in the twilight zone and?

mon meilleur montage grâce au pcb d un ami :
https://www.casimages.com/u/pi(...)2817/
thunderverb
thunderverb a écrit :
Doug_Watson a écrit :
Tu vas finir par décoller des pistes.... Et le 680 nF en découplage de cathode, franchement là tu mets n'importe quoi c'est bon !


Ha si ton message est pour moi, j’ai la réponse pour mon dernier condo, je mettrai le 0,47 Mustard.


C’est peut être pas ce que tu as voulu dire… tu indiquais que je peux mettre n’importe quel type de condo de la même valeur ? Pas d’influence sur le son ?
En valeur approchante je n’ai qu’un 0,47uf, ça peut aller ?
djudjubanton
PiPiRoSe a écrit :
thunderverb a écrit :

Ha ba ça alors c’est celui qui s’est vendu récemment sur lbc ?
J’étais dessus mais un « local » est passé avant moi … dommage 900 et des euros c’est pas cher !



Oui il a payé 950 € je lui ai dit que c était une bonne affaire je me demande même si le cab n est pas un Jeff Swanson car sur les miens que je chope en Europe au bout de 2 ans par la ca se décolle un peu dans les coins tout ca mais pas la malgré les années.

Rien que le transfo d’alim Merren, ça vaut la moitié de ce prix, au moins…
Doug_Watson
thunderverb a écrit :
thunderverb a écrit :
Doug_Watson a écrit :
Tu vas finir par décoller des pistes.... Et le 680 nF en découplage de cathode, franchement là tu mets n'importe quoi c'est bon !


Ha si ton message est pour moi, j’ai la réponse pour mon dernier condo, je mettrai le 0,47 Mustard.


C’est peut être pas ce que tu as voulu dire… tu indiquais que je peux mettre n’importe quel type de condo de la même valeur ? Pas d’influence sur le son ?
En valeur approchante je n’ai qu’un 0,47uf, ça peut aller ?


Laisse le rouge ! Il met juste la cathode à la masse en alternatif. C'est pour les condos de liaison que ça joue. 0.47 ça va couper le bas medium un peu plus haut... Mais tu peux tester !
«Je ne suis pas sûr qu'on défende une civilisation en semant soi-même la barbarie.» E. Macron
PiPiRoSe
djudjubanton a écrit :

Rien que le transfo d’alim Merren, ça vaut la moitié de ce prix, au moins…

oui ,je lui ai dit que même moi si je devais me monter l équivalent aujourd'hui ca me couterai certainement plus cher .

thunderverb pour ton condensateur de 0,68 uf , si tu na pas la valeur a disposition tu peux aussi mettre 2 condo en // pour avoir la valeur désirée, c est pas interdit .
I'm just an average man with an average life
I work from nine to five, hey, hell, I pay the price
All I want is to be left alone in my average home
But why do I always feel like I'm in the twilight zone and?

mon meilleur montage grâce au pcb d un ami :
https://www.casimages.com/u/pi(...)2817/
thunderverb
Merci Doug et Pipirose pour votre aide

A priori le 0,68 n’a pas d’incidence sur le son, je vais donc le laisser pour le moment, je le remplacerai par souci d’esthétique dès que j’en aurai un.

Sinon, j’ai cherché mais pas trouvé, existe t il un layout de 1987 avec l’indication de chaque composant et son rôle, j’aimerais bien savoir notamment où passe le signal.
Merci.
PiPiRoSe
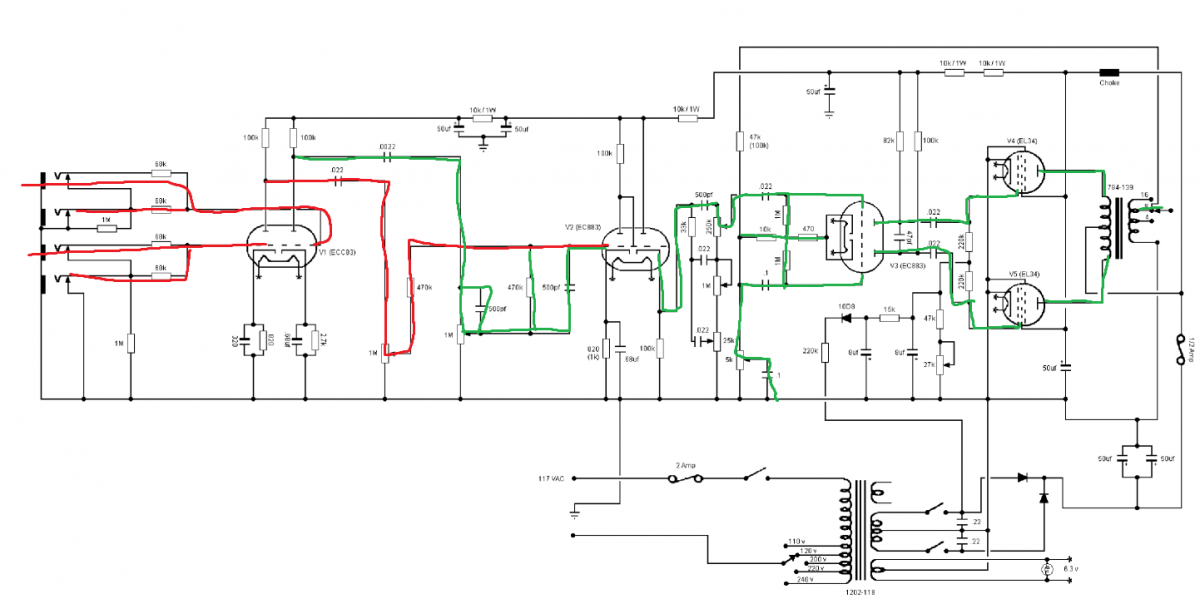
pour aider :

voila chef


sinon ca c est la bible du bricoleur marshall 50w :
https://valvestorm.com/sites/d(...)S.pdf

trajet signal a souris levée :


trajet signal
I'm just an average man with an average life
I work from nine to five, hey, hell, I pay the price
All I want is to be left alone in my average home
But why do I always feel like I'm in the twilight zone and?

mon meilleur montage grâce au pcb d un ami :
https://www.casimages.com/u/pi(...)2817/
thunderverb
Merci beaucoup Pipirose je vais imprimer tout ça !
PiPiRoSe
de rien, le plan a souris levée aurait pu être mieux fait , j ai oublié la contre réaction et ca aurait été mieux avec 3 couleurs finalement
I'm just an average man with an average life
I work from nine to five, hey, hell, I pay the price
All I want is to be left alone in my average home
But why do I always feel like I'm in the twilight zone and?

mon meilleur montage grâce au pcb d un ami :
https://www.casimages.com/u/pi(...)2817/
thunderverb
Pour les condensateurs V1A et B plate bypass, c’est actuellement du 0,022, est ce que je peux substituer par du 0,033 ou non ?
Doug_Watson
Ça va ramener un poil plus de basses , ça peut risquer de devenir brouillon...
«Je ne suis pas sûr qu'on défende une civilisation en semant soi-même la barbarie.» E. Macron

En ce moment sur ampli et préampli guitare et Marshall...