Topic sur les lampes de puissances (marques, qualités...)

Rappel du dernier message de la page précédente :
corto30
Doug_Watson a écrit :
Le pb des lampes russes c'est qu'elles ne supportent pas une tension de G2 aussi élevée que les US ou EU...


Ah, important ça.. faudra que je verifie, j'ai déjà une ht elevée sur l'ampli, autour de 400 .. avec 240 en alim.. ça fait beaucoup c'est pour ça que je m'interessse au EL84M.
G2 c'est bien la pinoche 9 ?

Merci Mikka pour le coté sonore
Nutrisco et Extinguo
Doug_Watson
Quand on lit sur les datas officielles que Va et Vg2 max c'est 300V.... Avec 400V faut vraiment les biaser froid !

les vraies 7189A US c'est respectivemet 440 et 400V pour 13.2W... Ou les 7320 (400 - 400 - 12w) si t'en trouves !
«Je ne suis pas sûr qu'on défende une civilisation en semant soi-même la barbarie.» E. Macron
Non, je n'ai pas rencontré Frankenstein et Epstein au Lichtenstein !
corto30
Je règle à environ 20 mA...

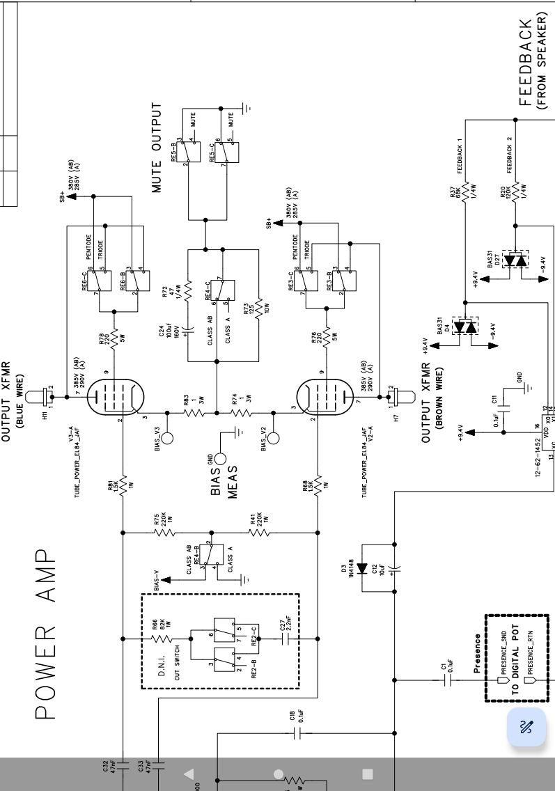
Vlà le schéma, les 385 V théoriques sont nettement dépassés..

Et des EL84_JAF je me demande ce que ça peut bien être ???
(J'ai déjà vu JAN mais JAF jamais)



El84jaf
Nutrisco et Extinguo
The Trout
Air Force ?
“The type of cap is not as important as the value of the cap, for guitar. In an Amp, your cap type is much more important, as the signal is being passed through the cap all the time. In a guitar, you’re not hearing the cap itself, you’re hearing what the cap is impeding”. Lindy Fralin
corto30
Possible..

Y'a un tech ricain qui me parle de grade : soft/medium/hard qui serait fonction du % d'inertage restant dans le tube à la fabrication ... mouais pourquoi pas, mais c'est pas une info dispo chez tous les revendeurs..
Nutrisco et Extinguo
Doug_Watson
corto30 a écrit :
fonction du % d'inertage restant dans le tube à la fabrication


Et en français ? De toute façon, après fabrication du tube on peut juste mesurer son débit, sa résistance interne et sa pente (d'où on déduit le gain théorique). Le vide est fixé à la fabrication (il varie un peu d'un fabricant à l'autre et du type de tube) et les gaz résiduels sont censés être absorbé par le flash du getter. Après, c'est sûr qu'une 6V6 RCA blackplate, une Mazda mili ou une 6P6S ça ne sonne pas tout à fait pareil !
«Je ne suis pas sûr qu'on défende une civilisation en semant soi-même la barbarie.» E. Macron
Non, je n'ai pas rencontré Frankenstein et Epstein au Lichtenstein !
corto30
Il resterai un peu de gaz inerte dans le tube.. ( un gaz facile à detecter pour quantifier le vide ? de l'helium ? ..) ça dépasse mes maigres connaissances.

J'ai trouvé que ça :



Soft-medium-hard
Nutrisco et Extinguo
Doug_Watson
Ah ouais, ça n'a aucun rapport avec le vide ou les gaz, c'est juste que c'est en fonction des tolérances de fabrication qui sont de +-20% ! soft dans le bas et hard dans le haut !
c'est ce qui est marqué sur les paires de tubes, exemple de ce que j'avais relevé sur les paires de 6L6 TAD quand j'utilisais encore ces tubes :

PC = plate current in mA. drawn in our testcircuit. TC= transconductance (gm) in micromhos/10 the. higher the TC number is, the more. dynamic this tube amplifies.

Va savoir ce qu'est leur "testcircuit" !


chez TT c'est mieux défini, on a les conditions de mesures du test.
«Je ne suis pas sûr qu'on défende une civilisation en semant soi-même la barbarie.» E. Macron
Non, je n'ai pas rencontré Frankenstein et Epstein au Lichtenstein !
corto30
Ok.
Hard c'est au debut de la partie linéaire de la courbe de gain et soft sur la fin, c'est bien çà ?
Et des tubes de même marque parfaitement appairés peuvent qd même modifier le son de l'ampli ?
Nutrisco et Extinguo
NUFAN
  • Vintage Ultra utilisateur
  • #820
  • Publié par
    NUFAN
    le
Salut les furieux,
j'ai cette EL34 et je voudrais savoir ce que c'est...j'ai plein de ref mais rien qui lui ressemble exactement. Merki pour votre aide.



...mais sur une pancarte juste à côté d'une table, c'est marqué "interdit les punks et les arabes"...
PiPiRoSe
ca ressemble pas mal a ca j ai l impression mais pas sur du tout : https://reverb.com/fr/item/563(...)etter
a vérifier quand même mais avec les 2 getter ca élimine plusieurs trucs , avec un peu de chance ya doug ou autre qui verra ton message pour t aiguiller mieux
« Si tu prends 500 € à un travailleur pour donner 100 € à 5 paresseux, tu perds un vote mais tu en gagnes 5. Ça s'appelle le socialisme. » Elon Musk

mon meilleur montage grâce au pcb d un ami :
https://www.casimages.com/u/pi(...)2817/
NUFAN
  • Vintage Ultra utilisateur
  • #822
  • Publié par
    NUFAN
    le
merci le basque mais je ne pense pas que ce soit ça. Et oui j'ai rien trouvé foutu comme ça.
...mais sur une pancarte juste à côté d'une table, c'est marqué "interdit les punks et les arabes"...
PiPiRoSe
zut , avec le double getter tu devrais arriver a faire un premier tri mais c est pas simple avec des photos c est sur , yen a ici qui bouffent du tubes depuis des années tu aura peut être de la chance sait on jamais , je regarderai de mon coté aussi sur le net des fois que j ai de la chance
« Si tu prends 500 € à un travailleur pour donner 100 € à 5 paresseux, tu perds un vote mais tu en gagnes 5. Ça s'appelle le socialisme. » Elon Musk

mon meilleur montage grâce au pcb d un ami :
https://www.casimages.com/u/pi(...)2817/
Doug_Watson
la coupelle du getter est typiquement russe...
«Je ne suis pas sûr qu'on défende une civilisation en semant soi-même la barbarie.» E. Macron
Non, je n'ai pas rencontré Frankenstein et Epstein au Lichtenstein !
NUFAN
  • Vintage Ultra utilisateur
  • #825
  • Publié par
    NUFAN
    le
alors une EH peut-être? j'en ai d'autres et c'est pas foutu comme ça. suivant l'année de prod?
...mais sur une pancarte juste à côté d'une table, c'est marqué "interdit les punks et les arabes"...

En ce moment sur ampli et préampli guitare...