Diagramme GTX 70 Ibanez

Forum Ibanez
Forums
  • #1
  • Publié par
    CDav
    le
Bonjour,

J'ai récupéré une guitare électrique Ibanez GTX 70 mais les branchement semblent incorrects. La guitare n'émet plus de sons.

Je suis allé voir les diagrammes sur le site d'Ibanez mais je n'ai jamais touché à ça donc j'ai besoin d'aide. De plus, il n'y a pas le modèle GTX 70 de proposé mais seulement le GTX 720, qui semble un peu différent.

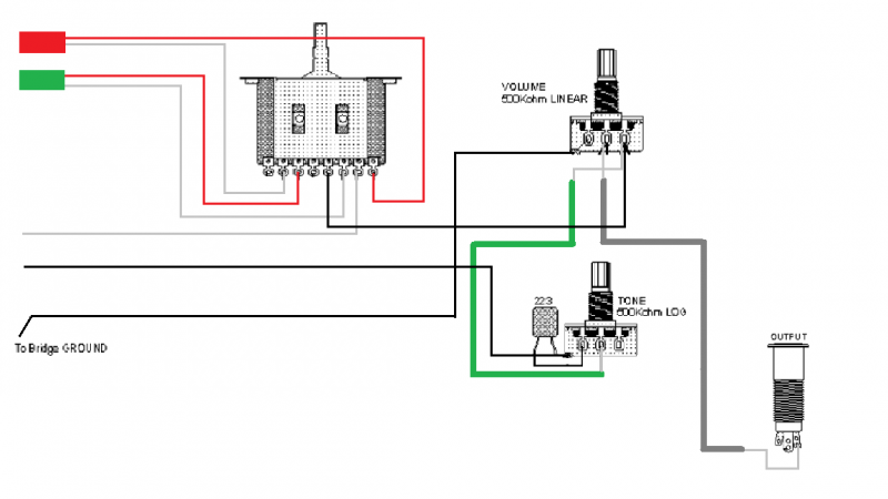
J'ai donc reproduit le diagramme de ma guitare, si jamais il y aurait des personnes prêtes à m'aider et à m'indiquer quelles sont les erreurs de branchement que je dois corriger sur ce qui a été fait. Merci d'avance pour votre aide ! Je n'ai que très peu de connaissance mais je ne demande qu'à apprendre, merci de votre bienveillance !

diagramme


(Les couleurs des fils correspondent à celles présentes : les traits gris clair représentent les fils blancs)

Et voici le digramme avec en plus les fils de terre :

Avec Terre

En ce moment sur guitare électrique et Ibanez...