Débuggage Face69 musikding

Hello,

une première pour moi, je me suis lancé dans une pédale DIY Face69 musikding, après une première tentative ou la pedale ne marchait que 30mn et se coupait (doute sur la qualité des soudures) , j'ai racheté un PCB des loupes un fil a souder plus fin, j ai tous dessoudé et ressoudé sur le nouveau PCB, point positif les soudures sont beaucoup plus jolies, point négatif ca marche po!

j'ai vérifié par trois fois le sens des composants polarisés et que les fils soient bien soudés au bon endroit.
a l'ohmmetre j ai vérifié que le jack d'entrée est bien connecté au point 1 de la carte et le jack de sortie bien connecté au potar de volume => le 3pdt est bien branché

j ai pris les tensions sur les deux transistors :
Q1 C:-0.42V B:-0.11V E :0V
Q2 C: -9.39V B: -0.49V E:-0.44V

comment je peux faire pour debugger cette pédale.

Slts


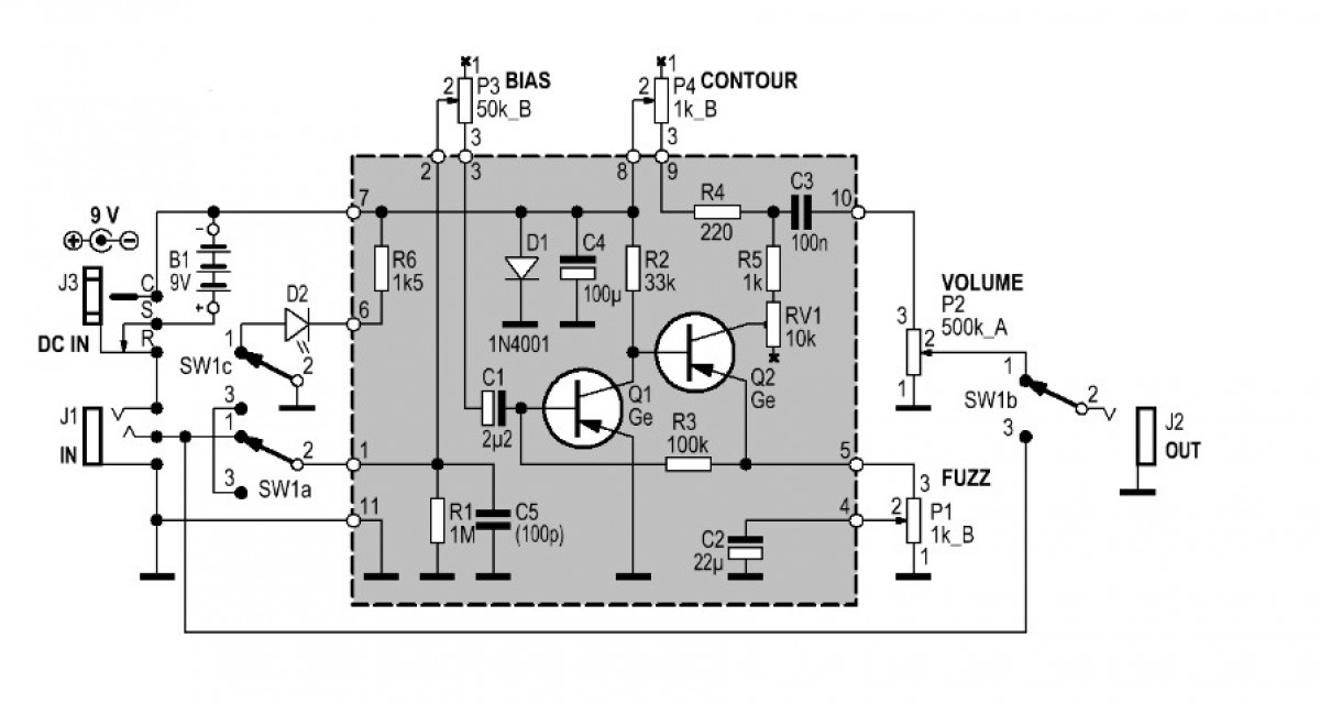
schéma
Doug_Watson
T'as sûrement claqué les transos en les chauffant trop (soudure dessoudure ressoudure...). Vérifie-les à l'ohm-metre... Tes tension VBE sont trop faibles, pour du germanium on devrait être vers les 0.3V et non 0.1V comme tu mesures...
«Je ne suis pas sûr qu'on défende une civilisation en semant soi-même la barbarie.» E. Macron
Non, je n'ai pas rencontré Frankenstein et Epstein au Lichtenstein !
ok merci , les transistors ne sont pas soudés mais montés sur un socket, donc n'ont pas subits la chaleur. je vais chercher sur google comment tester un transistor a l ohm-metre. Si t'as un lien je suis preneur
j'ai testé les transistors au multimetre en position diode, j obtient pour Q1 Base(-)Emeteur=188 Base(-)Collecteur=181 et pour Q2 Base(-)Emeteur=190 et Base(-)Collecteur=180 et avec fiche positive sur la base tout est bloqué ce qui mes semble correct pour des AC125K PNP.

pour les resistor j’obtient une valeur de résistance en les testant sur montage, j'en déduit qu elles ne sont ni en court-circuit ni kapout (valeurs testées avant montage)

je vais investiguer sur les condensateurs (certains ont étés soudés en contact avec le PCB, j'ai peur d un court circuit non visible avec l'apport d'étain).

Faut il que je les déssoude pour les tester ?
Modifié le 01/03/2026 à 11:08
Transistorix
Bonjour,

Parce que le système est bouclé Q2(E) sur Q1(B) vos mesures ne permettent pas de conclure.

-Otez Q2. Alors on devrait avoir Q1(E) = 0 et Q1(C) = -9V,

-Remettez Q2 et otez Q1. Alors Q2 devrait saturer. C'est à dire que les tensions sur les 3 bornes devraient être proches et varier simultanément (entre -1 et -5V environ) suivant le réglage RV1.

Tx
Modifié le 01/03/2026 à 11:51
Viva Arverna liura !
Doug_Watson
Je pense qu'il les a testé sortis du circuit ! ils sont juste enfichés !

Oui les mesures sont cohérentes avec des GE...
«Je ne suis pas sûr qu'on défende une civilisation en semant soi-même la barbarie.» E. Macron
Non, je n'ai pas rencontré Frankenstein et Epstein au Lichtenstein !
@transistorix
sans Q1 Q2 sature à -2.10V vur (e) et (c)
sans Q2 Q1 (e) = 0; par contre la tension sur le collecteur est partie de -2.5V pour se stabiliser à -5.7V en quelques minutes !
Transistorix
C'est un peu bizarre cette histoire.
Je ne vois qu'une explication : La connexion de masse du potar Fuzz coupée.
Tx
Viva Arverna liura !
hello,
j ai verifié toutes les masses du schema tout semble ok. (dessoudé et tester tous les condo tout est ok. j ai retesté les transistors , toujours les memes valeures) . et restesté les tensions sans Q2 Q1(e) = 0 Q1(c) =-4V ; sans Q2 Q1(e)et (c) = -9.5 et ne varie pas en fonction de RV1
donc j ai une résistance variable qui ne varie pas, sur plaquette 0ohm entre toutes les pattes, une fois dessoudée elle marche correctement (1k entre deux pattes et la troisième variable) reste a comprendre comment la souder.
ressoudée en place a l identique, et la j ai bien une résistance variable. etait ce une mauvaise soudure ? i don t know. retest de la pedale prévu demain.
Modifié le 04/03/2026 à 20:14
je seche, ca ne marche pas (position bypass ok, position enclenchee plus l impression qu c'est un courant electrique qui arrive dans l ampli plutot que de la musique) j ai recommander deux transistorts en esperant que c est le probleme , mais je doute.
Transistorix
Bonjour,

Il est assez facile de tester un transistor en circuit car, c'est avant tout un interrupteur entre Collecteur et Emetteur.
Fermé : Le courant circule entre E et C parce que le courant de base est suffisant pour le saturer.
Ouvert (Bloqué) : Quand le courant de base est nul plus aucun courant ne circule entre C et E.

Entre ces 2 états il existe un état intermédiaire assez instable (à moitié ouvert et à moitié fermé) qui permet d'utiliser le transistor en amplification.
Quand tout va bien les tensions s'établissent à un niveau intermédiaire entre les états bloqué et saturé.

Ce qui est très facile à vérifier en faisant un petit court circuit entre E et B qui va forcer le transistor à se bloquer. Alors comme tout se passe comme si le transistor était débranché et on doit constater une variation de la tension collecteur correspondante.

Si rien ne bouge sur C quand on fait un court circuit E-B, alors ce peut être un court circuit E-B mais aussi bien autre chose.

Tx
Viva Arverna liura !
L.P.
  • Custom Cool utilisateur
    Cet utilisateur est un fabricant d'instruments et matériel audio
  • #13
  • Publié par
    L.P.
    le
Salut, fais toi un audio probe, ça aide beaucoup.
Tu prends un jack femelle, tu mets un condensateur 100 nf sur le tip, un fil de masse.

Tu envoies un signal avec ton smartphone sur le IN de la pédale, tu relies la masse de ton audio probe à la masse de ta pédale, et avec le fil qui part du 100nf (tip) tu suis ton signal audio injecté à partir du début du circuit au casque branché dans le jack de l'audio probe.

Avec ça tu vois à quel niveau le signal est rompu.

A faire après les vérifications de base, masses, polarités et voltages C B et E des 2 transistors.

Au niveau du footswitch aussi tu es sûr que c'est bien câblé?

Aussi, tu alimentes comment ta pédale? Pile ou alim?

LP
Modifié le 08/03/2026 à 10:03
Los que no estan dispuestos a adaptarse, al esfuerzo, y al heroismo de una revolucíon, no lo queremos, no lo necessitamos.
hello,

@transitorix, je vais tester le court circuit...

@LP , ça a l'air top l'audio prob, je regarde pour monter ça. je suis sûr que le 3pdt est bien câblé, j'ai testé le 0 ohm entre jack entrée et la carte, et pareil pour la sortie. mais la pratique me fait douter de mes réalisation donc je ne suis plus sûr de la qualité de mon travail, je peux recâbler en direct sans 3 pdt , ca sera un peu + sûr
j'alimente avec un transfo acheté chez P.A.L.F. il marchait bien avec mes autres pédales. transfo maintenant dédié pour cette pédale (masse positive) , j ai de quoi alimenter en pile, a voir.
L.P.
  • Custom Cool utilisateur
    Cet utilisateur est un fabricant d'instruments et matériel audio
  • #15
  • Publié par
    L.P.
    le (Modifié 3 fois)
Edit... J'avais mal lu, si ton transfo est utilisé uniquement sur cette pédale ca devrait fonctionner.
Modifié le 08/03/2026 à 23:12
Los que no estan dispuestos a adaptarse, al esfuerzo, y al heroismo de una revolucíon, no lo queremos, no lo necessitamos.

En ce moment sur effets...