Diodes a remplacer sur marshall v8080

Forum Marshall
Forums
Skipjam
  • #1
  • Publié par
    Skipjam
    le
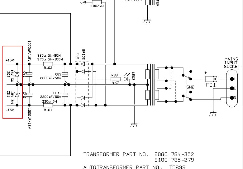
Bonjour,je retape un marshall valvestate 8080.
Pouvez-vous me dire par quel reference type de diodes je peux remplacer celles de la partie ampli ?
les 2 entourées de rouge sur l'image.
merci a tous

[img][/img]
Skipjam
  • #3
  • Publié par
    Skipjam
    le
merci pour l'info !
celles du marshall ressemblent plutot à ca :


j'ai reussi je pense a lire la ref dessus : BZT03C2
je peux quand meme mettre celle que tu m'indiques ?
Skipjam
  • #5
  • Publié par
    Skipjam
    le
oui en fait j'ai mal lu ce sont des BZT03C15 EXACTEMENT;
seulement je n'en trouve pas en france, j'ai trouvé des BZT03C47 (47v) donc...
ca peut convenir ?

ou bien ça ? c'est une zener 15 v mais en 5w au lieu de 3w :
Skipjam
  • #7
  • Publié par
    Skipjam
    le
merci, j'ai un distributeur a 20 bornes de chez moi, gotronic, c'est tout bon !
SPIDER KILLER
Repère bien la position de l'anneau (noir ou autre) qui donne la cathode.

C'est quand elle n'est pas passante (cathode coté tension (plus) positive) que tu auras la tension de zener (15V ici)
Chanson d'ivrogne (K7) :
http://spider.killer.free.fr/M(...)9.mp3
Skipjam
  • #9
  • Publié par
    Skipjam
    le
SPIDER KILLER a écrit :
Repère bien la position de l'anneau (noir ou autre) qui donne la cathode.

C'est quand elle n'est pas passante (cathode coté tension (plus) positive) que tu auras la tension de zener (15V ici)


Compris !
Merci
oldamp
  • Vintage Méga utilisateur
  • #10
  • Publié par
    oldamp
    le
c'est bizarre qu'elles aient grillé toutes les deux, il faudrait savoir pourquoi... est ce que tes résistance R101-102 montrent des traces de surchauffe ? et les condos C40-41 prévus pour 16 V sur du 15V c'est vraiment limite...
Skipjam
oldamp a écrit :
c'est bizarre qu'elles aient grillé toutes les deux, il faudrait savoir pourquoi... est ce que tes résistance R101-102 montrent des traces de surchauffe ? et les condos C40-41 prévus pour 16 V sur du 15V c'est vraiment limite...


alors les composants eux mêmes non, par contre les soudures à lamasse de c40et c41 avaient toutes les deux laché (bourdonnement et gresillement intermittant ). c'est la piste pcb qui a surchauffé au niveau de la jonction c41/r102 ainsi que c40/r101 et en avancant vers les diodes.

Dans un premier temps j'ai juste ressoudé les condos, le son c'est amélioré (plusde bourdonnement), mais a haut volume ou en attaquant bien les cordes , j'ai une dynamique qui d'effondre ainsi qu'un gresillement....

je remplace toute cette section qui semble avoir chauffé (et j'en profite pour remplacer tous les chimiques)

En ce moment sur ampli et Marshall...