Régler le Bias soi-même

Forum Orange
Forums
Rappel du dernier message de la page précédente :
  • #240
  • Publié par
    Loy59
    le 16 Mar 2021, 17:28
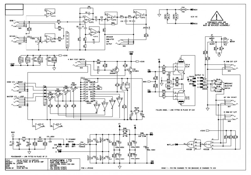
Voici le schéma.
Les paramètres de la diode Z1 en bas a droite sont faux (ce n'est pas 43v selon info du service technique ashdown)

Schema
  • #241
  • Publié par
    Loy59
    le
Il s'agit d'un BIAS fixe non reglable par diode zener.

Idéalement, il faudrait adapter l'ampli pour permettre d'avoir un reglage du BIAS.

Mais justement, je me demande si c'est risqué de faire un essai de lampe neuve avant de faire une modif d'ampli. Pour moi l'idee et deja de verifier si les desordres sont en rapport avec mes EL34.

En fonction des résultats je vois ce que je fais,
- je remets ou pas mes lampes origine car elles vont peut etre tres bien
- je laisse les nouvelles et fait faire la modif de l'ampli et le reglage pour avoir le meilleur son possible
- ou éventuellement je laisse au debut les nouvelles si la valeur de BIAS vous semble securitaire. Le son ne serait pas au top mais l'important pour moi est de m'assurer que les risques pour l'ampli sont faibles
corto30
bjr, tu as fait qqs essais sur les 2 canaux, les 2 master et le return boucle seul ? ton pb est peut etre pas au niveau des tubes de puissance..
l'ampli est prévu pour fonctionner en bias fixe (avec des tubes appairés) certes peut etre pas de maniere optimale mais sans risque pour les tubes.
Nutrisco et Extinguo
  • #243
  • Publié par
    Loy59
    le
Oui, j'ai tester les deux canal et les deux master.
C'est exactement les mêmes symptômes 🙁
ChopSauce
Pas facile de lire ton schéma, tout rikiki qu'il est. Lors de l'édition du message, décoche la case "héberger les images sur le forum" sinon l'image est automatiquement réduite, peut-être ?

Pour ton problème, je peux juste te dire ce que je ferais. Ce n'est absolument pas un conseil. Le seul conseil que l'on peut raisonnablement te donner est d'aller voir un technicien compétent.

Ceci dit, je chercherais sur le net pour savoir si des conversions en bias fixe réglable ont déjà été réalisées & publiées pour cet ampli. Sinon je poserais la question - ici https://el34world.com/Forum/index.php - ou là https://music-electronics-forum.com/ - voire sur https://www.projetg5.com/phpbb(...)x.php - et je me commanderais tout ce qu'il faut pour le faire, par exemple sur une petite plaque à oeillets rapportée.

En parallèle, je tenterais de monter une autre paire de lampe. Sans pousser l'ampli, sans le laisser trop longtemps allumé, juste pour tester si je retrouve les symptômes. En général tous les matériels ont une marge de sécurité et je compterais "là-dessus".

Si tu détruits ton ampli en faisant la même chose, ce ne sera pas ma faute. Moi je t'ai conseillé d'aller voir un tech. - même si ce n'est pas ce que je ferais (aller voir un tech.) -
oldamp
  • Vintage Méga utilisateur
Tu peux mettre une nouvelle pair d'EL34, si tu as bien une Zener 51V De plus je vois que tu as aussi des résistances dans les cathodes des EL34 mais je n'arrive pas à lire les valeurs sur ta photo... C'est vraiment un schéma bizarre
  • #246
  • Publié par
    Loy59
    le


Merci pour vos réponses et vraiment désolé pour la qualité du schéma.
Je retente une nouvelle version du schéma en espérant qu'il s'affiche plus grand.

Concernant les nouvelles lampes, j'attends de les recevoir, c'est des JJ electronique EL34

N'étant pas très fort en électronique , je vous avoue que je n'arrive pas bien a comprendre le fonctionnement de la diode. Et je n'arrive pas a trouver la réponse sur internet

comment fonctionne la diode zener sur la lampe?

- est ce qu'elle maintient une tension négative continu de -51v sur les 2 grilles des EL34 ?
Dans ce cas, il me semble que ca aurait pour effet de limiter le passage des électrons de la cathode a l'anode quand la lampe est au repos.

- ou est ce qu'elle intervient sur la tension de la cathode?
Et la j'aurais plus de mal a comprendre comment ca marche
oldamp
  • Vintage Méga utilisateur
Nettement mieux ! Si t'as un Fallen Angel, tu as bien une zener (51V) qui sert à définir la tension de bias. Il y a en plus deux résistances de 10 ohms dans les cathodes pour mesurer le courant. Mais n'y touche pas ! C'est pour les techs ! Mets les JJ quand tu les auras et c'est tout à ton niveau...
  • #249
  • Publié par
    Loy59
    le
Ok, merci

Ca me rassure un petit, peu, je vais mettre la JJ et je verrais bien si le son est correct et vérifirais par sécurité que les lampes ne me paraissent pas plus rouge et chaude au ralenti par rapport a la l'habitude

Au moindre doute, j'irais voir un technicien pour faire ajuster le BIAS.

Tu serais m'expliquer de manière simplifié comment fonctionne ce type de diode ? comment elle permet de fixer le BIAS
PiPiRoSe
visiblement pas de réglage pour cet ampli la zener "s occupe du réglage "
I'm just an average man with an average life
I work from nine to five, hey, hell, I pay the price
All I want is to be left alone in my average home
But why do I always feel like I'm in the twilight zone and?

mon meilleur montage grâce au pcb d un ami :
https://www.casimages.com/u/pi(...)2817/
  • #252
  • Publié par
    Loy59
    le
Voici les nouvelles

J'ai recu est remplacer toutes les lampes.
Le son est clairement meilleur, beaucoup plus riche.

Les lampes de puissance ne semblent pas rougir plus que les anciennes. Ca me rassure un peu sur cet histoire de bias.

Seul bémol, il me reste un defaut.
Occasionnellement, j'ai des periodes ou le son devient franchement pourri et toutes les fins de note se mettent a saturer. Et parfois pendant 1h tout va bien🤔 sur le lien vous pourrez ecouter un moment ou ca deconnait un max

J'avais deja ca avant, mais je pensais justement que c'était lié a l'usure des lampe de puissance.

Je crois que j'ai pas le choix, il faudra le mettre en réparation. Pour moi ca tombe super mal, mon département est confiné😒

Si vous avez une idee de la panne, n'hésitez pas

https://we.tl/t-Ea0JEpVT2n
corto30
à mes oreilles c'est pas un signal saturé, c'est plutot un bruit parasite..
si tout est nickel coté gratte et jack et que ça le fait que quand tu joues ça peut etre un potar, un switch, un jack de boucle ou de hp... bref un contact sur le chemin du signal
si ça le fait aussi sans toucher les cordes y'a aussi les potar du dsp dans le coup...
dans tous les cas un coup de bombe à contacts tu peux le faire toi meme
Nutrisco et Extinguo
jeff10
  • Vintage Top utilisateur
up
  • #255
  • Publié par
    Loy59
    le
Ok, merci pour ton avis.

Je vais tenter demain de jouer avec mon autre guitare et autre cable au cas ou.

Et sinon, essayer de bien nettoyer tous les contacts a la bombe. Je vous direz si ca a ameliore les choses.

En ce moment sur ampli et Orange...