CABLAGE PERSO SUR EPIPHONE CASINO AVEC DES P90-TAP SP CUSTOM

Forum Epiphone
Forums
fgillard
je vous présente un câblage qu'on peut faire sur toute guitare à 2 micros splittables, avec 2 volumes et 2 tonalités.


La guitare

Je l'ai fait sur une Epiphone Casino, demi-caisse archtop (=sans poutre centrale) avec un chevalet Trapèze et des P90: une guitare très vivante (je ressens les coups de grosse caisse sur mon ventre, et je vous dit par le potentiel de feedback!) avec un son sec, bien pourvu en aigu.

Mon modèle est de fabrication Coréenne dans les années 90: ce sont des guitares réputées pour leur bonne lutherie, mais avec de micros d'origine assez moyens (ça le faisait, mais sans beaucoup de caractère ni de brillance) et surtout une électronique qui crachote, contacte mal etc...
J'ai donc remplacé les micros et tout le câblage.

Les micros
J'ai opté pour des micros SP CUSTOM fabriqués entièrement à la main, car j'apprécie depuis quelques mois l'énorme qualité de cette marque, ainsi que le talent et la disponibilité de leur concepteur BONGO.

Je le cite:
bongo a écrit :

Le micro chevalet est un Jr traditionnel: Réplique de P90 de LP et SG Jr des 50's/début 60's.

Le micro manche est un pre-P90 "custom", c'est à dire une bête calquée sur les Ancêtre des P90 lancés par Gibson entre 1946 et 1950: plots en alNiCo 5 ( et non barres d'aimants dessous + vis conducteurs), fil de cuivre plain enamel pour un son équilibré sans trop d'abus de basses à cette distance des cordes.
il faut dire que le format du P90 manche de la casino est très particulier: très près des cordes et sans aucun réglage de hauteur... un micro P90 traditionnel toucherait carrément les cordes ! Il faut un micro moins haut.
Bongo m'a donc fait là un sur-mesure vrai de vrai !

Et la grande particularité de ces P90 SP Custsom est qu'ils sont splittables... d'où l'envie de me faire une électronique sur-mesure... et comme les potards normaux ne rentraient pas dans les perçages de la table, j'ai du mettre 4 push-pull ce qui m'a permis de me "lâcher" sur les configs

bongo a écrit :
De plus, ce sont des micros "Tap", c'est à dire avec la possibilité de baisser inductance/résistance et puissance du micro a l'aide d"un push/pull. Donc passer d'un son P90 à un son plus strat, ce qui devrait être particulièrement efficace sur ton micro manche, plus proche de l'architecture d'un micro strat.


Le rôle des 4 push-pull
- le 1er push-pull splitte le micro chevalet, et en même temps coupe les graves sur le micro manche (low cut comme le switch d'une Jaguar)

- le 2eme push-pull splitte le micro manche, et en même temps coupe les graves sur le micro chevalet

- le 3ème push-pull met les micros en série et hors-phase plutôt qu'en parallèle. Les 2 push-pull précédents restent actifs et c'est tant mieux: je trouve les sons des positions "série" sont beaucoup plus intéressantes avec l'un des 2 splits/low cut enclenchés

- le 4ème push-pull permet de placer le micro chevalet directement sur le jack, ceci quelque soit la position du sélecteur de micros.
Alors le micro n'est plus chargé par les résistances des potards, donc le son est plus dynamique et il y a plus d'aigus. Et ça crunch davantage l'ampli.
le split du chevalet reste actif même quand il est en direct.

Les samples:
Guitare branchée sur un Carvin Vintage 16 en direct.
Prise de son avec mon petit magnéto tascam DR-1
http://www.myspace.com/demospc(...)ckups

Les choses qui fâchent:

1) j'avais mal réglé le niveau du tascam et le limiteur de l'enregistreur sature dès que j'attaque trop
du coup ça rajoute de la distorsion pas belle... et ça noie un peu les différences entre le chevalet seul, et le chevalet en direct par exemple...
2) la guitare était restée sans cordes pendant des semaines, alors elle a tendance à se désaccorder: vous entendrez parfois des notes fausses, désolé !

Au final... ça sera à refaire un autre jour, mais ça donne déjà une idée des possibilités offertes par ces P90 tap de chez SP Custom.

Bonne écoute !

Frank

PS: schéma de câblage dispo par MP pour les fous qui veulent s'y frotter
Savoir finir, c'est tout ce qui compte
Fend
  • Vintage Total utilisateur
  • #2
  • Publié par
    Fend
    le
Merci pour les samples, le direct switch a l'air intéressant en effet

Sinon, je penses que ce serait pas mal de mettre les schéma dans ton topic
Le son est comme une sculpture, chacun la voit sous un autre angle et chacun y recherche des choses différentes. Certains la façonnent en plastique dans des moules préfabriqués (modélisation), d'autres à l'aide de machines-outils programmables (transistor), d'autres la travaillent directement à la main avec de l'argile (lampes) ou la taillent dans la roche avec un burin (Matamp).

Historique de mes ventes : https://www.guitariste.com/for(...).html
fgillard
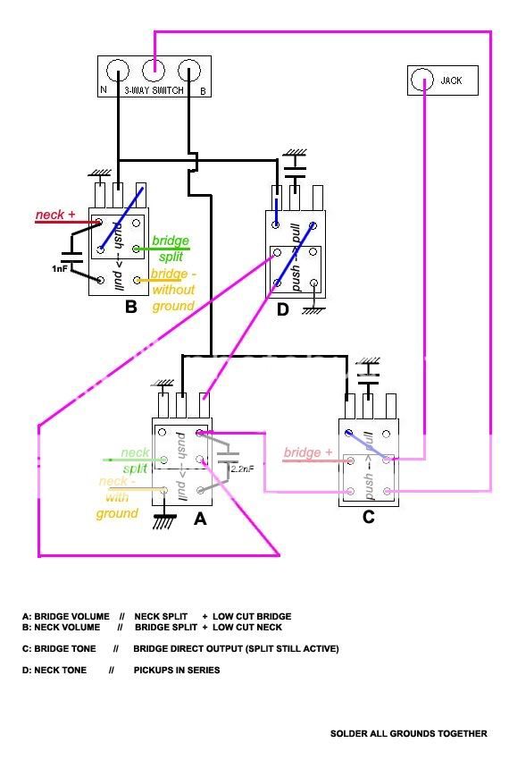
Voici le schéma de câblage:
http://c1.ac-images.myspacecdn(...)0.jpg

comme vous le voyez, j'ai 2 types de push-pull différents: l'un qui fait contact par défaut entre les rangées du haut, et l'autre entre les rangées du bas pas simple mais c'est comme ça

je n'ai pas mis les valeurs des condos des tonalités: ce sont les valeurs standard je pense... c'est Bongo qui les a câblé: merci d'avance si tu passes par là pour préciser ce détail

vous noterez que j'ai câblé les condos de tonalité sur la sortie du potard de volume et non sur l'entrée.

par contre je n'avais pas pensé à prendre des photos... dommage.
Savoir finir, c'est tout ce qui compte
TheHardJack
fgillard a écrit :
Voici le schéma de câblage:
http://c1.ac-images.myspacecdn(...)0.jpg

comme vous le voyez, j'ai 2 types de push-pull différents: l'un qui fait contact par défaut entre les rangées du haut, et l'autre entre les rangées du bas pas simple mais c'est comme ça

je n'ai pas mis les valeurs des condos des tonalités: ce sont les valeurs standard je pense... c'est Bongo qui les a câblé: merci d'avance si tu passes par là pour préciser ce détail

vous noterez que j'ai câblé les condos de tonalité sur la sortie du potard de volume et non sur l'entrée.

par contre je n'avais pas pensé à prendre des photos... dommage.

Autant pour moi, je n'avais pas vu le reste du topic (j'étais bien feignant pour le coup )
En tout cas, je pense me faire une plaque exprès pour la SG.
redtommy
excusez de poser une question si conne mais comment peut on splitter un P90?????
cryseis
  • #9
  • Publié par
    cryseis
    le
redtommy a écrit :
excusez de poser une question si conne mais comment peut on splitter un P90?????


C'est juste une réduction du bobinage via une sortie intermédiaire vers la masse en milieu de bobine je crois.
http://www.loiclepapesteelguitars.com/
Happy Lepape user n°86
cryseis a écrit :
redtommy a écrit :
excusez de poser une question si conne mais comment peut on splitter un P90?????


C'est juste une réduction du bobinage via une sortie intermédiaire vers la masse en milieu de bobine je crois.


exact! demande à Bongo si tu veux plus de précisions.

J'essaye de remettre la main sur le schéma ce soir
voilà le schéma:


les valeurs des condos dépendent évidemment de la résistance des micros et de la sonorité qu'on veut leur donner quand on a coupé les graves.

En ce moment sur accessoires et Lutherie et Epiphone...