Schéma de câblage micros Aria Diamond 1802T / Epiphone ET270

Forum Aria
Forums
Bonjour,

Je recherche le schéma de câblage des micros d'une Aria Diamond 1802T ou d'une Epiphone ET270.
La guitare comporte 2 micros simple, 1 bouton volume, 1 tone et 1 switch marche arrêt.
Je l'ai actuellemnt raccordé comme une Télécaster, by-passant ainsi le switch.
Je souhaiterai réutiliser ce switch qui devait servir comme "amplificateur de basse"
Si vous avez des idées, je suis preneur!!!
D'avance merci

Frédéric
goon
  • Special Supra utilisateur
  • #3
  • Publié par
    goon
    le
personne ?

bon
tripi
  • Special Top utilisateur
  • #4
  • Publié par
    tripi
    le
Je fais un déterrage de plusieurs mois pour savoir si vous avez toujours besoin du plan de cablage de la aria diamond?
Shad0w
  • Special Top utilisateur
  • #5
  • Publié par
    Shad0w
    le
Nouveau déterrage de quelques mois également, mais pour une question concernant les possesseurs d'Aria 1802-1803 et d'Epiphone ET-270 (voire Crestwood ET-275), celles qui ont un bloc vibrato exactement comme celui-ci:



J'aurais aimé savoir quel était le radius du chevalet du bloc vibrato de ces guitares en particulier? je suis en train de monter une gratte qui a un manche au radius de 12" et j'aimerais pouvoir lui ajouter ce vibrato. Donc si le radius du bridge est de 12", c'est génial! encore faut-il en trouver en occase

Merci d'avance!
goon
  • Special Supra utilisateur
  • #6
  • Publié par
    goon
    le
pour connaitre le radius, tu peux telecharger des gabarits sur le net.
je viens de découvrir ça car je suis justement en train de refaire complétement une aria comme la tienne.
  • #7
  • Publié par
    did77
    le
tripi a écrit :
Je fais un déterrage de plusieurs mois pour savoir si vous avez toujours besoin du plan de cablage de la aria diamond?


Oui !

Je me pose la mm question qu'initialement posée.
J'aimerais savoir comment ajouter un boost des basses sur une gratte.
tripi
  • Special Top utilisateur
  • #8
  • Publié par
    tripi
    le
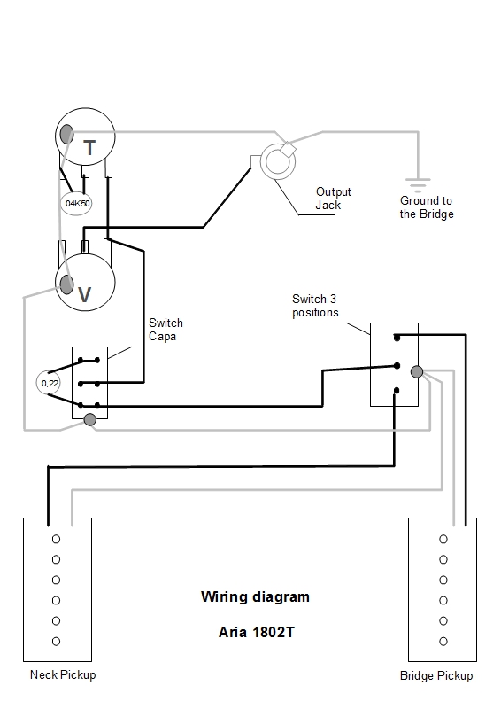
Voici le plan de cablage de la Aria 1802T



Pour le boost de basse je ne suis pas très calé en électronique, mais il me semble qu'un condensateur a pour fonction de couper des fréquences et non pas d'en booster. Pour booster des fréquences il faudrait une pédale de boost, ou bien un boost intégré à la guitare, mais c'est à confirmer par des connaisseurs!!!

quelques autres photos du plan de cablage de la guitare (pas toujours de qualité!)







[/img]
emiliencasse44
Le condensateur va encore plus baisser les aigus, donc rendre les basses plus présentes ... mais c'est jouer sur les mots ...

Je suis moi aussi en train de recabler une 1802T ... Merci pour le schéma !

Si quelqu'un a par hasard une des 4 vis tenant le chevalet a rouleaux ... une des mienne a cassé net ...
Collectionneurs invétéré de vielles pelles ...
michemodsboutique pour le plaisir ...
https://www.facebook.com/Miche(...)tique

En ce moment sur accessoires et Lutherie et Aria...