MARSHALL Fan & User's Club

Forum Marshall
Forums
Rappel du dernier message de la page précédente :
oldamp
  • oldamp
  • Vintage Méga utilisateur
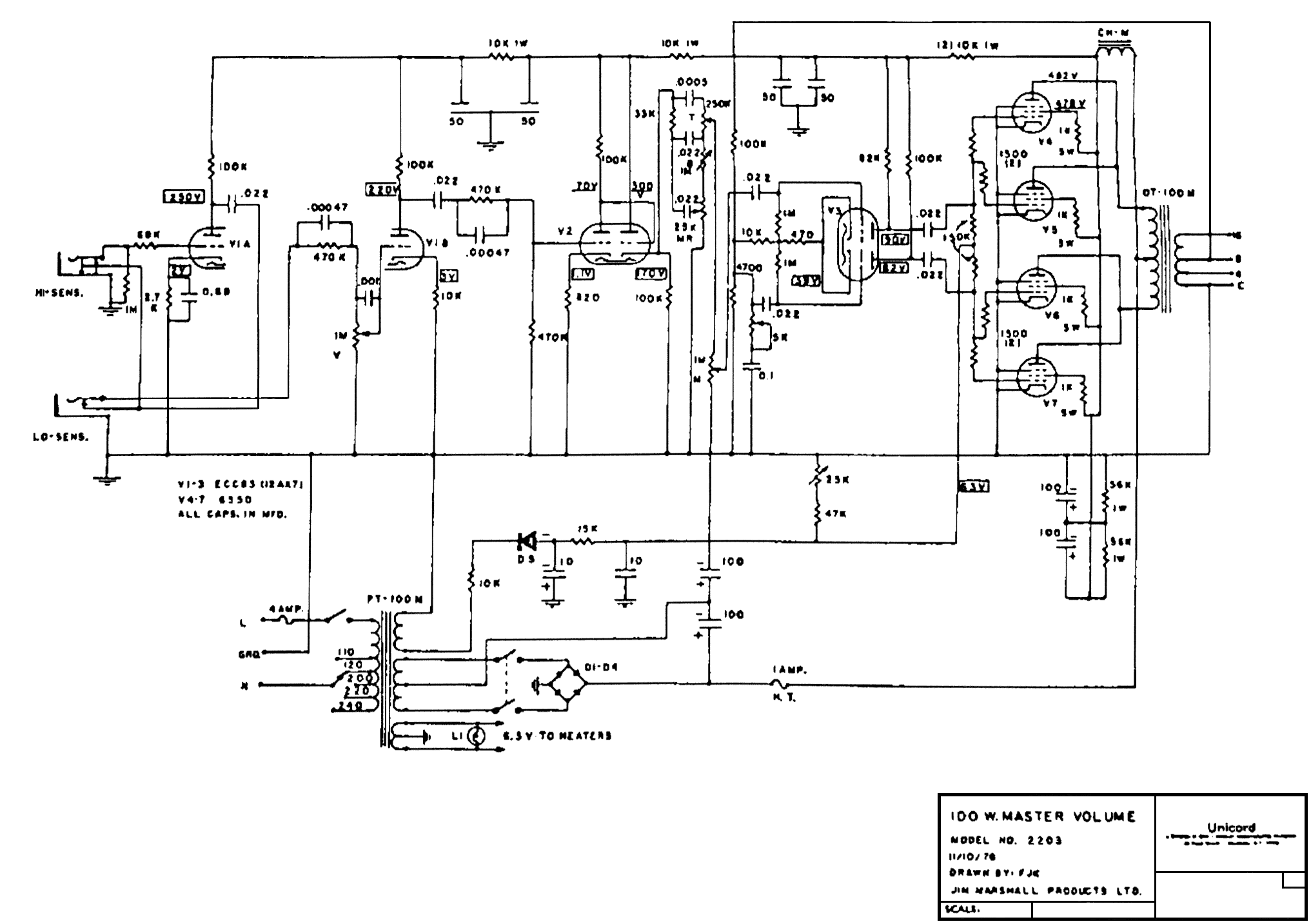
Avec des C en // t'as un ESR plus faible... Et je vois (à droite) un standby mis de la pire façon possible ! Il serait au niveau de F2 ça serait déjà un peu mieux amha.

Les condos série // c'est aussi la méthode utilisée sur le 2203 RI. Sans doute que tu as largement plus que 500V au démarrage ! Faut pas calculer trop limite les tensions de service...

http://schematicheaven.net/mar(...)e.pdf
nasdak
  • Custom Top utilisateur
en fait on voit sur ce schéma qu'il y a un filtrage avec 2 100uF en série (donc équivalent 50) puis un autre avec 2 100uF en série pour les grilles (équivalent 50 aussi) ?
nasdak
  • Custom Top utilisateur
oldamp a écrit :
Avec des C en // t'as un ESR plus faible... Et je vois (à droite) un standby mis de la pire façon possible ! Il serait au niveau de F2 ça serait déjà un peu mieux amha.

Les condos série // c'est aussi la méthode utilisée sur le 2203 RI. Sans doute que tu as largement plus que 500V au démarrage ! Faut pas calculer trop limite les tensions de service...

http://schematicheaven.net/mar(...)e.pdf

ah oui...
j'ai pas envie de faire les 6 trous de cap can.. ma perceuse survivra pas
quelle taille les trous ?
Tele@Fender
oldamp a écrit :
Avec des C en // t'as un ESR plus faible... Et je vois (à droite) un standby mis de la pire façon possible ! Il serait au niveau de F2 ça serait déjà un peu mieux amha.

Les condos série // c'est aussi la méthode utilisée sur le 2203 RI. Sans doute que tu as largement plus que 500V au démarrage ! Faut pas calculer trop limite les tensions de service...

http://schematicheaven.net/mar(...)e.pdf


comme le standby ça sert à rien, sa position on s'en cague un peu
Tele@Fender
nasdak a écrit :
oldamp a écrit :
Avec des C en // t'as un ESR plus faible... Et je vois (à droite) un standby mis de la pire façon possible ! Il serait au niveau de F2 ça serait déjà un peu mieux amha.

Les condos série // c'est aussi la méthode utilisée sur le 2203 RI. Sans doute que tu as largement plus que 500V au démarrage ! Faut pas calculer trop limite les tensions de service...

http://schematicheaven.net/mar(...)e.pdf

ah oui...
j'ai pas envie de faire les 6 trous de cap can.. ma perceuse survivra pas
quelle taille les trous ?

ben 3 seulement (3 cap can F&T de 2x50), pourquoi 6 ?

t'as la taille là : https://www.tube-town.net/ttst(...).html
donc des trous de 32mm de diam ce sera nickel mais un poil plus grand c'est pas grave tant que le can-holder se retrouve pas avec une vis dans le vide
https://www.tube-town.net/ttst(...).html

sinon, alternativement, tu peux utiliser les axiaux de 47µF / 500V de chez F&T aussi directement sur le turret-board (sur le Mod800, Mike a remplacé un des 3 can par ces deux axiaux là )

C'est quoi ton nouveau truc ?
gromousse
Outmax a écrit :
Grouic a écrit :


Citation:
Quelle solution adopteriez vous pour couvrir ces sons là avec le minimum de budget et d’encombrement ?

Un Bogner Atma rend très bien dans le style, avec l'inter décade 60-70-80. C'est un poil plus moderne, mais ça fait la blague et ça sonne ! Pour avoir un 2061, j'obtiens des son très proches avec l'Atma en mode 60.


Difficile à mon avis d'obtenir tous les sons en un même ampli sans faire de compromis. Les puristes du "plexi', disons d'un SLP par exemple, ne seront pleinement satisfaits que par une véritable saturation de l'étage de puissance je pense. Alors que sur un 2204 (JCM800) il faut certes un certain volume mais l'overdrive s'obtient grâce au préampli, en jouant sur les potards de gain et volume. D'où plus de facilité à recréer le grain "JCM800" sur des plus petits amplis et à moindre volume, comme sur le nouveau 20W studio. Alors qu'au contraire les petits plexi de 20w devront être pousser pour retrouver le son recherché ( et donc atténuateur ou autres car 2 EL34 ça reste très fort ).

Si tu cherches à avoir plusieurs grains marshall dans un seul ampli, il faudra composer. Il y a cependant plusieurs options :

- Un pur plexi, avec bidouille pour le faible volume. Et par contre de la pédale pour simuler un preamp type JCM800. Avec un format 2xEL34 ce n'est pas forcément trop imposant.

- Les alternatives boutiques, type miniplexi chez Fargen ou classic plex chez Fxamps. Souvent c'est un compromis avec un layout modernisé ( gain+volume, boucle, master ou atténuation etc), qui par contre intègre plusieurs modes au preampli (communément JTM/SLP/JCM ou 60/70/80). Ca permet donc d'un seul toggle de changer le caractère du crunch, et d'avoir un grain plexi sans déplacer les murs. Mais les puristes trouveront surement que si tu ne déplaces pas les murs...
Intérêt : polyvalents et homogènes à tout volume, compacts, plug n play sans bidouille, tout en restant dans le haut de gamme si tu veux (PTP).


Le Classic Plex serait l’ampli que je devrais viser alors...
Et si un jour tu t’retrouves dans Casimir... c’est pas normal, faut en sortir !
Tele@Fender
gromousse a écrit :

Le Classic Plex serait l’ampli que je devrais viser alors...

pas certain de comprendre ton raisonnement
nasdak
  • Custom Top utilisateur
Tele@Fender a écrit :
nasdak a écrit :
oldamp a écrit :
Avec des C en // t'as un ESR plus faible... Et je vois (à droite) un standby mis de la pire façon possible ! Il serait au niveau de F2 ça serait déjà un peu mieux amha.

Les condos série // c'est aussi la méthode utilisée sur le 2203 RI. Sans doute que tu as largement plus que 500V au démarrage ! Faut pas calculer trop limite les tensions de service...

http://schematicheaven.net/mar(...)e.pdf

ah oui...
j'ai pas envie de faire les 6 trous de cap can.. ma perceuse survivra pas
quelle taille les trous ?

ben 3 seulement (3 cap can F&T de 2x50), pourquoi 6 ?

t'as la taille là : https://www.tube-town.net/ttst(...).html
donc des trous de 32mm de diam ce sera nickel mais un poil plus grand c'est pas grave tant que le can-holder se retrouve pas avec une vis dans le vide
https://www.tube-town.net/ttst(...).html

sinon, alternativement, tu peux utiliser les axiaux de 47µF / 500V de chez F&T aussi directement sur le turret-board (sur le Mod800, Mike a remplacé un des 3 can par ces deux axiaux là )

C'est quoi ton nouveau truc ?

Non 6:
1 pour le pi (2 50 en //)
1 pour le preamp (2 50 avec 10k entre les 2)
2 pour les plaques (50 doublés pour faire 100 puis en serie pour faire 50 >700v)
2 pour les ecrans (idem)

Sur le 2204 y'en a que 3, y'a un filtrage de moins.
Et oui je peux remplacer un cap can par un f&t 100, faut que je regarde ce qui est le plus simple!

Je fais un jmp2203 a partir d'une carcasse de jcm2000
Tele@Fender
nasdak a écrit :

Non 6:
1 pour le pi (2 50 en //)
1 pour le preamp (2 50 avec 10k entre les 2)
2 pour les plaques (50 doublés pour faire 100 puis en serie pour faire 50 >700v)
2 pour les ecrans (idem)

Sur le 2204 y'en a que 3, y'a un filtrage de moins.
Et oui je peux remplacer un cap can par un f&t 100, faut que je regarde ce qui est le plus simple!

Je fais un jmp2203 a partir d'une carcasse de jcm2000


et pourquoi tu ferais pas un 2204 plutôt qu'un 2203 ? ça te laisse deux trous déjà fait pour 2 cans en plus, et c'est déjà bien trop puissant

mais sinon, en utilisant ça : https://www.tube-town.net/ttst(...).html tu peux au moins remplacer les 2 filtrages de PI et Pre-A avec un seul can

edit : ah non, y'a une R entre les deux de 50µF côté PA donc laisse tomber
oldamp
  • Vintage Méga utilisateur
Les trous de can ça se fait pas à la perceuse mais à l'emporte pièce, enfin faut quand même un pré-perçage de 10 mm pour la vis ! J'utilise le même que pour les socles octals 30mm et s'il le faut, un coup de lime en plus... Faut pas être feignant !

https://www.tube-town.net/ttst(...).html
Grouic
  • Vintage Méga utilisateur
Citation:
Le Classic Plex serait l’ampli que je devrais viser alors...

Pourquoi pas ? Je ne peux pas en parlé, je ne l'ai pas testé, mais j'ai un Lableue, c'est de la bonne came.
Voici la punition : En marche ! (Rimbaud. Une saison en Enfer)
nasdak
  • Custom Top utilisateur
oldamp a écrit :
Les trous de can ça se fait pas à la perceuse mais à l'emporte pièce, enfin faut quand même un pré-perçage de 10 mm pour la vis ! J'utilise le même que pour les socles octals 30mm et s'il le faut, un coup de lime en plus... Faut pas être feignant !

https://www.tube-town.net/ttst(...).html

Ca attaque un chassis marshall en acier ça ?
A la perceuse avec mes forêts étagés ca marche ! Faudrait une perceuse a colonne pour être plus efficace
Grouic
  • Vintage Méga utilisateur
nasdak a écrit :
oldamp a écrit :
Les trous de can ça se fait pas à la perceuse mais à l'emporte pièce, enfin faut quand même un pré-perçage de 10 mm pour la vis ! J'utilise le même que pour les socles octals 30mm et s'il le faut, un coup de lime en plus... Faut pas être feignant !

https://www.tube-town.net/ttst(...).html

Ca attaque un chassis marshall en acier ça ?
A la perceuse avec mes forêts étagés ca marche ! Faudrait une perceuse a colonne pour être plus efficace


Et avec une perceuse de Cologne ?
Voici la punition : En marche ! (Rimbaud. Une saison en Enfer)
Outmax
  • Custom Ultra utilisateur
gromousse a écrit :
Outmax a écrit :
Grouic a écrit :


Citation:
Quelle solution adopteriez vous pour couvrir ces sons là avec le minimum de budget et d’encombrement ?

Un Bogner Atma rend très bien dans le style, avec l'inter décade 60-70-80. C'est un poil plus moderne, mais ça fait la blague et ça sonne ! Pour avoir un 2061, j'obtiens des son très proches avec l'Atma en mode 60.


Difficile à mon avis d'obtenir tous les sons en un même ampli sans faire de compromis. Les puristes du "plexi', disons d'un SLP par exemple, ne seront pleinement satisfaits que par une véritable saturation de l'étage de puissance je pense. Alors que sur un 2204 (JCM800) il faut certes un certain volume mais l'overdrive s'obtient grâce au préampli, en jouant sur les potards de gain et volume. D'où plus de facilité à recréer le grain "JCM800" sur des plus petits amplis et à moindre volume, comme sur le nouveau 20W studio. Alors qu'au contraire les petits plexi de 20w devront être pousser pour retrouver le son recherché ( et donc atténuateur ou autres car 2 EL34 ça reste très fort ).

Si tu cherches à avoir plusieurs grains marshall dans un seul ampli, il faudra composer. Il y a cependant plusieurs options :

- Un pur plexi, avec bidouille pour le faible volume. Et par contre de la pédale pour simuler un preamp type JCM800. Avec un format 2xEL34 ce n'est pas forcément trop imposant.

- Les alternatives boutiques, type miniplexi chez Fargen ou classic plex chez Fxamps. Souvent c'est un compromis avec un layout modernisé ( gain+volume, boucle, master ou atténuation etc), qui par contre intègre plusieurs modes au preampli (communément JTM/SLP/JCM ou 60/70/80). Ca permet donc d'un seul toggle de changer le caractère du crunch, et d'avoir un grain plexi sans déplacer les murs. Mais les puristes trouveront surement que si tu ne déplaces pas les murs...
Intérêt : polyvalents et homogènes à tout volume, compacts, plug n play sans bidouille, tout en restant dans le haut de gamme si tu veux (PTP).


Le Classic Plex serait l’ampli que je devrais viser alors...


A toi de voir, c'est selon le grain et l'utilisation que tu recherches. Ce sont de très bons amplis en tout cas, il propose aussi une gamme lunch box plus abordable avec ces Ace.
Par contre je te conseillerais d'aller en magasin pour te familiariser plus avec les amplis que tu cites si tu n'en as jamais joué pour de vrai. Le silver jubilee se détache un peu des classiques si je ne m'abuse, notamment avec son étage de gain à diode. Pas sûr que tu retrouves ce grain sur les autres Marshall, et a fortiori les clones. Peut être d'ailleurs que tu te plairais plus sur des amplis british "modernisé" comme bogner ou le lableue chez FX justement.

Bref, c'est pas parceque beaucoup de gratteux kifferait un 1959 à toc que c'est précisément ta came
You can kiss my axe !
gromousse
Les magasins... faut avoir le temps, moi je ne l’ai pas, et j’ai pas de mag qui ait ce genre d’ampli en stock.
Les mags chez moi c’est morne plaine, si ils ont un JVM c’est le bout du monde à moins d’un dépôt vente (j’avais pu essayer un Bluesbreaker comme ça).
Le Lableue il est typé quoi pour vous ? Parce que j’en ai essayé un et j’ai pas été ébouriffé...
Et si un jour tu t’retrouves dans Casimir... c’est pas normal, faut en sortir !
Grouic
  • Vintage Méga utilisateur
Citation:
Le Lableue il est typé quoi pour vous ? Parce que j’en ai essayé un et j’ai pas été ébouriffé...


Comme le Port Salut, c'est marqué dessus ! Lableue en référence au canal bleu du Bogner XTC. Ceci étant le Lableue, en tous cas le mien sonne quand même plus aigu et moins bas médium que l'Ecstasy. Le canal bleu, c'est dans l'esprit anglais, mais moins brillant et beaucoup plus épais qu'un Marshall. Les bas médium très présent donnent un côté moelleux au son.

A noter que le Lableue nécessite du volume pour bien s'exprimer.
Voici la punition : En marche ! (Rimbaud. Une saison en Enfer)

En ce moment sur ampli et préampli guitare et Marshall...