Reparation Amplivox18 EL84 besoin du schema

Forum
Salut la bande,
Je viens de récupérer un Amplivox 18 en EL84. Le transformateur d'alim est claqué...(y a rien qui sort)
Sur cet ampli il y a 3 ECL83 2 EF86 2 EL84 et une EZ81.
J'ai trouvé sur les datasheet 3A de consommation filament 6,3 V pour les lampes ampli préampli + 1 A sur le filament EZ81...(avec enroulement spécifique)
La tension j'imagine 2x290V pour les EL84 comme sur le marshall 18
Question 1 :
Est ce que vous pourriez me dire quel transfo pourrait convenir sans le mettre à genou ? (j'avais pensé un Marshall 18 de chez TT mais j'ai peur de tirer trop sur le chauffage)
Question 2 qui aurait une spec pour le transfo ?
Question 3 qui aurait le plan en EL84 (j'en ai un mais illisible et un lisible en 6L6...car il a existé en plusieurs versions)
Doug_Watson
La version "extended" a deux chauffages 6.3V c'est celle-là qu'il faut prendre.

https://media.tubetown.net/inf(...)t.pdf

ECC83 pas ECL83 !

C'est ça ton schema ?


schema 18 EL84
Modifié le 11/03/2026 à 13:48
«Je ne suis pas sûr qu'on défende une civilisation en semant soi-même la barbarie.» E. Macron
Non, je n'ai pas rencontré Frankenstein et Epstein au Lichtenstein !
  • #3
  • Publié par
    youpiraph
    le (Modifié 2 fois)
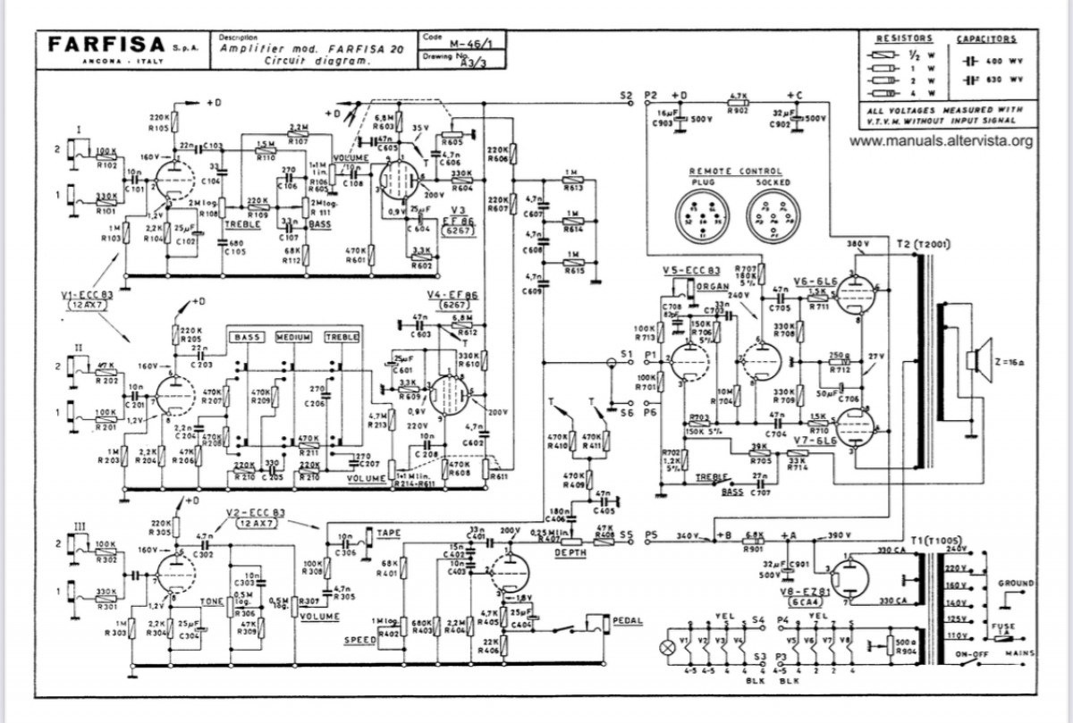
Oui merci c'est bien ce schema (illisible).
J'ai trouvé un transfo de Marshall18W ci dessous :
Primary: 0-220V
Sec. 1: 290 – 0 – 290 V - 200 mA
Sec. 2: ,15 – 0 – 3,15 V - 5 A
Sec. 3: 6,3 V - 1 A
Pour pas beaucoup plus cher chez TT il y a le 18w mais 100mA sur la HT c'est presque juste.
https://www.tubetown.net/ttsto(...).html je vois qu'il est un peu écrasé en amperage HT
Primary: 0-120-230-240V @ 50/60 Hz
Sec. 1: 600 V C.T. @ 100 mA
Sec. 2: 6,3 V C.T. @ 3,2 A
Sec. 3: 0V / 5V (@2,5 A / 6,3V @1,8A)
aussi il y a le 36W
https://www.tubetown.net/ttsto(...).html
Primary: 230, 240 V @ 50 Hz
Sec. 1: 600 V C.T. @ 200 mA
Sec. 2: 6,3 V C.T. @ 5 A
Sec. 3: 0V - 5V @ 2,5A / 6,3V @ 2A

Comme le tien proposé et les autres ont tous le 6.3V séparé pour le filament EZ81 pas de pb ; en revanche le 200mA me parait bien plus solide à terme (sachant que le Farfisa a précisémeznt eu le transfo cxlaqué (je pense grace à un condo chimique qui était pas en forme) ?
Modifié le 11/03/2026 à 16:06
Doug_Watson
Tu as besoin de 3A et le TT18 fournit 3.2A... donc c'est bon ! Surtout qu'il ne te faut que 2.82 A (0.3x3 + 0.2x2 + 0.76x2)... Il faut aussi tenir compte des dimensions et des fixations...
Modifié le 11/03/2026 à 15:38
«Je ne suis pas sûr qu'on défende une civilisation en semant soi-même la barbarie.» E. Macron
Non, je n'ai pas rencontré Frankenstein et Epstein au Lichtenstein !
Doug_Watson a écrit :
Tu as besoin de 3A et le TT18 fournit 3.2A... donc c'est bon ! Surtout qu'il ne te faut que 2.82 A (0.3x3 + 0.2x2 + 0.76x2)... Il faut aussi tenir compte des dimensions et des fixations...


ok merci doug, et surdimensionner le bestiau ? (j'ai édité mon post) ?
Il y a le 20W en 6L6 sur la toile qui est très lisible en revanche et c'est le meme schema jusqu'aux lampes d'ampli...
Le voici
farfisa Amplivox en 6L6


pour ceux que ca interesse j'ai obtenu d'un internaute italien (et donc forcément très sympa) un relevé de voltage après l'installation d'un transfo d'AC15 Hammond. Il aurait 370V redressé ... ca semble balaize. Bref je vais opter pour un des Marshall. a voir selon les conseils des internautes. La bise Merci Doug (again)

relevé
Modifié le 11/03/2026 à 16:35
Doug_Watson
D'après ses relevés, les EL84 consomment 70 mA (2x35). Avec 340V a-k ça donne une dissipation de 11.6W, c'est supportable mais faut prévoir un jeu de secours ! Le transfo de TT est plus raisonnable et 100 mA c'est largement suffisant. Le TT36 c'est trop gros !

Mais tu as bien mesurer ton transfo d'alim au multi ? Tu as trouvé un enroulement coupé ? Par fois la panne vient du sélecteur 110...240V.
«Je ne suis pas sûr qu'on défende une civilisation en semant soi-même la barbarie.» E. Macron
Non, je n'ai pas rencontré Frankenstein et Epstein au Lichtenstein !
Oui j'ai bien vu mais coté selecteur tout est riveté sur le transfo (pas d'origine) les enroulements sont derriere une plaque j'enverrais une photo - c'est effectivement la ou je vais + regarder ce WE mais j'ai vu que le premier condensateur a cramé donc je suspecte un problème de cours jus. Pour toi quel serait le point qui limiterait un transfo surdimensionné ? Voltage un poil plus haut ?
Doug_Watson
youpiraph a écrit :
Pour toi quel serait le point qui limiterait un transfo surdimensionné ? Voltage un poil plus haut ?


Le poids et la place pour le monter ! le selecteur c'est un carton marron avec deux vis ? Si oui, il y a un fil fusible sous le carton !

fusible carton
«Je ne suis pas sûr qu'on défende une civilisation en semant soi-même la barbarie.» E. Macron
Non, je n'ai pas rencontré Frankenstein et Epstein au Lichtenstein !
  • #9
  • Publié par
    youpiraph
    le (Modifié 2 fois)
OK je suis le champion du monde - ampli acheté en panne a un monsieur qui m'a assuré que le transfo avait laché... j'avais vérifié le fusible = ok ... Sauf que le porte fusible est multi tensions et que il est sur 220 V - le bornier du porte fusible est cablé sur 240V ... donc pas de jus...
Après changement du porte fusible sur 240 devinez quoi ? ca fonctionne... Bon gros décrassage à faire, mais rien de douteux au final.

transfo
Modifié le 12/03/2026 à 17:08

En ce moment sur ampli et préampli guitare et Farfisa...