Dépannage d'un Ashdown Fallen Angel FA60 DSP

Forum Ashdown
Forum
Total Aggression
Bonjour à tous,

Suite à un problème apparu lors de la dernière utilisation de mon Ashdown Fallen Angel FA60 DSP (un son clair très dégradé se transformant aléatoirement en une saturation très désagréable), j'ai décidé de l'ouvrir pour vérifier l'état du pcb et des composants avant d'entamer des essais d'échanges de lampes, histoire de ne pas faire potentiellement plus de dégâts...

1ere vérification rapide, pas de dégât apparent, pas d'odeur de composant ayant chauffé :


En regardant du coté des EL34, on voit cependant une coulure brunie englobant R35 et R39 :


En observant plus en détail cette zone, la coulure est présente à la base des condensateurs ; toutefois, l'ampli ne présentait aucun souci de puissance, les deux masters fonctionnaient comme d'habitude.



Cependant, cette coulure est en faite présente à la base de chaque condensateur de forte capacité :



J'aurais donc besoin de vos analyse, es-ce simplement de la colle ? Le circuit vous a t'il l'air sain, puis-je essayer des tests de remplacement de lampes sans risquer de potentiellement aggraver le souci ?
oldamp
  • Vintage Méga utilisateur
  • #2
  • Publié par
    oldamp
    le
oui, c'est une colle pour maintenir en place les composants lourds. vérifie coté soudures que les pins des supports de lampes sont bien soudés, pas de crique...
BOPAPA30
oldamp a écrit :
oui, c'est une colle pour maintenir en place les composants lourds. vérifie coté soudures que les pins des supports de lampes sont bien soudés, pas de crique...


Je pense que la crique dont tu parles est la crique de solidification, non visible à l’œil nu, et surtout vu en fonderie.

Pour les soudures qui nous concernent, je lui conseillerai de vérifier s'il ne trouve pas de "cirque" autour des pattes des composants = soudure défectueuse. ( c'est plus simple à comprendre)

- Partisan de la lutte contre les coupeurs de médiums -
-"Ceryz": Non, pour la disto je switche sur un MG15, je suis pas fou quand meme... -
Total Aggression
Merci pour vos conseils ! Je n'ai pas encore inspecté les soudures, il faut que je finisse de démonter le pcb du châssis pour ça, mais j'ai quand même fait une découverte intéressante... Une vis de fixation du pcb coincée entre deux composants ! Elle était masquée par la carte du dsp, je ne l'avais pas vue à la première inspection...
Extreme music for extreme people.
No core, no mosh, no fun, no trends.
VADER Cabs User's Club : https://www.guitariste.com/for(...).html
Total Aggression
Je me réponds… Pour la suite des aventures de mon Fallen Angel !

Dans l’épisode précédent, quelques posts plus haut, le problème avait été résolu en virant tout simplement l’intruse (TL/DR : une vis de fixation du PCB qui se baladait dans l’ampli) : suite à ça, l’ampli fonctionnait à nouveau parfaitement.



Récemment, de nouveaux symptômes sont apparus :

(rappel : ampli assez basique, 2 canaux avec gain, eq 3 bandes et volume indépendants, boost sur canal lead, deux master switchables, boucle d’effet et DSP d’effets internes)

- dans un premier temps, une fluctuation du volume ; l’ampli avait ensuite été éteint très rapidement, sans faire de test particulier : je ne sais pas si ce problème est arrivé sur le master 1 ou 2

- ensuite, un niveau de sortie extrêmement faible sur le canal saturé (rien de particulier à signaler sur le canal clair), réduit à un simple bruit de fond

- et dans la foulée, j’ai constaté que le volume de sortie était normal en restant sur le master 2, mais pas de son sur le master 1…



Bref :

Canal clair + master 1 : pas de son

Canal clair + master 2 : tout va bien, son et volume ok

Canal saturé + master 1 : pas de son

Canal saturé + master 2 : son saturé d’un volume extrêmement faible

Preamp externe dans le return + master 1 : pas de son

Preamp externe dans le return + master 2 : tout va bien, son et volume ok

Donc de façon certaine, problème de niveau de sortie pour le canal saturé, et pas de volume sur le master 1. Incertitude sur les conditions d’apparition de la fluctuation de volume.

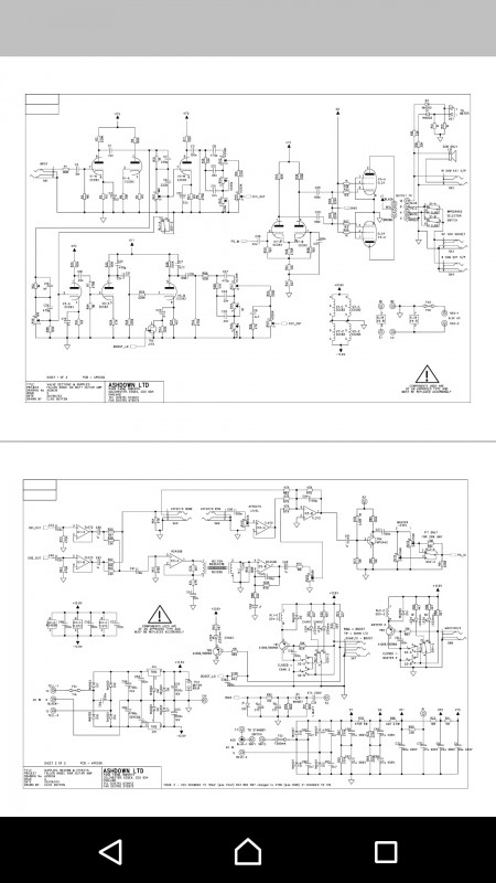
J’ai deux 12AX7 neuves à ma disposition, je peux les essayer sur V5 et éventuellement V3 pour voir si ça règle le problème du canal saturé, mais si j’en crois le schéma, je ne vois pas vraiment de raison pour que ça puisse changer quoi que ce soit au problème sur le master 1…

Problème de relai peut-être, pour le master 1 ? Un avis ou un conseil avant que je fasse quoi que ce soit ?

Schéma FA DSP60


Un lien vers le schéma en .pdf
http://music-electronics-forum(...)c.pdf
Extreme music for extreme people.
No core, no mosh, no fun, no trends.
VADER Cabs User's Club : https://www.guitariste.com/for(...).html

En ce moment sur ampli et Ashdown...