Kit Tube Town Marshall 18W problème de Tremolo (Résolu)

Forum Marshall
Forums
Bonjour, en ces temps où l'on doit rester à la maison je me suis lancer dans le projet de me faire un deuxième petit amplis à lampes, il y a quelques années je m'étais fais un clone de 5F2A Qui ne m'a jamais quitté depuis, aujourd'hui j'avais envie d'un son plus anglais et je me suis tourné vers un clone de Marshall 18w 1974. Sachant que j'allais rapidement m'ennuyer j'ai pris le partie d'essayer un kit Tube Town que l'on peut trouver à cette adresse [/url]https://www.tube-town.net/ttstore/tt-kit-marshall-style-18-watt.html. Pas de problème spécifique tout est là, tout semble de bonne qualité. Je vérifie tout mon truc et je test, le canal normal fonctionne bien, bien que ça crache plus que ce que je pensais. Par contre lorsque j'essaie le canal tremolo, là rien ne vas plus.

Symptômes: -Sans jack branché dans le canal tremolo, en montant le potard du volume on entend un bourdonnement plutôt faible qui s'accélère et ce ralentie avec le potard Speed, qui devient plus ou moins aiguë avec le potard Tone.

-Avec une guitare branché, là c'est encore pire, un très fort ronflement ce fait entendre par le cab, qui change lorsque qu'on joue sur la guitare mais pas une note ne sort.


J'ai bien sûr revu tout mon montage, vérifier toutes les valeurs que je pouvais mais quelque chose m'échappe...
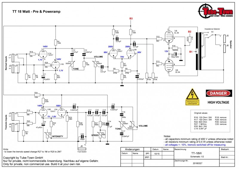
La seule différence notable au niveau des valeurs des tensions que l'on retrouve sur le schéma de TT est une différence de 25v sur la deuxième ECC83 aux bornes 2 et 7, environ 42v à la place de 68V, je vous met le schéma pour visualiser.

J'essaie de prendre un exemple sonore pour illustrer mon propos mais en attendant voici quelques photos.

Si quelqu'un à une idée, elle est la bienvenue!

Merci d'avance

Vue générale


Photo board


Schéma avec valeurs mesuré
bebear
  • Special Méga utilisateur
  • #2
  • Publié par
    bebear
    le
Je ne suis pas spécialiste mais tes tensions de grille de l'inverseur de phase ne sont pas bonnes du tout. Tu as une tension Grille cathode énorme (en valeur absolue). Ca ne peut pas fonctionner correctement comme ça.

C'est étonnant que ton canal sans trémolo fonctionne correctement. Le son est bon?

Tu n'aurais pas interverti R6 et R7 ? Moi je vérifierais bien les valeurs des résistances de ton inverseur de phase en les dessoudant.
Après je laisse la place aux spécialistes.

Tu peux également essayer une autre lampe à la place de V2 ?
oldamp
  • Vintage Méga utilisateur
  • #3
  • Publié par
    oldamp
    le
Non, il a bien mis la 820 en haut et la 47k en bas... Mesurer les tensions sur les grilles est assez difficile, le voltmètre perturbe les tensions à cause des impédances élevées et les mesures sont un peu fausses... Les composants semblent à leur bonne place... Un fil ou une jonction mauvaise ?

Si tu mets le potar "intensity" à zéro, tu as encore le ronflement ?
oldamp a écrit :
Non, il a bien mis la 820 en haut et la 47k en bas... Mesurer les tensions sur les grilles est assez difficile, le voltmètre perturbe les tensions à cause des impédances élevées et les mesures sont un peu fausses... Les composants semblent à leur bonne place... Un fil ou une jonction mauvaise ?

Si tu mets le potar "intensity" à zéro, tu as encore le ronflement ?


Au niveau composants j'ai revérifier, tout semble correcte.

Lorsque tu dit qu'il est difficile de mesurer les tensions et qu'elles se retrouvent un peu faussée tu explique la différence mesurée entre le 45V et le 68V aux bornes 2 et 7 de V2? Qui n'est donc pas significatives si je comprends bien.

Pour le potard intensity, j'ai refais un test que j'ai filmé,


Je ne sais pas si on vois et surtout si on entends bien ce qu'il ce passe, mais le potard intensity n'a apparemment pas d'action sur le bruit perçu.

J'ai revérifier les valeur de R6 et R7 mais elle sont bonnes.

Je vais essayer de vérifier toutes les connections.
super_taz
c'est un beau projet, j'espere que tu vas reussir a le depanner. Bon courage
oldamp
  • Vintage Méga utilisateur
  • #6
  • Publié par
    oldamp
    le
Ça c'est l'oscillateur qui repisse dans le canal... Ça arrive souvent, faut déplacer des fils pour essayer de minimiser le bruit... Mais là tu as le potar à 8 ! Si tu branches une guitare tu vas te péter les oreilles et tu n’entendras plus ce bruit derrière ! ! !
Il faut que je fasse une vidéo lorsque je met une guitare par ce que, je me pète les oreilles mais je n'entends pas la guitare, juste un énorme bourdonnement comme si on branche une guitare avec l'ampli allumé mais en continu, demain je fais une vidéo, pour vous montrer.
Voici la vidéo, on entends bien qu'il y a un vrais problème...



Mais il y a certainement un problème de masse car lorsque je touche l'alu du châssis pendant une seconde le grondement s'arrête, mais c'est pas pour autant que on entend la guitare...
oldamp
  • Vintage Méga utilisateur
  • #10
  • Publié par
    oldamp
    le
Tes jacks d'entrées sont mal cablés ? T'as essayé en te branchant sur celui du bas ?

Le canal qui marche est bon ? Parce que sur la video ça sonne moyen...
Ouais les deux Jacks ont le même effet.
Le canal qui fonctionne, c'est difficile de dire si le son est bien, ça va mais je ne peut pas trop comparer et je ne peut pas trop pousser le son pour le moment, j'essaie de regarder les Jack mais c'était bon il me semble. Je suis un peu perdu à vrais dire je ne comprends pas trop d'où ça vient. Le footswitch est censé activer/désactiver le trémolo non ? Il n'a pas d'action à priori.
corto30
il semble cablé un peu differement sur ce schema :



1974x
Nutrisco et Extinguo
j'ai suivis ce plan là



tt schematic




tt layout


je regarde demain si je trouve un différence
Problème résolu, merci à vous, pour infos vous aviez tous raison ( ce qui fait que vous pas mauvais du tout du coup =) )il me manquais la liaison à la masse sur les jack tremolo, ils étaient bien cablés entre eux mais j'avais zappé la liaison à la masse principale... Quel boulet!
Enfin en tout cas merci bien à vous, vous m'avez bien guidé, je vais marqué "Résolu" sur le titre, je retourne sur l'autre chantier en cours.



Amplis 18W



Merci encore et à bientôt!

En ce moment sur ampli et Marshall...