Photos de vos pédales DIY

Rappel du dernier message de la page précédente :
Boba7
  • Boba7
  • Custom Total utilisateur
Je checkerais en priorité les transistors, ensuite audio probe pour voir où la perte de volume a lieu !

Super pour la Small clone !

geogeo68
Les transistors sont bons, j'ai essayé également des Bc108c c'est pareil tout fonctionne mais le volume est hyper bas.

Oui j'ai dégainé direct l'audio probe
Mais mon soucis c'est de ne pas savoir lire correctement un schéma et de ne pas savoir suivre le bon chemin

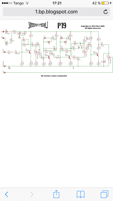
Skreddy P19


Rien qu'en sortie de R4 j'ai plus de son
Mais j'imagine que c'est normal vu que c'est le 9v
Le mieux est l'ennemi du bien.

Elsasser per immer!

--------------------------

Hot Rod Blues Junior : Tuto billm mods/conversion tête :
https://www.guitariste.com/for(...).html

Mes clones :
https://www.guitariste.com/for(...)28571

Ma partscaster Telemaster blackguard :
https://www.guitariste.com/for(...).html

Ma partscaster "Woodcaster" Tru Oil finish
https://www.guitariste.com/for(...)9.htm

Telemaster users'club, c'est ici :
https://www.guitariste.com/for(...).html
Boba7
  • Custom Total utilisateur
Non en R4/C3 tu devrais avoir du son !
geogeo68
Entre R4/C3 j'ai du son mais sur R4 côté 9v non, c'est pas normal ?

Sinon j'ai relevé les tensions des transos,
je pense qu'il y a un soucis autour de Q4:
Q1
C : 4,00
B: 0,65
E : 0,06

Q2
C :5,86
B :0,56
E :0,02

Q3
C :3,97
B :0,65
E :0,06

Q4
C: 0,02
B: 0,56
E: 0,02
Le mieux est l'ennemi du bien.

Elsasser per immer!

--------------------------

Hot Rod Blues Junior : Tuto billm mods/conversion tête :
https://www.guitariste.com/for(...).html

Mes clones :
https://www.guitariste.com/for(...)28571

Ma partscaster Telemaster blackguard :
https://www.guitariste.com/for(...).html

Ma partscaster "Woodcaster" Tru Oil finish
https://www.guitariste.com/for(...)9.htm

Telemaster users'club, c'est ici :
https://www.guitariste.com/for(...).html
Boba7
  • Custom Total utilisateur
Pas de son côté 9v, c'est normal !

En effet Q4 a pas l'air alimenté correctement. Erreur de composant, de vero ?
geogeo68
J'ai checké tout plusieurs fois à priori tout est ok
En fait je suspecte une soudure foireuse quelque part

J'ai acheté une plaque vero énorme cette semaine
(50cm de longueur sur 30cm de large) dans mon p'tit mag d'electro

Sauf que c'est une misère pour faire prendre la soudure Je suspecte que ce sont de vieilles plaques et que les pistes soient peut-être oxydées ou quoi.

Du coup je sens que je vais tout dessouder et remonter ça sur mes vero habituelles qui prennent parfaitement la soudure en 2 secondes

Par contre, je pars en vacances pour 2 semaines dimanche matin donc ça va me hanter pendant les 3-4 premiers jours cette histoire
Le mieux est l'ennemi du bien.

Elsasser per immer!

--------------------------

Hot Rod Blues Junior : Tuto billm mods/conversion tête :
https://www.guitariste.com/for(...).html

Mes clones :
https://www.guitariste.com/for(...)28571

Ma partscaster Telemaster blackguard :
https://www.guitariste.com/for(...).html

Ma partscaster "Woodcaster" Tru Oil finish
https://www.guitariste.com/for(...)9.htm

Telemaster users'club, c'est ici :
https://www.guitariste.com/for(...).html
Pour le vero, tu peux essayer de le poncer légèrement avant de l'utiliser.
J'utilise de la paille de fer 000 sur les veros qui ont un peu trop traîné dans le tiroir et donc légèrement oxydés. En général après c'est nickel
geogeo68
Oui j'y a pensé, merci bcp
Le mieux est l'ennemi du bien.

Elsasser per immer!

--------------------------

Hot Rod Blues Junior : Tuto billm mods/conversion tête :
https://www.guitariste.com/for(...).html

Mes clones :
https://www.guitariste.com/for(...)28571

Ma partscaster Telemaster blackguard :
https://www.guitariste.com/for(...).html

Ma partscaster "Woodcaster" Tru Oil finish
https://www.guitariste.com/for(...)9.htm

Telemaster users'club, c'est ici :
https://www.guitariste.com/for(...).html
Boba7
  • Custom Total utilisateur
Et hop une petite Moodring de chez Madbean quelque peu modifiée (tonestack différent, filtrage du PT2399 de predelay différent, pas mal de condos plus petits pour moins de bas dans la reverb)

Et surtout, j'ai modifiée la brick pour dégager sa modulation (toutes les BTDR ont un lfo qui module le signal wet) et la remplacer par une modulation de Pitch Pirate, qu'on peut couper (potard "d" -depth à zéro) ou régler (de subtil à extrême !à

La brick sans modulation sonne super bien ! La modulation des BTDR m'a toujours dérangé. Sans modulation on est vraiment dans une simulation de spring reverb très très chouette.

Et en poussant la modulation et le feedback, on est... ailleurs... j'adore.

J'avais déjà fait une réverb comme ça, en modifiant une moodring, mais je modulais le prédelay, ce qui rendait pas mal, mais moins bien que celle-ci (ici c'est la dernière PT2399 de la brick qui est modulée)

Bref, tout ça pour 2 photos !

a = attack (predelay)
f = feedback
t = tone
r = modulation rate
d = modulation depth
m = mix

A l'intérieur, un kill dry, et des trimpots pour régler le niveau maximum de la réverb, du feedback, et la forme d'onde de la modulation.

Et bien sûr, un relay parce que je déteste les 3pdt...


Erix29
  • Custom Cool utilisateur
Superbe ! Il commence à y avoir du niveau !

Tu utilises quel PCB pour tes relay bypass ?
Denis13
  • Vintage Méga utilisateur
Oui, ça commence à causer même si trop de boutons pour une reverbe
Comme toi, les modulations je ne suis pas trop fan, ça doit bien sonner tout ça
geogeo68
Yep ça touche chez Boba

La modif de la brick sur les smd doit être bien tendue quand même

Joli travail en tout cas bravo

Sinon est ce que quelqu'un saurait où trouver le schéma de la Flickinger Chimera à tout hasard ?
Le mieux est l'ennemi du bien.

Elsasser per immer!

--------------------------

Hot Rod Blues Junior : Tuto billm mods/conversion tête :
https://www.guitariste.com/for(...).html

Mes clones :
https://www.guitariste.com/for(...)28571

Ma partscaster Telemaster blackguard :
https://www.guitariste.com/for(...).html

Ma partscaster "Woodcaster" Tru Oil finish
https://www.guitariste.com/for(...)9.htm

Telemaster users'club, c'est ici :
https://www.guitariste.com/for(...).html
Matt310
Joli boulot !

De mon côté, j'ai acheté du multiplis hier...
charles1310
tu vas faire des pédales en contreplaqué ???
Denis13
  • Vintage Méga utilisateur
Après le Ruby je suis toujours sur les petits amplis transo pour utilisation appart.
J'ai fait des layouts pour les baby blues et texas boogie de Techniguitare si ça branche quelqu'un, voilà le baby blues et ici le texas boogie



Ils ne sont pas encore vérifiés, j'ai commandé un lot de TBA820M sur ebay et je les monterai à réception
Matt310
charles1310 a écrit :
tu vas faire des pédales en contreplaqué ???




Je vais me fabriquer un machin pour mettre toutes les pédales dessus...

Faut que je me décide combien je mets de jacks pour tout ça !

En ce moment sur effets...