Vous avez déjà tenté?

Rappel du dernier message de la page précédente :
L'ennui c'est que j'ai pas de multimètre et que je suis une bite en elec...

Par contre il semble qu'on aie exactement le même problème, ou du moins les mêmes symptômes ; je résume les miens :

-Le circuit de bypass marche (j'en déduis que le problème ne vient pas des jacks)

-Quand j'active le switch, j'entends un léger souffle qui augmente quand je tourne les potards dans le sens indirect (celui des aiguilles d'une montre) et qui diminue quand je tourne dans le sens direct (j'en déduis que le problème ne vient pas des potards)

-Le LED ne s'allume jamais (en même temps je suis pas sur qu'elle marche...)

-Quand je débranche l'alim, le souffle s'arrête (j'en déduis que le problème ne vient pas de l'alim non plus)

(peut-être me goure-je quant à mes déductions entre parenthèse, j'ai pas la prétention d'être un expert en diagnostiques de circuits électriques)

Juste un truc si ça peut aider : au début j'avais mis la diode à l'envers, et j'ai réussi à sortir du son, ça ressemblait un peu à de la fuzz, mais ne marchait que lorsque que je plaquais des accords complets en bourrinant les cordes comme un sauvageon histoire d'envoyer du bon volume à la bestiole ; je pense pas que ça présente un quelconque intérêt mais à ce moment là j'étais pas sur l'ampli mais sur mon interface USB (il était 1h du mat !)
Mon groupe de Scatophilian Grindcore :
http://www.myspace.com/cacacoulant

Mon groupe de punk :
http://www.myspace.com/papawasapunk ;

Mon ancien groupe de punk :
http://www.myspace.com/lesdroogies ;

Le groupe de Black Metal d'un pote batteur que je dépanne :
http://www.myspace.com/leshurles
Nico_las
antoinepwap a écrit :
L'ennui c'est que j'ai pas de multimètre et que je suis une bite en elec...



En 1 on achète un multimètre et en 2 on commence à envisager le montage. Sinon ça fait comme chez toi, impossible de débuger correctement
Nico_las
Oui t'inquiète pas.

C'est très pratique et très facile à utiliser. Tu peux prendre un modèle très très basique, ça marche très bien.
ok je m'en doutais.

Moi la semaine prochaine je vais essayer de me faire aider par des professionnels de l'électronique, si j'arrive à faire marcher ma fuzz j'expliquerai mon problème ici, ainsi que sa solution, et avec un peu de chance, t'as le même que moi...
Mon groupe de Scatophilian Grindcore :
http://www.myspace.com/cacacoulant

Mon groupe de punk :
http://www.myspace.com/papawasapunk ;

Mon ancien groupe de punk :
http://www.myspace.com/lesdroogies ;

Le groupe de Black Metal d'un pote batteur que je dépanne :
http://www.myspace.com/leshurles
jeromeP
  • Vintage Total utilisateur
antoinepwap a écrit :
ok je m'en doutais.

Moi la semaine prochaine je vais essayer de me faire aider par des professionnels de l'électronique, si j'arrive à faire marcher ma fuzz j'expliquerai mon problème ici, ainsi que sa solution, et avec un peu de chance, t'as le même que moi...


Ouaille j'suis dézoile mais en ce moment entre mon taf et la zik (c'est quasi du moitié moitié en ce moment) je n'ai pas le temps de me focaliser sur mes projets DIY
Ca doit pas etre grand chose (punaise 6 résistances, 4 condos, 2 transos; 2 potards ... Merde quoi )

On se tiens au jus (pour ma part c'est déjà grillé pour toute cette semaine )
Je vais peut-être encore passer pour un débutant attardé, mais j'ai pas l'impression que le boîtier soit relié à la masse, après, peut-être que je me gourre, peut-être que c'est normal (j'en doute), peut-être que c'est pas ça le problème....

Je vais essayer de l'y connecter et je viendrai faire un compte rendu ici.
Mon groupe de Scatophilian Grindcore :
http://www.myspace.com/cacacoulant

Mon groupe de punk :
http://www.myspace.com/papawasapunk ;

Mon ancien groupe de punk :
http://www.myspace.com/lesdroogies ;

Le groupe de Black Metal d'un pote batteur que je dépanne :
http://www.myspace.com/leshurles
Ok, je m'en doutais un peu, mais je suis tellement à court d'idées que j'ai tendance à crier au géni dès que j'envisage le moindre truc plus ou moins inédit...

Il se trouve que le jack out est à la masse.

merci d'avoir répondu avant que je démonte tout !
Mon groupe de Scatophilian Grindcore :
http://www.myspace.com/cacacoulant

Mon groupe de punk :
http://www.myspace.com/papawasapunk ;

Mon ancien groupe de punk :
http://www.myspace.com/lesdroogies ;

Le groupe de Black Metal d'un pote batteur que je dépanne :
http://www.myspace.com/leshurles
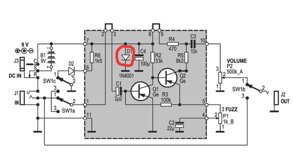
J'ai encore une question, quelqu'un saurait à quoi sert le diode D1 et ce qui se passe si elle est à l'envers quand le circuit est sous tension ?

(je mets le circuit pour tous ceux qui le connaissent pas par chœur)
Mon groupe de Scatophilian Grindcore :
http://www.myspace.com/cacacoulant

Mon groupe de punk :
http://www.myspace.com/papawasapunk ;

Mon ancien groupe de punk :
http://www.myspace.com/lesdroogies ;

Le groupe de Black Metal d'un pote batteur que je dépanne :
http://www.myspace.com/leshurles
Epb
  • Custom Top utilisateur
  • #134
  • Publié par
    Epb
    le
Je viens de me rendre compte d'un truc : Sur mes 2 pédales musikding, qui fonctionnent bien, l'alimentation secteur ne marche pas. Quand je branche l'alim, plus rien, avec ou sans pile... Sur les 2, qui ont pourtant des cablage d'alim différents...

En ce moment sur effet guitare...