Le topic Dumble-like

Rappel du dernier message de la page précédente :
djouby
  • djouby
  • Vintage Méga utilisateur
Vu qu'Allen Hinds était cité...
paru le 15 mai 2025
Dean Brown Guitars
Allen Hinds Guitars
Hadrien Feraud Bass
George Whitty Keys and mixing
Marvin "Smitty Smith" Drums



j0k3335
tiens une marque que je ne rappelais pas ET je viens de voir qu'elle est Belge : donc intéressant face aux douanes et autres "TARIFF" !

https://www.facebook.com/group(...)lones
https://www.gtown-amps.com/amplifiers/

il y a les différents modèles essentiels ( ODS, BluesMaster,HRM), quelques pédales et même des Dumbulator !

il n'y a pas trop d'infos sur les prix, si ce n'est que les pédales ne sont pas trop chères ( pas écoutées par contre ...) :
https://reverb.com/marketplace(...)+amps

Enjoy
Musician: Someone who puts $50,000 worth of gear into a $5,000 car to drive 100 miles to a $50 gig.
L'intelligence artificielle ne fait pas le poids face à la stupidité naturelle !
Nous sommes composés de 65% d'eau et de ... 35% de questions ...
... le moment est venu, quand l'heure est arrivée ...
Olric
  • Vintage Total utilisateur
En fait un ukrainien qui a émigré vers la Belgique (on se demande pourquoi...)
J'ai eu sa pédale Holy Grail, sympa, ça marchait bien, un clone de Dumbloïd sans doute. Mais bon l'Ethos quoi...
J'avais fait un petit shootout à l'époque.

Me tirez pas dessus, j'ai pas de PEA !
j0k3335
Olric a écrit :
En fait un ukrainien qui a émigré vers la Belgique (on se demande pourquoi...)
J'ai eu sa pédale Holy Grail, sympa, ça marchait bien, un clone de Dumbloïd sans doute. Mais bon l'Ethos quoi...
J'avais fait un petit shootout à l'époque.



oui, j'ai finalement trouvé et écouté cette pédale sur Youtube : bon, pas plus convaincu que cela ( elle a des sons plus étouffées que les deux concurrentes ?!)... faut dire que là, face à l'Ethos et la Van Weelden ...

Du coup je réécoute, avec plaisir, ta démo

(Nota : j'en arriverai à regretter mon Ethos, surtout vu les prix qui se pratiquent maintenant ??? ... alors qu'il y a la V2 )
Musician: Someone who puts $50,000 worth of gear into a $5,000 car to drive 100 miles to a $50 gig.
L'intelligence artificielle ne fait pas le poids face à la stupidité naturelle !
Nous sommes composés de 65% d'eau et de ... 35% de questions ...
... le moment est venu, quand l'heure est arrivée ...
Bonjour à tous
Pour info je vends mon vht50
Annonce sur le BC bethune 62400
Bonne fête de la musique à tous !!!
j0k3335
quelqu'un pour un Dumble-Like à €49,999 ... en sachant que c'est un VRAI DUMBLE mais assemblé par le distributeur/réparateur Allemand de l'époque Kitty Hawk (distributeur aussi de Mesa Boogie)

KITTY


https://reverb.com/item/906315(...)ecial

... un prix correct finalement ...

Il serait proche du #0049 si ça dit quelque chose à quelqu'un .

KITTY2


en tout cas boulot propre, vraiment à la "Dumble" .

... et vous pourrez même l'utiliser en 220V/240V grâce à son transfo "international"
Musician: Someone who puts $50,000 worth of gear into a $5,000 car to drive 100 miles to a $50 gig.
L'intelligence artificielle ne fait pas le poids face à la stupidité naturelle !
Nous sommes composés de 65% d'eau et de ... 35% de questions ...
... le moment est venu, quand l'heure est arrivée ...
Doug_Watson
C'est pas celui qui était à 150.000 il y a trois-quatre mois ?
«Je ne suis pas sûr qu'on défende une civilisation en semant soi-même la barbarie.» E. Macron
Non, je n'ai pas rencontré Frankenstein et Epstein au Lichtenstein !
j0k3335
Doug_Watson a écrit :
C'est pas celui qui était à 150.000 il y a trois-quatre mois ?


tarif d'été ?
Musician: Someone who puts $50,000 worth of gear into a $5,000 car to drive 100 miles to a $50 gig.
L'intelligence artificielle ne fait pas le poids face à la stupidité naturelle !
Nous sommes composés de 65% d'eau et de ... 35% de questions ...
... le moment est venu, quand l'heure est arrivée ...
Doug_Watson
Bon, je me lance... Mais ça va être long, plein de bricoles en cours... Quelle version, entre 102, 124, 183 ou autre, me conseillez-vous ?

Dumbelito 1



Dumbelito 2
«Je ne suis pas sûr qu'on défende une civilisation en semant soi-même la barbarie.» E. Macron
Non, je n'ai pas rencontré Frankenstein et Epstein au Lichtenstein !
j0k3335
Doug_Watson a écrit :
Bon, je me lance... Mais ça va être long, plein de bricoles en cours... Quelle version, entre 102, 124, 183 ou autre, me conseillez-vous ?


Super

... ça commence bien car l'habillage et la toile de ce combo sont vraiment classieux

... et encore bravo ... car je me sentirai vraiment pas compétent pour un tel projet !

Pour le modèle : ça dépend quand même grandement de TES gouts .
Maintenant, essayes de voir, peut être, s'il y en a un qui peut être facilement modifier d'une version à une autre : comme cela si ça te convient pas, tu pourras évoluer vers l'autre. Mais bon, en plus il y aura la phase de "voicing", choix de la valeur des OD Snubers, ...

Tiens j'ai retrouvé cela qui te décrit ce à quoi il faut s'attendre pour chaque type :

Non Hrm classiq EQ is the oldest style of dumble amp. A bit more rooted in the raw fenderish tone. This is the amp that made his reputation. This would be like early Lindley, Browne, Lowell George, the first incarnation of his amps. It can sustain like a mofo! It is a singing OD for sure. Not much compression, very touch sensitive and dynamic....

Second the Non-HRM Skyliner EQ low plate is a variation of the above. Dumble modded several of his older amps with a new tone stack he was developing, know as the skyline eq because it's output viewed on a scope resembled a city skyline.
It is a little less Fender but still a somewhat lower gain affair. It has the same gain as the vintage amp but the new EQ is more "signature dumble" and a little less Fender. Improved cleans from the Vintage model. It still sustains like a mofo, has a bit better string to string definition and is a little more refined in the tone shaping.

Non-HRM Skyliner EQ high plate is where he went next, same as above but now the gain staging is not classic fender. It has more headroom, definition, and punch, more lively and responsive cleans, smoother OD, and a small bit of compression, very touch sensitive, lots of sweet singing tones.

HRM Skyliner EQ HRM stands for "Hot Rubber Monkey". This is a second tone stack just for the OD channel. It is more or less a Marshall style tone stack this allows tone shaping of the OD independent of the cleans. A real Dumble of this ilk would be called a Skyline HRM. Smooth as silk, goes from clean to mean like no ones biz. Transition between is amazing. You can pick clean, a bit dirty, grinding, soaring, all
with your hand and all smoothly with definition. No rasp or buzz. Very refined. Gorgeous smooth tones. A little more compression that the above amps but not in a bad way. Very natural. The dynamic response is second to none. This amps feels like it breathes with you after awhile.
Smooth singing overdrive, completely dynamic, never any rasp or buzz, no IM distortion or other uglies.

Blues Master. Think raw early Fender/Marshall tone on steroids. The tone stack is decidedly bassman territory,
however because of Dumbles many other difference it is far better IMO. The cleans here are the best cleans I think I have ever heard, dumble
or otherwise. The cleans will sing and sustain!!! The OD is much less smooth and much less compressed than the above amps. It has some early Marshall vibe to it. Boosted cleans with this amp are to die for. The OD is a bit more raw and edgy then some of the other offerings but with boosted cleans you get the smooth side of things and with the OD you have a less polite and refined tone.
Somewhat like the first Dumbles, though different. Lots of punch, sustain and singing but not as smooth as some of the other offerings. This one can be thick and dense too. Not dark and crappy, just "meaty"...
Open clean cleans to mean and a little rude.
Big fat sick blues machine. Lots of character or soul. This amp will try and steal you girl.Like a tuxedo on a cowboy?.... It can play nice but it can still stomp in the dirt.

last is the same as above with the HRM OD tone stack which gives a little more tone shaping and refining in the OD section.
Musician: Someone who puts $50,000 worth of gear into a $5,000 car to drive 100 miles to a $50 gig.
L'intelligence artificielle ne fait pas le poids face à la stupidité naturelle !
Nous sommes composés de 65% d'eau et de ... 35% de questions ...
... le moment est venu, quand l'heure est arrivée ...
PiPiRoSe
cool de voir un bricolage de doug la dessus , sur le 124 tu trouve toute les infos importantes mais est ce le cas pour les 2 autres ?
le Dumbelito a l air pas mal pour commencer sérieusement
« Si tu prends 500 € à un travailleur pour donner 100 € à 5 paresseux, tu perds un vote mais tu en gagnes 5. Ça s'appelle le socialisme. » Elon Musk

mon meilleur montage grâce au pcb d un ami :
https://www.casimages.com/u/pi(...)2817/
j0k3335
PiPiRoSe a écrit :
cool de voir un bricolage de doug la dessus , sur le 124 tu trouve toute les infos importantes mais est ce le cas pour les 2 autres ?
le Dumbelito a l air pas mal pour commencer sérieusement


Sur The Amp Garage, on trouve quasiment toutes ces infos ... et, de plus, on peut éventuellement poser des questions et, il faut admettre, ils ne sont pas radins à ce niveau


sinon, pour le #102, j'ai le schéma, le layout, le BOM, ... il y a même des vidéos :
, ...

pour le #183, je n'ai que les schéma et layout MAIS je pense à une chose : as-tu toujours ton VHT car il serait proche d'un #183 aussi l'intérêt d'en avoir un second serait peut-être limité non ?
Musician: Someone who puts $50,000 worth of gear into a $5,000 car to drive 100 miles to a $50 gig.
L'intelligence artificielle ne fait pas le poids face à la stupidité naturelle !
Nous sommes composés de 65% d'eau et de ... 35% de questions ...
... le moment est venu, quand l'heure est arrivée ...
PiPiRoSe
j0k3335 si tu veux bien mettre ici pour le 102 et 183 schéma, le layout, BOM pour doug ce serait sympa, j ai cherché un peu j ai trouvé le layout du 102 mais pas le reste ca prends un temps fou de trouver ca dans toutes les infos qu il y a
Pour le 124 ya tout sur un lien plus haut déjà avec en plus les photos degoupées pour pouvoir vérifier soit même le plus de truc possible , j imagine que c est vérifié mais perso je préfère perdre du temps avant en revérifiant le plus possible .
A voir ce que doug vas préférer c est déjà intéressant .
« Si tu prends 500 € à un travailleur pour donner 100 € à 5 paresseux, tu perds un vote mais tu en gagnes 5. Ça s'appelle le socialisme. » Elon Musk

mon meilleur montage grâce au pcb d un ami :
https://www.casimages.com/u/pi(...)2817/
j0k3335
PiPiRoSe a écrit :
j0k3335 si tu veux bien mettre ici pour le 102 et 183 schéma, le layout, BOM pour doug ce serait sympa, j ai cherché un peu j ai trouvé le layout du 102 mais pas le reste ca prends un temps fou de trouver ca dans toutes les infos qu il y a
Pour le 124 ya tout sur un lien plus haut déjà avec en plus les photos degoupées pour pouvoir vérifier soit même le plus de truc possible , j imagine que c est vérifié mais perso je préfère perdre du temps avant en revérifiant le plus possible .
A voir ce que doug vas préférer c est déjà intéressant .


pour le #102, j'ai le lien du topic qui lui est consacré sur TAG : tu peux ainsi retrouver TOUTES les infos =>

https://ampgarage.com/forum/vi(...)40264

pour le #183, il faudrait rechercher : tapes 183 dans leur barre de recherche et tu auras plein de topics intéressants sur le sujet !
sinon, il y a déjà celui-là https://www.ampgarage.com/foru(...)06421

et je peux te mettre le schéma et le layout

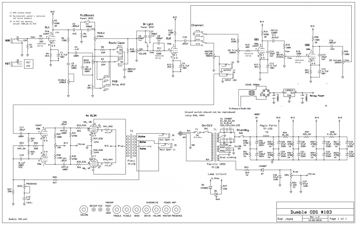
Schéma 183


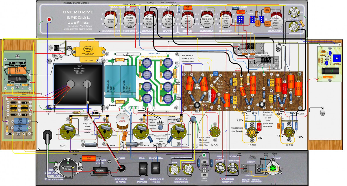
Layout


Bon courage
Musician: Someone who puts $50,000 worth of gear into a $5,000 car to drive 100 miles to a $50 gig.
L'intelligence artificielle ne fait pas le poids face à la stupidité naturelle !
Nous sommes composés de 65% d'eau et de ... 35% de questions ...
... le moment est venu, quand l'heure est arrivée ...
PiPiRoSe
merci a toi c est sympa , je remarque une chose en regardant 30 secondes le plan du 183 et le layout : pin 6 de v1 sur le plan 175v et sur le layout 207v donc mieux vaut bien vérifier tout ca avant de se lancer
« Si tu prends 500 € à un travailleur pour donner 100 € à 5 paresseux, tu perds un vote mais tu en gagnes 5. Ça s'appelle le socialisme. » Elon Musk

mon meilleur montage grâce au pcb d un ami :
https://www.casimages.com/u/pi(...)2817/
Doug_Watson
En schema j'ai 40 - 94 - 97 - 102 - 123 - 124 - 183 et divers morceaux ... Et entre 102 et 183, à part quelques détails et la puissance 50 vs 100 c'est pareil ! J'avais testé l'effet de la CR locale 10M+10M+0.05µF+10M+10M sur V2, et bien, j'avais dû le dire, aucun effet dans la bande audible !

Mon projet serait d'intégrer le dumbleator et une reverb... pas de HRM. Pour le FET vous en pensez quoi ? Ca sert ? Boost ? Pour que ça soit vraiment utile faudrait que ça soit footswichable... Le 102 est bien documenté et facile à reproduire. j'ai un transfo de sortie de Twin pour sortir en 8 et 16...

Oui j'ai toujours le VHT...
«Je ne suis pas sûr qu'on défende une civilisation en semant soi-même la barbarie.» E. Macron
Non, je n'ai pas rencontré Frankenstein et Epstein au Lichtenstein !

En ce moment sur ampli et préampli guitare...